|
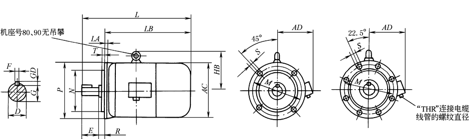
B5外形及安装尺寸(JB/T 6456—1992) mm |
||||||||||||||||||||||||
|
|
||||||||||||||||||||||||
|
机 座 号 |
安 装 尺 寸 |
外 形 尺 寸 |
THR |
|||||||||||||||||||||
|
M |
N |
P |
R |
S |
T |
D |
E |
F |
G |
GD |
AC |
AD |
L |
LA |
LB |
HB |
||||||||
|
2极 |
4、6 、8极 |
2极 |
4、6 、8极 |
2极 |
4、6 、8极 |
2极 |
4、6 、8极 |
2极 |
4、6 、8极 |
2极 |
4、6 、8极 |
|||||||||||||
|
80 |
165 |
|
200 |
0 |
4×f12 |
3.5 |
|
40 |
6 |
15.5 |
6 |
170 |
150 |
370 |
13 |
330 |
— |
M24×1.5-6H |
||||||
|
90S |
165 |
|
200 |
0 |
4×f12 |
3.5 |
|
50 |
8 |
20 |
7 |
180 |
155 |
410 |
13 |
360 |
— |
M24×1.5-6H |
||||||
|
90L |
165 |
|
200 |
0 |
4×f12 |
3.5 |
|
50 |
8 |
20 |
7 |
180 |
155 |
425 |
13 |
375 |
— |
M24×1.5-6H |
||||||
|
100L |
215 |
|
250 |
0 |
4×f15 |
4 |
|
60 |
8 |
24 |
7 |
210 |
180 |
465 |
15 |
405 |
145 |
M30×2-6H |
||||||
|
112M |
215 |
|
250 |
0 |
4×f15 |
4 |
|
60 |
8 |
24 |
7 |
230 |
190 |
495 |
15 |
435 |
160 |
M30×2-6H |
||||||
|
132S |
265 |
|
300 |
0 |
4×f15 |
4 |
|
80 |
10 |
33 |
8 |
270 |
210 |
575 |
16 |
495 |
178 |
M30×2-6H |
||||||
|
132M |
265 |
|
300 |
0 |
4×f15 |
4 |
|
80 |
10 |
33 |
8 |
270 |
210 |
615 |
16 |
535 |
178 |
M30×2-6H |
||||||
|
160M |
300 |
|
350 |
0 |
4×f19 |
5 |
|
110 |
12 |
37 |
8 |
330 |
255 |
715 |
16 |
605 |
215 |
M36×2-6H |
||||||
|
160L |
300 |
|
350 |
0 |
4×f19 |
5 |
|
110 |
12 |
37 |
8 |
330 |
255 |
760 |
16 |
650 |
215 |
M36×2-6H |
||||||
|
180M |
300 |
|
350 |
0 |
4×f19 |
5 |
|
110 |
14 |
42.5 |
9 |
360 |
285 |
815 |
16 |
705 |
250 |
M36×2-6H |
||||||
|
180L |
300 |
|
350 |
0 |
4×f19 |
5 |
|
110 |
14 |
42.5 |
9 |
360 |
285 |
865 |
16 |
755 |
250 |
M36×2-6H |
||||||
|
200L |
350 |
300±0.018 |
400 |
0 |
4×f19 |
5 |
|
110 |
16 |
49 |
10 |
400 |
310 |
900 |
22 |
790 |
280 |
M48×2-6H |
||||||
|
225S |
400 |
350±0.018 |
450 |
0 |
8×f19 |
5 |
— |
|
— |
140 |
— |
18 |
— |
53 |
— |
11 |
450 |
345 |
950 |
22 |
810 |
298 |
M48×2-6H |
|
|
225M |
400 |
350±0.018 |
450 |
0 |
8×f19 |
5 |
|
|
110 |
140 |
16 |
18 |
49 |
53 |
10 |
11 |
450 |
345 |
990 |
1050 |
22 |
880 |
298 |
M48×2-6H |

