|
代号1卧式安装电动机代号(IM B··)(GB/T 997—2003) |
||||||
|
代 号 |
示意图 |
结 构 型 式 |
安装型式 (卧式) |
|||
|
端盖式 轴承数 |
底脚 |
凸缘 |
其他细节 |
|||
|
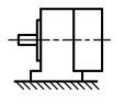
IM B3 |
|
2 |
有底脚 |
— |
— |
借底脚安装,底脚在下 |
|
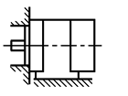
IM B5 |
|
2 |
— |
有凸缘 |
端盖上带凸缘,凸缘有通孔,凸缘在D端 |
借D端凸缘面安装 |
|
IM B6 |
|
2 |
有底脚 |
— |
— |
借底脚安装,从D端看底脚在左边 |
|
IM B7 |
|
2 |
有底脚 |
— |
— |
借底脚安装,从D端看底脚在右边 |
|
IM B8 |
|
2 |
有底脚 |
— |
— |
借底脚安装,底脚在上 |
|
IM B9 |
|
1 |
— |
— |
D端无端盖或轴承 |
借D端的机座面安装 |
|
IM B10 |
|
2 |
— |
有凸缘 |
D端有特殊的凸缘 |
借D端的凸缘面安装 |
|
IM B14 |
|
2 |
— |
有凸缘 |
端盖有止口,有螺孔,凸缘在D端 |
借D端的凸缘面安装 |
|
IM B15 |
|
1 |
有底脚 |
— |
D端无端盖或轴承,机座的D端用作附加安装 |
借底脚安装,底脚在下,用机座端面作附加安装 |
|
IM B20 |
|
2 |
有抬高 的底脚 |
— |
— |
借底脚安装,底脚在下 |
|
IM B25 |
|
2 |
有抬高 的底脚 |
有凸缘 |
端盖凸缘在D端,凸缘上有通孔 |
借底脚安装,底脚在下,用凸缘作附加安装 |
|
IM B30 |
|
2 |
— |
— |
在端盖或机座上有3只或4只搭子 |
借搭子安装 |
|
IM B34 |
|
2 |
有底脚 |
有凸缘 |
端盖有止口,有螺孔,凸缘在D端 |
借底脚安装,底脚在下,用D端的凸缘面作附加安装 |
|
IM B35 |
|
2 |
有底脚 |
有凸缘 |
端盖上带凸缘,凸缘有通孔,凸缘在D端 |
借底脚安装,底脚在下,用D端的凸缘面作附加安装 |
|
注:D端通常指电动机的传动端和发电机的被传动端。电机具有不同直径的双轴伸时,直径大的一端为D端。电机具有相同直径的圆柱形轴伸和圆锥形轴伸时,圆柱形轴伸一端为D端。 |
||||||














