|
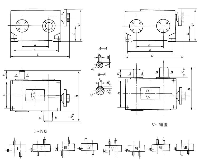
外形、安装尺寸 |
||||||||||||||||||
|
八种装配型式 mm |
||||||||||||||||||
|
Ⅰ~Ⅳ装配型式的外形及安装尺寸 |
||||||||||||||||||
|
机型 |
外形尺寸 |
安 装 尺 寸 |
||||||||||||||||
|
L |
B |
H |
a |
h |
s |
s1 |
安装螺栓 |
c1 |
d1 |
b1 |
l1 |
h1 |
c2 |
d2 |
b2 |
l2 |
h2 |
|
|
U34-0.75 |
290 |
225 |
170 |
140 |
80 |
228 |
114 |
4×M6 |
30 |
20 |
6 |
16.5 |
6 |
34 |
25 |
8 |
21 |
7 |
|
U34-1.5 |
410 |
312 |
225 |
180 |
100 |
304 |
146 |
4×M8 |
52 |
25 |
8 |
21 |
7 |
60 |
30 |
26 |
||
|
U34-3 |
595 |
448 |
295 |
300 |
135 |
462 |
196 |
4×M10 |
80 |
35 |
10 |
30 |
8 |
100 |
45 |
16 |
49 |
10 |
|
U34-5.5 |
690 |
467 |
340 |
340 |
165 |
540 |
244 |
6×M12 |
80 |
40 |
12 |
35 |
100 |
50 |
18 |
53 |
11 |
|
|
Ⅴ~Ⅷ装配型式的外形及安装尺寸 |
||||||||||||||||||
|
U34-0.75 |
290 |
195 |
170 |
140 |
80 |
228 |
114 |
4×M6 |
30 |
20 |
6 |
16.5 |
6 |
34 |
25 |
8 |
21 |
7 |
|
U34-1.5 |
410 |
260 |
225 |
180 |
100 |
304 |
146 |
4×M8 |
52 |
25 |
8 |
21 |
7 |
60 |
30 |
26 |
||
|
U34-3 |
595 |
368 |
295 |
300 |
135 |
462 |
196 |
4×M10 |
80 |
35 |
10 |
30 |
8 |
100 |
45 |
16 |
49 |
10 |
|
U34-5.5 |
690 |
387 |
340 |
340 |
165 |
540 |
244 |
6×M12 |
80 |
40 |
12 |
35 |
100 |
50 |
18 |
53 |
11 |
|

