|
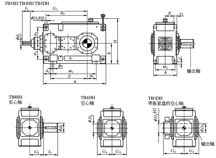
TB4.H的安装尺寸(规格5~12) |
|||||||||
|
mm |
|||||||||
|
规格 |
输 入 轴 |
||||||||
|
iN=80~180 |
iN=100~224 |
iN=200~315 |
iN=250~400 |
G1 |
|||||
|
d①1 |
l1 |
d①1 |
l1 |
d①1 |
l1 |
d①1 |
l1 |
||
|
5 |
28 |
55 |
|
|
20 |
50 |
|
|
615 |
|
6 |
|
|
28 |
55 |
|
|
20 |
50 |
650 |
|
7 |
30 |
70 |
|
|
25 |
60 |
|
|
725 |
|
8 |
|
|
30 |
70 |
|
|
25 |
60 |
770 |
|
9 |
35 |
80 |
|
|
28 |
60 |
|
|
840 |
|
10 |
|
|
35 |
80 |
|
|
28 |
60 |
890 |
|
11 |
45 |
100 |
|
|
35 |
80 |
|
|
1010 |
|
12 |
|
|
45 |
100 |
|
|
35 |
80 |
1080 |
|
规格 |
减 速 器 |
|||||||||||||||
|
a |
b |
c |
c1 |
D5 |
E |
g |
h |
H |
m1 |
m3 |
n1 |
n2 |
n3 |
n4 |
s |
|
|
5 |
690 |
255 |
28 |
30 |
24 |
405 |
97.5 |
230 |
512 |
480 |
220 |
105 |
100 |
455 |
180 |
19 |
|
6 |
770 |
255 |
28 |
30 |
24 |
440 |
97.5 |
230 |
512 |
560 |
220 |
105 |
145 |
490 |
180 |
19 |
|
7 |
845 |
300 |
35 |
36 |
28 |
495 |
114 |
280 |
602 |
605 |
260 |
120 |
130 |
560 |
215 |
24 |
|
8 |
950 |
300 |
35 |
36 |
28 |
540 |
114 |
280 |
617 |
710 |
260 |
120 |
190 |
605 |
215 |
24 |
|
9 |
1000 |
370 |
40 |
45 |
36 |
580 |
140 |
320 |
697 |
710 |
320 |
145 |
155 |
660 |
245 |
28 |
|
10 |
1100 |
380 |
40 |
45 |
36 |
630 |
140 |
320 |
697 |
810 |
320 |
145 |
205 |
710 |
245 |
28 |
|
11 |
1200 |
430 |
50 |
54 |
40 |
705 |
161 |
380 |
817 |
870 |
370 |
165 |
180 |
805 |
300 |
35 |
|
12 |
1355 |
430 |
50 |
54 |
40 |
775 |
161 |
380 |
825 |
1025 |
370 |
165 |
265 |
875 |
300 |
35 |
|
规格 |
输 出 轴 |
润滑油 /L |
质量 /kg |
||||||||
|
TB4SH |
TB4HH |
TB4DH |
|||||||||
|
d①2 |
G2 |
l2 |
D①2 |
G4 |
D3 |
D4 |
G4 |
G5 |
|||
|
5 |
100 |
165 |
210 |
95 |
165 |
100 |
100 |
165 |
240 |
16 |
335 |
|
6 |
110 |
165 |
210 |
105 |
165 |
110 |
110 |
165 |
240 |
18 |
385 |
|
7 |
120 |
195 |
210 |
115 |
195 |
120 |
120 |
195 |
280 |
30 |
555 |
|
8 |
130 |
195 |
250 |
125 |
195 |
130 |
130 |
195 |
285 |
33 |
655 |
|
9 |
140 |
235 |
250 |
135 |
235 |
140 |
145 |
235 |
330 |
48 |
890 |
|
10 |
160 |
235 |
300 |
150 |
235 |
150 |
155 |
235 |
350 |
50 |
1025 |
|
11 |
170 |
270 |
300 |
165 |
270 |
165 |
170 |
270 |
400 |
80 |
1485 |
|
12 |
180 |
270 |
300 |
180 |
270 |
180 |
185 |
270 |
405 |
90 |
1750 |
|
① d1和d2的公差:d1(和d2)≤f 24mm为k6,f 28mm≤d1(和d2)≤f 100mm为m6,d1(和d2)>f 100mm为n6。 ② 输出轴D2键槽按GB/T1095—2003。 |
|||||||||||

