|
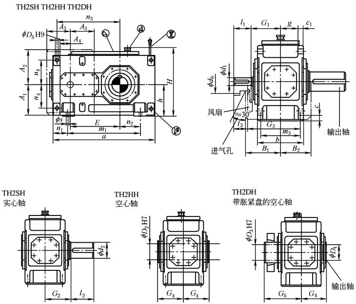
TH2.H的安装尺寸(规格3~12) |
||||||||||||||
|
mm |
||||||||||||||
|
规格 |
输入轴 |
|||||||||||||
|
iN=6.3~11.2 |
iN=8~14 |
iN=12.5~22.4 |
iN=16~28 |
G1 |
G3 |
|||||||||
|
d①1 |
l1 |
l3 |
d①1 |
l1 |
l3 |
d①1 |
l1 |
l3 |
d①1 |
l1 |
l3 |
|||
|
3 |
35 |
60 |
— |
|
|
|
28 |
50 |
— |
|
|
|
135 |
— |
|
4 |
45 |
100 |
80 |
|
|
|
32 |
80 |
60 |
|
|
|
170 |
190 |
|
5 |
50 |
100 |
80 |
|
|
|
38 |
80 |
60 |
|
|
|
195 |
215 |
|
6 |
|
|
|
50 |
100 |
80 |
|
|
|
38 |
80 |
60 |
195 |
215 |
|
7 |
60 |
135 |
105 |
|
|
|
50 |
110 |
80 |
|
|
|
210 |
240 |
|
8 |
|
|
|
60 |
135 |
105 |
|
|
|
50 |
110 |
80 |
210 |
240 |
|
9 |
75 |
140 |
110 |
|
|
|
60 |
140 |
110 |
|
|
|
240 |
270 |
|
10 |
|
|
|
75 |
140 |
110 |
|
|
|
60 |
140 |
110 |
240 |
270 |
|
11 |
90 |
165 |
130 |
|
|
|
70 |
140 |
105 |
|
|
|
275 |
310 |
|
12 |
|
|
|
90 |
165 |
130 |
|
|
|
70 |
140 |
105 |
275 |
310 |
|
规格 |
减 速 器 |
|||||||||||
|
a |
A1 |
A2 |
A3 |
A4 |
b |
B1 |
B2 |
c |
c1 |
D5 |
d6 |
|
|
3 |
450 |
— |
— |
— |
— |
190 |
— |
— |
22 |
24 |
18 |
— |
|
4 |
565 |
195 |
225 |
150 |
30 |
215 |
205 |
158 |
28 |
30 |
24 |
136 |
|
5 |
640 |
225 |
260 |
175 |
55 |
255 |
230 |
177.5 |
28 |
30 |
24 |
150 |
|
6 |
720 |
225 |
260 |
175 |
55 |
255 |
230 |
177.5 |
28 |
30 |
24 |
150 |
|
7 |
785 |
272 |
305 |
210 |
70 |
300 |
255 |
210 |
35 |
36 |
28 |
200 |
|
8 |
890 |
272 |
305 |
210 |
70 |
300 |
255 |
210 |
35 |
36 |
28 |
200 |
|
9 |
925 |
312 |
355 |
240 |
100 |
370 |
285 |
245 |
40 |
45 |
36 |
200 |
|
10 |
1025 |
312 |
355 |
240 |
100 |
380 |
285 |
245 |
40 |
45 |
36 |
200 |
|
11 |
1105 |
372 |
420 |
285 |
135 |
430 |
325 |
285 |
50 |
54 |
40 |
210 |
|
12 |
1260 |
372 |
420 |
285 |
135 |
430 |
325 |
285 |
50 |
54 |
40 |
210 |
|
规格 |
减 速 器 |
||||||||||
|
E |
g |
h |
H |
m1 |
m3 |
n1 |
n2 |
n3 |
n4 |
s |
|
|
3 |
220 |
71 |
175 |
390 |
290 |
160 |
80 |
65 |
285 |
132.5 |
15 |
|
4 |
270 |
77.5 |
200 |
445 |
355 |
180 |
105 |
85 |
345 |
150 |
19 |
|
5 |
315 |
97.5 |
230 |
512 |
430 |
220 |
105 |
100 |
405 |
180 |
19 |
|
6 |
350 |
97.5 |
230 |
512 |
510 |
220 |
105 |
145 |
440 |
180 |
19 |
|
7 |
385 |
114 |
280 |
602 |
545 |
260 |
120 |
130 |
500 |
215 |
24 |
|
8 |
430 |
114 |
280 |
617 |
650 |
260 |
120 |
190 |
545 |
215 |
24 |
|
9 |
450 |
140 |
320 |
697 |
635 |
320 |
145 |
155 |
585 |
245 |
28 |
|
10 |
500 |
140 |
320 |
697 |
735 |
320 |
145 |
205 |
635 |
245 |
28 |
|
11 |
545 |
161 |
380 |
817 |
775 |
370 |
165 |
180 |
710 |
300 |
35 |
|
12 |
615 |
161 |
380 |
825 |
930 |
370 |
165 |
265 |
780 |
300 |
35 |
|
规格 |
输 出 轴 |
润滑油/L |
质量/kg |
||||||||
|
TH2SH |
TH2HH |
TH2DH |
|||||||||
|
d①2 |
G2 |
l2 |
D②2 |
G4 |
D3 |
D4 |
G4 |
G5 |
|||
|
3 |
65 |
125 |
140 |
65 |
125 |
70 |
70 |
125 |
180 |
6 |
115 |
|
4 |
80 |
140 |
170 |
80 |
140 |
85 |
85 |
140 |
205 |
10 |
190 |
|
5 |
100 |
165 |
210 |
95 |
165 |
100 |
100 |
165 |
240 |
15 |
300 |
|
6 |
110 |
165 |
210 |
105 |
165 |
110 |
110 |
165 |
240 |
16 |
355 |
|
7 |
120 |
195 |
210 |
115 |
195 |
120 |
120 |
195 |
280 |
27 |
505 |
|
8 |
130 |
195 |
250 |
125 |
195 |
130 |
130 |
195 |
285 |
30 |
590 |
|
9 |
140 |
235 |
250 |
135 |
235 |
140 |
145 |
235 |
330 |
42 |
830 |
|
10 |
160 |
235 |
300 |
150 |
235 |
150 |
155 |
235 |
350 |
45 |
960 |
|
11 |
170 |
270 |
300 |
165 |
270 |
165 |
170 |
270 |
400 |
71 |
1335 |
|
12 |
180 |
270 |
300 |
180 |
270 |
180 |
185 |
270 |
405 |
76 |
1615 |
|
① d1和d2的公差:d1(和d2)≤f 24mm为k6,f 28mm≤d1(和d2)≤f 100mm为m6,d1(和d2)>f 100mm为n6。 ② 输出轴D2键槽按GB/T1095—2003。 |
|||||||||||

