|
外形及安装尺寸 |
|
LPJ、LPB、LPP型两级减速器
LPJ、LPB型三级减速器 标记示例
注:①见表LPJ、LPB、LPP型两级减速器承载能力和表LPJ、LPB三级减速器承载能力 mm |
|
LPJ、LPB、LPP型两级减速器 |
|||||||||||||||||||||||
|
型号 |
轴径 d |
外形尺寸 |
安装尺寸 |
质量 /kg |
|||||||||||||||||||
|
B |
L |
LL |
A |
H2 |
H1 |
H |
F |
G |
G1 |
D1 |
D2 |
D3 |
c |
h |
n |
d0 |
lⅠ |
lⅡ |
b |
t |
|||
|
20 |
40k6 |
270 |
392 |
600 |
400 |
304 |
430 |
680~710 |
53 |
145 |
280 |
200 |
230 |
260 |
5 |
16 |
6 |
M14 |
95 |
80 |
10 |
30 |
105 |
|
21 |
50k6 |
350 |
530 |
730 |
510 |
340 |
507 |
757~947 |
65 |
175 |
340 |
230 |
260 |
290 |
5 |
16 |
6 |
M14 |
125 |
80 |
12 |
35 |
150 |
|
22 |
60k6 |
350 |
530 |
730 |
510 |
350 |
507 |
772~942 |
65 |
175 |
340 |
230 |
260 |
290 |
5 |
16 |
6 |
M14 |
145 |
100 |
16 |
49 |
160 |
|
23 |
70m6 |
400 |
600 |
909 |
610 |
450 |
580 |
880~1180 |
74 |
195 |
380 |
270 |
305 |
340 |
6 |
16 |
8 |
M16 |
145 |
100 |
18 |
58 |
220 |
|
24 |
80m6 |
490 |
735 |
1097 |
755 |
515 |
701 |
1136~1366 |
85 |
250 |
500 |
320 |
360 |
400 |
6 |
22 |
8 |
M18 |
145 |
130 |
22 |
71 |
310 |
|
25 |
90m6 |
490 |
735 |
1097 |
755 |
560 |
701 |
1241~1406 |
85 |
250 |
500 |
320 |
360 |
400 |
6 |
22 |
8 |
M18 |
190 |
130 |
25 |
81 |
324 |
|
26 |
90m6 |
580 |
889 |
1330 |
900 |
600 |
760 |
1360~1670 |
95 |
300 |
580 |
455 |
500 (520) |
580 |
8 |
30 |
8 |
M23 |
190 |
130 |
28 |
90 |
436 |
|
27 |
100m6 |
720 |
1050 |
1702 |
1160 |
716 |
990 |
1785~1970 |
110 |
400 |
820 |
640 |
720 |
780 |
10 |
35 |
12 |
M23 |
190 |
160 |
28 |
100 |
985 |
|
28 |
130m6 |
785 |
1150 |
1850 |
1250 |
820 |
1050 |
1870~2275 |
125 |
450 |
875 |
680 |
740 |
800 |
10 |
40 |
12 |
M27 |
230 |
180 |
32 |
119 |
1610 |
|
29 |
160m6 |
850 |
1240 |
1913 |
1375 |
890 |
1120 |
2000~2400 |
125 |
500 |
930 |
700 |
760 |
820 |
10 |
40 |
12 |
M33 |
255 |
240 |
40 |
147 |
2000 |
|
LPJ、LPB型三级减速器 |
||||||||||||||||||||
|
型号 |
轴径 d |
外形尺寸 |
安装尺寸 |
质量 /kg |
||||||||||||||||
|
B |
L |
H1 |
H2 |
H3 |
H |
F |
G |
G1 |
D1 |
D2 |
D3 |
n×d0 |
c |
h |
lⅠ |
lⅡ |
b/t |
|||
|
30 |
35 |
330 |
580 |
480 |
300 |
550~600 |
730~770 |
50 |
175 |
350 |
230 |
260 |
290 |
6×f 14 |
5 |
16 |
85 |
55 |
10/30 |
100 |
|
31 |
50 |
360 |
620 |
500 |
320 |
570~660 |
750~840 |
58 |
195 |
400 |
270 |
305 |
340 |
8×f 18 |
6 |
16 |
100 |
80 |
14/44.5 |
155 |
|
32 |
65 |
400 |
640 |
550 |
360 |
680~800 |
870~990 |
65 |
225 |
450 |
320 |
360 |
400 |
8×f 18 |
6 |
22 |
130 |
100 |
18/58 |
188 |
|
33 |
80 |
460 |
780 |
600 |
390 |
750~1000 |
960~1200 |
75 |
260 |
500 |
380 |
430 |
480 |
12×f 23 |
8 |
22 |
145 |
130 |
22/71 |
342 |
|
34 |
95 |
500 |
930 |
660 |
420 |
1020~1125 |
1260~1365 |
85 |
300 |
580 |
450 |
520 |
580 |
8×f 23 |
8 |
28 |
170 |
150 |
25/86 |
327 |
|
35 |
110 |
580 |
1050 |
800 |
500 |
1100~1410 |
1400~1710 |
95 |
360 |
650 |
530 |
590 |
640 |
12×f 23 |
10 |
30 |
200 |
170 |
28/100 |
436 |
|
36 |
130 |
760 |
1391 |
925 |
650 |
1390~1920 |
1695~2225 |
110 |
460 |
700 |
680 |
800 |
880 |
12×f 33 |
12 |
40 |
225 |
190 |
32/119 |
1750 |
|
37 |
150 |
820 |
1456 |
925 |
700 |
1575~1980 |
1895~2270 |
130 |
485 |
750 |
680 |
800 |
880 |
12×f 33 |
12 |
40 |
255 |
240 |
36/138 |
2200 |
|
38 |
160 |
880 |
1535 |
1010 |
915 |
1665~2315 |
1760~2410 |
150 |
505 |
855 |
760 |
830 |
900 |
12×f 33 |
12 |
50 |
255 |
240 |
40/147 |
2800 |
|
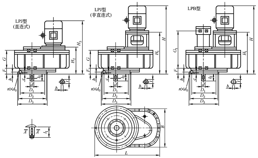
注:1.LPB型减速器输出轴轴承间距大,承受搅拌轴载荷能力大。LPP型是在相同规格的LPJ型之前增加一级带传动(窄V带或同步带传动)。 2.主电机采用YA、YB型电机时,LPP型减速器将采用防静电传动带。 3.输出轴配用联轴器的说明见表承载能力注3。 |



