|
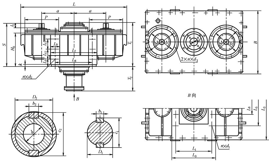
ZZSH型减速器外形、安装尺寸 |
|||||||||||||||||||
|
mm |
|||||||||||||||||||
|
规格 |
中心尺寸 |
轮廓尺寸 |
地 脚 螺 栓 |
||||||||||||||||
|
a |
H0 |
L |
T1 |
T2 |
B |
n×d1 |
k |
L0 |
L1 |
L3 |
L5 |
L6 |
n×d2 |
L7 |
L8 |
L9 |
L10 |
L11 |
|
|
255 |
255 |
350 |
970 |
435 |
180 |
560 |
12×f 18 |
18 |
425 |
350 |
545 |
320 |
120 |
12×M16 |
440 |
350 |
90 |
55 |
100 |
|
350 |
350 |
370 |
1220 |
535 |
238 |
770 |
12×f 22 |
20 |
535 |
450 |
755 |
480 |
180 |
12×M20 |
535 |
450 |
120 |
80 |
115 |
|
400 |
400 |
382 |
1360 |
530 |
320 |
830 |
12×f 26 |
21 |
600 |
500 |
810 |
450 |
150 |
12×M24 |
640 |
520 |
120 |
50 |
130 |
|
450 |
450 |
450 |
1510 |
665 |
385 |
940 |
12×f 32 |
24 |
700 |
560 |
900 |
700 |
400 |
12×M30 |
700 |
560 |
150 |
80 |
160 |
|
480 |
480 |
525 |
1550 |
665 |
385 |
970 |
12×f 32 |
28 |
780 |
680 |
964 |
600 |
270 |
16×M30 |
780 |
680 |
160 |
77.5 |
130 |
|
580 |
580 |
585 |
1826 |
872 |
428 |
1120 |
12×f 38 |
30 |
880 |
790 |
1114 |
700 |
350 |
16×M36 |
880 |
790 |
150 |
92.5 |
135 |
|
670 |
670 |
680 |
1900 |
960 |
590 |
1310 |
12×f 38 |
30 |
1000 |
880 |
1330 |
780 |
400 |
16×M36 |
970 |
880 |
160 |
115 |
115 |
|
规格 |
法兰连接尺寸 |
高速轴伸 |
低速轴伸 |
质量/kg |
||||||||||
|
P |
M |
N |
n×d3 |
D1 |
l1 |
S |
c1 |
b1 |
D2 |
c2 |
b2 |
d |
||
|
255 |
280 |
240 |
200H8 |
6×M16 |
50m6 |
50 |
425 |
57 |
14 |
99 |
111 |
28 |
50 |
460 |
|
350 |
380 |
340 |
300H8 |
8×M16 |
60m6 |
55 |
480 |
68 |
18 |
169 |
187 |
40 |
125 |
860 |
|
400 |
440 |
400 |
350H8 |
8×M20 |
70m6 |
55 |
527 |
79 |
20 |
179 |
199 |
45 |
125 |
1400 |
|
450 |
450 |
400 |
350H8 |
8×M20 |
75m6 |
65 |
640 |
84 |
20 |
190 |
210 |
45 |
130 |
2090 |
|
480 |
据电机确定 |
190 |
210 |
45 |
139 |
2300 |
||||||||
|
580 |
235 |
257 |
50 |
183 |
3300 |
|||||||||
|
670 |
321 |
285 |
70 |
198 |
6300 |
|||||||||

