|
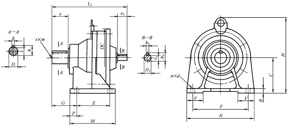
机型号8075~8155 |
||||||||||||||||||||||||||||
|
一级卧式直连型(XWD型)和双轴型(XW型)减速器外形、安装尺寸 XWD型(机型号8075~8155)
XW型(机型号8075~8155)
|
||||||||||||||||||||||||||||
|
表1 mm |
||||||||||||||||||||||||||||
|
机 型 号 |
XWD型 |
XWD型 XW型 |
XW型 |
|||||||||||||||||||||||||
|
A |
DC |
C |
E |
F |
M |
N |
G |
P |
H |
R |
V |
n |
d |
输出端 |
输入端 |
DC |
L1 |
质量 /kg |
||||||||||
|
D (h6) |
e |
b |
t |
h |
s×m |
D1 (h6) |
e1 |
b1 |
t1 |
h1 |
||||||||||||||||||
|
8075 |
92 |
110 |
80 |
60 |
120 |
84 |
144 |
41 |
12 |
138 |
10 |
35 |
4 |
9 |
14 |
25 |
5 |
11 |
16 |
— |
12 |
25 |
4 |
9.5 |
13.5 |
110 |
145 |
5 |
|
8085 |
98 |
110 |
80 |
60 |
120 |
84 |
144 |
47 |
12 |
138 |
10 |
35 |
4 |
9 |
18 |
30 |
6 |
14.5 |
20.5 |
— |
12 |
25 |
4 |
9.5 |
13.5 |
110 |
151 |
5 |
|
8095 |
142 |
150 |
100 |
90 |
150 |
130 |
180 |
60 |
15 |
207 |
12 |
40 |
4 |
11 |
28 |
35 |
8 |
24 |
31 |
— |
15 |
25 |
5 |
12 |
17 |
150 |
202 |
11 |
|
8105 |
156 |
150 |
100 |
90 |
150 |
135 |
180 |
60 |
15 |
207 |
12 |
40 |
4 |
11 |
28 |
35 |
8 |
24 |
31 |
— |
15 |
25 |
5 |
12 |
17 |
150 |
208 |
13 |
|
8115 |
192 |
204 |
120 |
115 |
190 |
155 |
230 |
82 |
20 |
257 |
15 |
55 |
4 |
14 |
38 |
55 |
10 |
33 |
41 |
— |
18 |
35 |
6 |
14.5 |
20.5 |
204 |
259 |
24 |
|
8125 |
192 |
204 |
140 |
115 |
190 |
155 |
230 |
82 |
20 |
277 |
15 |
60 |
4 |
14 |
38 |
55 |
10 |
33 |
41 |
— |
18 |
35 |
6 |
14.5 |
20.5 |
204 |
259 |
25 |
|
8130 |
240 |
230 |
150 |
145 |
290 |
195 |
330 |
100 |
25 |
300 |
22 |
65 |
4 |
18 |
50 |
70 |
14 |
44.5 |
53.5 |
M10×18 |
22 |
40 |
6 |
18.5 |
24.5 |
230 |
321 |
43 |
|
8135 |
240 |
230 |
150 |
145 |
290 |
195 |
330 |
100 |
25 |
300 |
22 |
65 |
4 |
18 |
50 |
70 |
14 |
44.5 |
53.5 |
M10×18 |
22 |
40 |
6 |
18.5 |
24.5 |
230 |
321 |
43 |
|
8145 |
260 |
230 |
150 |
145 |
290 |
195 |
330 |
120 |
25 |
300 |
22 |
65 |
4 |
18 |
50 |
90 |
14 |
44.5 |
53.5 |
M10×18 |
22 |
40 |
6 |
18.5 |
24.5 |
230 |
341 |
44 |
|
8155 |
260 |
230 |
160 |
145 |
290 |
195 |
330 |
120 |
25 |
310 |
22 |
70 |
4 |
18 |
50 |
90 |
14 |
44.5 |
53.5 |
M10×18 |
22 |
40 |
6 |
18.5 |
24.5 |
230 |
341 |
46 |
|
注:1.XWD型减速器的DM、J、L尺寸及质量见表2。 2.润滑脂润滑。 |
||||||||||||||||||||||||||||
|
表2 XWD型(机型号8075~8155)减速器外形尺寸 |
|||||||||||
|
功 率 /kW |
尺 寸 /mm |
机 型 号 |
|||||||||
|
8075 |
8085 |
8095 |
8105 |
8115 |
8125 |
8130 |
8135 |
8145 |
8155 |
||
|
0.09 |
DM |
128 |
128 |
128 |
|
|
|
|
|
|
|
|
J |
120 |
120 |
120 |
|
|
|
|
|
|
|
|
|
L |
280 |
289 |
333 |
|
|
|
|
|
|
|
|
|
质量/kg |
10 |
10 |
18 |
|
|
|
|
|
|
|
|
|
0.18 |
DM |
130 |
130 |
130 |
130 |
|
|
|
|
|
|
|
J |
100 |
100 |
100 |
100 |
|
|
|
|
|
|
|
|
L |
340 |
349 |
390 |
391 |
|
|
|
|
|
|
|
|
质量/kg |
11 |
11 |
19 |
23 |
|
|
|
|
|
|
|
|
0.37 |
DM |
|
140 |
140 |
140 |
140 |
|
|
|
|
|
|
J |
|
125 |
125 |
125 |
125 |
|
|
|
|
|
|
|
L |
|
344 |
388 |
391 |
423 |
|
|
|
|
|
|
|
质量/kg |
|
20 |
24 |
28 |
44 |
|
|
|
|
|
|
|
0.55 |
DM |
|
|
175 |
175 |
175 |
|
|
|
|
|
|
J |
|
|
160 |
160 |
160 |
|
|
|
|
|
|
|
L |
|
|
422 |
436 |
468 |
|
|
|
|
|
|
|
质量/kg |
|
|
25 |
30 |
45 |
|
|
|
|
|
|
|
0.75 |
DM |
|
|
175 |
175 |
175 |
175 |
175 |
175 |
175 |
|
|
J |
|
|
160 |
160 |
160 |
160 |
160 |
160 |
160 |
|
|
|
L |
|
|
422 |
436 |
468 |
468 |
523 |
523 |
543 |
|
|
|
质量/kg |
|
|
25 |
31 |
45 |
46 |
59 |
59 |
60 |
|
|
|
1.1 |
DM |
|
|
|
195 |
195 |
|
195 |
195 |
|
|
|
J |
|
|
|
170 |
170 |
|
170 |
170 |
|
|
|
|
L |
|
|
|
477 |
484 |
|
528 |
528 |
|
|
|
|
质量/kg |
|
|
|
37 |
50 |
|
70 |
70 |
|
|
|
|
1.5 |
DM |
|
|
|
195 |
195 |
195 |
195 |
195 |
195 |
195 |
|
J |
|
|
|
170 |
170 |
170 |
170 |
170 |
170 |
170 |
|
|
L |
|
|
|
471 |
503 |
503 |
558 |
558 |
578 |
578 |
|
|
质量/kg |
|
|
|
40 |
54 |
55 |
70 |
70 |
71 |
73 |
|
|
2.2 |
DM |
|
|
|
215 |
215 |
215 |
215 |
215 |
215 |
215 |
|
J |
|
|
|
185 |
185 |
185 |
185 |
185 |
185 |
185 |
|
|
L |
|
|
|
514 |
543 |
543 |
598 |
598 |
618 |
618 |
|
|
质量/kg |
|
|
|
50 |
63 |
64 |
78 |
78 |
79 |
82 |
|
|
3 |
DM |
|
|
|
|
215 |
215 |
215 |
215 |
215 |
215 |
|
J |
|
|
|
|
185 |
185 |
185 |
185 |
185 |
185 |
|
|
L |
|
|
|
|
543 |
543 |
598 |
598 |
618 |
618 |
|
|
质量/kg |
|
|
|
|
64 |
65 |
78 |
78 |
79 |
82 |
|
|
4 |
DM |
|
|
|
|
240 |
240 |
240 |
240 |
240 |
240 |
|
J |
|
|
|
|
195 |
195 |
195 |
195 |
195 |
195 |
|
|
L |
|
|
|
|
568 |
568 |
623 |
623 |
643 |
643 |
|
|
质量/kg |
|
|
|
|
68 |
69 |
101 |
101 |
102 |
104 |
|
|
5.5 |
DM |
|
|
|
|
|
275 |
275 |
275 |
275 |
275 |
|
J |
|
|
|
|
|
215 |
215 |
215 |
215 |
215 |
|
|
L |
|
|
|
|
|
624 |
678 |
678 |
698 |
698 |
|
|
质量/kg |
|
|
|
|
|
77 |
112 |
112 |
113 |
115 |
|
|
7.5 |
DM |
|
|
|
|
|
|
275 |
275 |
275 |
275 |
|
J |
|
|
|
|
|
|
215 |
215 |
215 |
215 |
|
|
L |
|
|
|
|
|
|
713 |
713 |
733 |
733 |
|
|
质量/kg |
|
|
|
|
|
|
112 |
112 |
113 |
115 |
|
|
11 |
DM |
|
|
|
|
|
|
|
|
|
335 |
|
J |
|
|
|
|
|
|
|
|
|
265 |
|
|
L |
|
|
|
|
|
|
|
|
|
756 |
|
|
质量/kg |
|
|
|
|
|
|
|
|
|
153 |
|
|
注:表中所列尺寸及质量是以Y型及YA型电机为基准,选用其他型式电机时,请与制造厂连系。 |
|||||||||||


