|
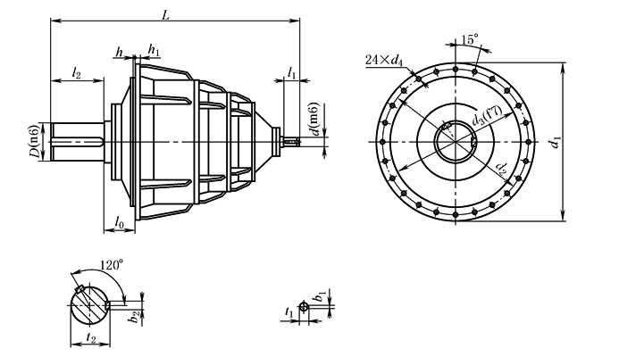
三级减速器外形和安装尺寸(NCF315~560) |
|||||||||||||||||||
|
mm |
|||||||||||||||||||
|
规格 代号 |
型号 规格 |
公称 传动比 |
外形尺寸 |
轴 伸 |
法 兰 尺 寸 |
质量 /kg |
油量 /L |
||||||||||||
|
L |
d1 |
d |
D |
l1 |
l2 |
t1 |
b1 |
t2 |
b2 |
d2 |
d3 |
d4 |
l0 |
h/h1 |
|||||
|
1 |
NCF 315 |
112~400 |
850 |
520 |
25 |
120 |
42 |
165 |
28 |
8 |
127 |
32 |
475 |
430 |
22 |
113 |
12/20 |
335 |
18 |
|
2 |
NCF 355 |
112~400 |
960 |
585 |
28 |
140 |
42 |
200 |
31 |
8 |
148 |
36 |
530 |
485 |
22 |
120 |
8/20 |
450 |
24 |
|
3 |
NCF 400 |
112~400 |
1023 |
650 |
30 |
150 |
58 |
200 |
33 |
8 |
158 |
36 |
595 |
545 |
22 |
125 |
8/25 |
510 |
36 |
|
4 |
NCF 450 |
112~400 |
1147 |
740 |
40 |
170 |
82 |
240 |
43 |
12 |
179 |
40 |
670 |
615 |
26 |
138 |
8/27 |
780 |
45 |
|
5 |
NCF 500 |
112~400 |
1300 |
820 |
45 |
200 |
82 |
280 |
48.5 |
14 |
210 |
45 |
755 |
690 |
33 |
165 |
8/30 |
1155 |
55 |
|
6 |
NCF 560 |
112~400 |
1420 |
940 |
50 |
220 |
82 |
280 |
53.5 |
14 |
231 |
50 |
860 |
785 |
33 |
173.5 |
10/45 |
1520 |
72 |

