|
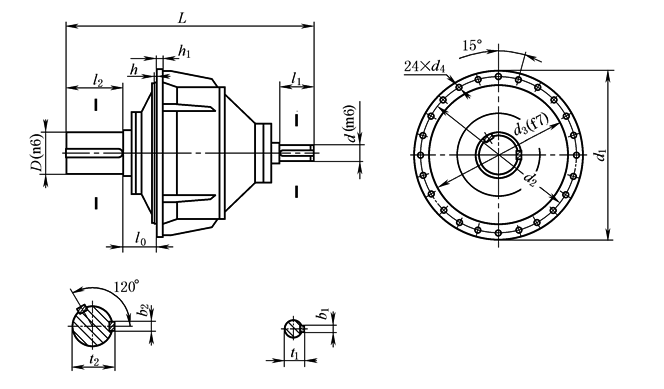
一级减速器外形及安装尺寸(NAF200~560) |
|||||||||||||||||||
|
mm |
|||||||||||||||||||
|
规格 代号 |
型号 规格 |
公称传 动比 |
外形尺寸 |
轴伸 |
法兰尺寸 |
质量 /kg |
油量 /L |
||||||||||||
|
L |
d1 |
d |
D |
l1 |
l2 |
t1 |
b1 |
t2 |
b2 |
d2 |
d3 |
d4 |
l0 |
h/h1 |
|||||
|
1 |
NAF 200 |
4~5.6 |
540 540 |
325 |
50 40 |
60 |
82 82 |
105 |
53.5 43 |
14 12 |
64 |
18 |
300 |
275 |
13.5 |
70 |
6/15 |
70 |
2 |
|
6.3~9 |
|||||||||||||||||||
|
2 |
NAF 224 |
4~5.6 |
610 610 |
365 |
55 45 |
70 |
82 82 |
105 |
59 48.5 |
16 14 |
74.5 |
20 |
335 |
300 |
13.5 |
76 |
6/17 |
100 |
3 |
|
6.3~9 |
|||||||||||||||||||
|
3 |
NAF 250 |
4~5.6 |
680 657 |
410 |
60 50 |
80 |
105 82 |
130 |
64 53.5 |
18 14 |
85 |
22 |
375 |
340 |
17.5 |
85 |
6/20 |
130 |
4 |
|
6.3~9 |
|||||||||||||||||||
|
4 |
NAF 280 |
4~5.6 |
750 727 |
460 |
65 55 |
100 |
105 82 |
165 |
69 59 |
18 16 |
106 |
28 |
420 |
385 |
17.5 |
95 |
8/18 |
195 |
6 |
|
6.3~9 |
|||||||||||||||||||
|
5 |
NAF 315 |
4~5.6 |
800 800 |
520 |
75 60 |
120 |
105 105 |
165 |
79.5 64 |
20 18 |
127 |
32 |
470 |
435 |
17.5 |
113 |
12/20 |
260 |
8 |
|
6.3~9 |
|||||||||||||||||||
|
6 |
NAF 355 |
4~5.6 |
895 875 |
585 |
85 65 |
140 |
130 105 |
200 |
90 69 |
22 18 |
148 |
36 |
525 |
485 |
22 |
120 |
8/20 |
355 |
10 |
|
6.3~9 |
|||||||||||||||||||
|
7 |
NAF 400 |
4~5.6 |
980 955 |
650 |
95 75 |
150 |
130 105 |
200 |
100 79.5 |
25 20 |
158 |
36 |
590 |
545 |
22 |
125 |
8/25 |
445 |
14 |
|
6.3~9 |
|||||||||||||||||||
|
8 |
NAF 450 |
4~5.6 |
1135 1100 |
740 |
110 80 |
170 |
165 130 |
240 |
116 85 |
28 22 |
179 |
40 |
670 |
615 |
26 |
138 |
8/27 |
620 |
20 |
|
6.3~9 |
|||||||||||||||||||
|
9 |
NAF 500 |
4~5.6 |
1250 1215 |
820 |
120 90 |
200 |
165 130 |
280 |
127 95 |
32 25 |
210 |
45 |
755 |
680 |
26 |
160 |
8/30 |
948 |
26 |
|
6.3~9 |
|||||||||||||||||||
|
10 |
NAF 560 |
4~5.6 |
1355 1320 |
940 |
130 100 |
220 |
200 165 |
280 |
137 106 |
32 28 |
231 |
50 |
860 |
785 |
33 |
173.5 |
10/45 |
1280 |
34 |
|
6.3~9 |
|||||||||||||||||||

