|
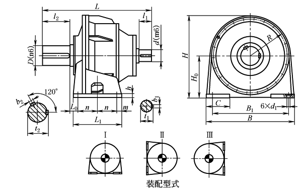
一级减速器外形及安装尺寸(NAD200~560) |
|||||||||||||||||||||||||
|
mm |
|||||||||||||||||||||||||
|
规格 代号 |
型号 规格 |
公称传 动比 |
外形及中心高 |
轴伸 |
地脚尺寸 |
质量 /kg |
油量 /L |
||||||||||||||||||
|
L |
B |
H |
H0 |
R |
d |
D |
l1 |
l2 |
t1 |
b1 |
t2 |
b2 |
L1 |
L0 |
n |
m |
h |
B1 |
C |
d1 |
|||||
|
1 |
NAD 200 |
4~5.6 |
540 540 |
355 |
345 |
180 |
165 |
50 40 |
60 |
82 82 |
105 |
53.5 43 |
14 12 |
64 |
18 |
220 |
25 |
90 |
20 |
18 |
280 |
90 |
18 |
85 |
2 |
|
6.3~9 |
|||||||||||||||||||||||||
|
2 |
NAD 224 |
4~5.6 |
610 610 |
400 |
385 |
200 |
185 |
55 45 |
70 |
82 82 |
105 |
59 48.5 |
16 14 |
74.5 |
20 |
240 |
30 |
95 |
25 |
20 |
310 |
105 |
20 |
120 |
3 |
|
6.3~9 |
|||||||||||||||||||||||||
|
3 |
NAD 250 |
4~5.6 |
680 657 |
460 |
435 |
225 |
215 |
60 50 |
80 |
105 82 |
130 |
64 53.5 |
18 14 |
85 |
22 |
290 |
30 |
120 |
25 |
20 |
360 |
120 |
20 |
160 |
4 |
|
6.3~9 |
|||||||||||||||||||||||||
|
4 |
NAD 280 |
4~5.6 |
750 727 |
500 |
465 |
235 |
230 |
65 55 |
100 |
105 82 |
165 |
69 59 |
18 16 |
106 |
28 |
300 |
35 |
120 |
30 |
23 |
410 |
130 |
22 |
230 |
6 |
|
6.3~9 |
|||||||||||||||||||||||||
|
5 |
NAD 315 |
4~5.6 |
800 800 |
560 |
525 |
265 |
260 |
75 60 |
120 |
105 105 |
165 |
79.5 64 |
20 18 |
127 |
32 |
320 |
35 |
130 |
30 |
25 |
470 |
140 |
22 |
360 |
8 |
|
6.3~9 |
|||||||||||||||||||||||||
|
6 |
NAD 355 |
4~5.6 |
895 875 |
630 |
590 |
300 |
290 |
85 60 |
140 |
130 105 |
200 |
90 69 |
22 18 |
148 |
36 |
380 |
38 |
155 |
35 |
28 |
520 |
170 |
26 |
420 |
10 |
|
6.3~9 |
|||||||||||||||||||||||||
|
7 |
NAD 400 |
4~5.6 |
979 954 |
710 |
660 |
335 |
325 |
95 75 |
150 |
130 105 |
200 |
100 79.5 |
25 20 |
158 |
36 |
400 |
38 |
165 |
35 |
35 |
600 |
210 |
26 |
547 |
14 |
|
6.3~9 |
|||||||||||||||||||||||||
|
8 |
NAD 450 |
4~5.6 |
1135 1100 |
800 |
745 |
375 |
370 |
110 80 |
170 |
165 130 |
240 |
116 85 |
28 22 |
179 |
40 |
460 |
60 |
180 |
50 |
35 |
670 |
220 |
33 |
755 |
20 |
|
6.3~9 |
|||||||||||||||||||||||||
|
9 |
NAD 500 |
4~5.6 |
1250 1215 |
900 |
835 |
425 |
410 |
120 90 |
200 |
165 130 |
280 |
127 95 |
32 25 |
210 |
45 |
500 |
80 |
200 |
50 |
40 |
770 |
240 |
33 |
1095 |
26 |
|
6.3~9 |
|||||||||||||||||||||||||
|
10 |
NAD 560 |
4~5.6 |
1355 1320 |
1020 |
950 |
480 |
470 |
130 100 |
220 |
200 165 |
280 |
137 106 |
32 28 |
231 |
50 |
580 |
78.5 |
230 |
60 |
40 |
880 |
300 |
38 |
1510 |
34 |
|
6.3~9 |
|||||||||||||||||||||||||
|
注:外形、安装尺寸资料来自荆州市巨鲸传动机械有限公司,后面各表均同。 |
|||||||||||||||||||||||||

