|
圆柱塑料齿轮注射模结构图 |
|||||||||||||||||||||||
|
双 联 直 齿 轮 注 射 模 结 构 图 |
齿 轮 参 数 和 产 品 图 |
|
|
||||||||||||||||||||
|
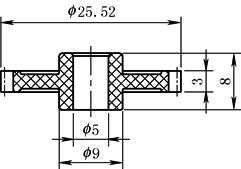
图a为POM-M90塑料齿轮产品图,双联齿轮参数见右上表,其中有关齿轮尺寸公差和位置度要求未标注 |
|||||||||||||||||||||||
|
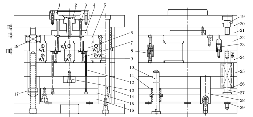
双 联 直 齿 轮 一 模 四 腔 注 射 模 结 构 图 |
(b)双联直齿轮一模四腔注射模结构图 1—定位圈;2—浇口套;3—拉料销;4—脱料板镶件;5—流道镶件;6—定模镶件;7—型芯;8—尼龙锁模器;9—动模镶件; 10—推板导柱;11—推板导套;12—顶杆;13—限位柱;14—垫块;15—顶杆固定板;16—顶板;17—拉杆;18,26—弹簧;19—定距拉杆; 20—定模座板;21—脱料板;22—定模板;23—尼龙锁模器;24—动模板;25—支承板;27—复位杆;28—支承柱;29—垃圾钉 本齿轮注射模结构如图b所示,为点浇口、一模四腔、三板式注射模。大小齿轮型腔为整体结构,采用锥度精定位装置、尼龙锁模器,上、下顶板导柱-导套、设置有垫板支承柱,模具结构紧凑。注射模开模过程如下:在弹簧18的作用下,脱料板21与定模板22首先在分型面Ⅰ处打开,拉料销3使浇口料头与制品脱离。随着机床继续开模运动,在尼龙锁模器8与定距拉杆19的共同作用下,脱料板21与定模座板22在分型面Ⅱ处打开,将浇口料头从拉料销3上拉脱。进而,在定距拉杆17的拖动下,将定模板与动模板在分型面Ⅲ处分离打开;再机床打杆通过顶杆12将齿轮从模具型腔中顶出 |
||||||||||||||||||||||
|
斜 齿 轮 注 射 模 结 构 图 |
齿 轮 参 数 和 产 品 图 |
(c)斜齿轮产品图 |
|
||||||||||||||||||||
|
图c为PA66(101LNC010)斜齿轮产品图,齿形参数见右上表,其中有关斜齿轮尺寸公差和位置度要求未标注 |
|||||||||||||||||||||||
|
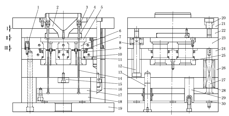
斜 齿 轮 一 模 二 腔 注 射 模 结 构 图 |
(d)斜齿轮一模二腔注射模结构图 1—尼龙锁模器;2—定位圈;3—拉料销;4—脱料板镶件;5—流道镶件;6—定模镶件;7—斜齿轮型腔;8,28—弹簧; 9—轴承;10—钢珠;11—动模镶件;12—拉杆;13—推板导柱;14—顶杆;15—限位柱;16—垫块;17—顶杆固定板;18—顶板; 19—动模座板;20—定距螺钉;21—定模座板;22—脱料板;23—定模板;24—动模板;25—型芯固定座;26—支承板; 27—复位杆;29—支承柱;30—垃圾钉 模具结构如图d所示,为一模四腔三板式注射模。采用锥度精定位装置、尼龙锁模器,上、下顶板导柱-导套、设置有垫板支承柱,模具结构紧凑。在注塑开模过程中,各模板的分型顺序,也与双联直齿轮注射模基本相同。本模具的特点是斜齿轮型腔7安装在轴承9内,在型腔下端凸台与定模板凹台之间还有带保持圈的一组钢球起止推作用。斜齿轮型腔与动模镶件11配合孔之间要有一定间隙,保证在推杆顶出脱模过程中,齿轮型腔能灵活自如回转 |
||||||||||||||||||||||




