|
机体结构 |
|
|
机体结构如何设计取决于制造工艺、安装使用、维修及经济性等方面的要求。按制造工艺不同来划分,有铸造机体和焊接机体。中小规格的机体在成批生产时多采用铸铁件,而单件生产或机体规格较大时多采用焊接方法制造 按安装方式不同来划分,有卧式、立式和法兰式。按结构不同又分为整体式和剖分式。各种机体的结构如图1所示。其中图a为卧式二级整体铸铁机体,其结构简单、紧凑,常用于专用设计或专用系列设计中。图b为二级分段式铸铁机体,其结构较复杂,刚性差,加工工时多,常用于系列设计中,对成批和大量生产有利。图c为立式法兰式安装机体,成批生产时多为铸件,单件生产时多为焊接件。图d为卧式底座安装、轴向剖分式结构,常用在大规格、单件生产场合,可以铸造,也可以焊接。图e所示其齿圈即为机体,连接部分可为铸件,也可为焊接件
图1 机体结构 铸铁机体各部尺寸(如图2所示)可按表1中所列的经验公式确定,其中壁厚δ按表2选定或按下式计算:
式中 Kt——机体表面形状系数,当无散热筋时取Kt=1,有散热筋时取Kt=0.8~0.9; Kd——与内齿圈直径有关的系数,当内齿圈分度圆直径db≤650mm时,取Kd=1.8~2.2,当db>650mm时,取Kd=2.2~2.6; TD——作用于机体上的转矩,N·m 机体表面散热筋尺寸按3中所列的关系式确定 |
|
|
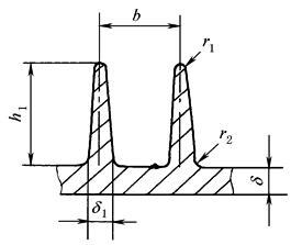
图2 机体结构尺寸代号 |
图3 散热筋尺寸 h1=(2.5~4)δ;b=2.5δ r1=0.25δ;r2=0.5δ;δ1=0.8δ |
|
表1 行星减(增)速器铸造机体结构尺寸 mm |
|
表2 铸造机体的壁厚 |
|||
|
名 称 |
代 号 |
计 算方 法 |
|
尺寸系数Kδ |
壁厚 δ/mm |
|
机体壁厚 |
δ |
见表2或 δ 计算公式 |
|
≤0.6 |
6 |
|
前机盖壁厚 |
δ2 |
δ2=0.8δ≥6 |
|
>0.6~0.8 |
7 |
|
后机盖壁厚 |
δ1 |
δ1=δ |
|
>0.8~1 |
8 |
|
机盖(机体)法兰凸缘厚度 |
δ3 |
δ3=1.25d1 |
|
>1.0~1.25 |
>8~10 |
|
加强筋厚度 |
δ4 |
δ4=δ |
|
>1.25~1.6 |
>10~13 |
|
加强筋斜度 |
|
2° |
|
>1.6~2.0 |
>13~15 |
|
机体宽度 |
B |
B≥4.5×齿轮宽度 |
|
>2.0~2.5 |
>15~17 |
|
机体内壁直径 |
D |
按内齿轮直径及固定方式确定 |
|
>2.5~3.2 |
>17~21 |
|
机体机盖紧固螺栓直径 |
d1 |
d1=(0.85-1) δ≥8 |
|
>3.2~4.0 |
>21~25 |
|
轴承端盖螺栓直径 |
d2 |
d2=0.8d1 ≥8 |
|
>4.0~5.0 |
>25~30 |
|
地脚螺栓直径 |
d |
|
|
>5.0~6.3 |
>30~35 |
|
机体底座凸缘厚度 |
h |
h=(1~1.5)d |
|
注:1.尺寸系数 mm,B为机体宽度mm。 2.对有散热片的机体,表中δ值应降低10%~20%。 3.表中δ 值适合于灰铸铁,对于其他材料可按性能适当增减。 4.对于焊接机体,表中δ 可作参考,一般应降低30%左右使用。 |
|
|
地脚螺栓孔的位置 |
c1 c2 |
c1=1.2d +(5~8) c2=d +(5~8) |
|
||
|
注:1.TD—作用于机体上的转矩N·m。 2.尺寸c1和 c2要按扳手空间要求校核。 3.本表尚未包括的其他尺寸。 4.对于焊接机体,表中的尺寸关系仅可作参考。 |
|
||||



