|
NW型传动配齿方法及齿数组合表 |
||||||||||||||||||||
|
图1 |
NW型传动通常取zA、zB为行星轮数目Cs的整数倍。常用传动方式为B轮固定,A轮主动,行星架输出。为获得较大传动比和较小外形尺寸,应选择zA、zD均小于zC。为使齿轮接近等强度,zC与zD之值相差越小越好。综合考虑,一般取zD=zC-(3~8)为宜 在NW传动中,若所有齿轮的模数及齿形角相同,且zA+zC=zB-zD,则由同心条件可知,其啮合角α'tAC=α'tBD。为了提高齿轮承载能力,可使两啮合角稍大于20°,以便A、D两轮进行正变位。选择齿数时,取zA+zC<zB-zD,但zB会因此增大,从而导致传动的外廓尺寸加大 |
|||||||||||||||||||
|
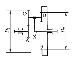
NW型传动按下列步骤配齿 ① 根据强度、运转平稳性和避免根切等条件确定太阳轮齿数zA,常取zA为Cs的倍数 ② 根据结构设计对两对齿轮副径向轮廓尺寸比值D1/D2(图1)的要求拟定Y值,再由传动比 各式计算iDB、iAC、β值和齿数zD、zB、zC
图2 根据 ③ 根据算出的齿数,按前述装配条件的两个限制条件对其进行调整并确定zD、zB和zC。为了使确定的齿数仍能满足同心条件,可以将其中一个行星轮的齿数zC留在最后确定,在确定该齿数zC时,要同时考虑同心条件,即对于非角变位齿轮传动: zC=zSAC-zA或zD=zB-zSΑC 对不等啮合角的角变位传动: zC=zSAC-zA-Δz或zD=zB-zSAC-Δz zSAC=zA+zC 式中 Δz——角变位要求行星轮C或D应减少的齿数,一般取Δz=1~2 ④ 校核传动比,同时根据表确定齿数应满足的条件中表校核邻接条件 |
||||||||||||||||||||
|
NW型行星齿轮传动常用传动比对应的齿轮齿数组合见表 |
||||||||||||||||||||
|
Cs=3的NW型行星传动的齿数组合 |
||||||||||||||||||||
|
|
zA |
zB |
zC |
zD |
|
zA |
zB |
zC |
zD |
|
zA |
zB |
zC |
zD |
|
zA |
zB |
zC |
zD |
|
|
7.000 |
21 |
63 |
28 |
14 |
7.857 |
18 |
108 |
48 |
42 |
8.821 |
18 |
111 |
52 |
41 |
11.880 |
21 |
102 |
56 |
25 |
|
|
7.000 |
12 |
54 |
24 |
18 |
7.867 |
18 |
111 |
49 |
44 |
8.824 |
12 |
57 |
28 |
17 |
·12.071 |
15 |
99 |
52 |
31 |
|
|
7.000 |
18 |
60 |
27 |
15 |
7.871 |
21 |
78 |
37 |
20 |
8.826 |
18 |
81 |
40 |
23 |
·12.131 |
18 |
102 |
55 |
28 |
|
|
7.000 |
18 |
81 |
36 |
27 |
·7.878 |
18 |
108 |
47 |
41 |
8.835 |
21 |
93 |
46 |
26 |
12.163 |
12 |
81 |
43 |
26 |
|
|
7.041 |
21 |
111 |
48 |
42 |
·7.888 |
15 |
87 |
38 |
32 |
·8.839 |
18 |
93 |
44 |
29 |
12.273 |
21 |
99 |
55 |
23 |
|
|
7.045 |
21 |
114 |
49 |
44 |
7.890 |
15 |
81 |
37 |
29 |
·8.845 |
12 |
78 |
35 |
29 |
12.284 |
15 |
99 |
53 |
31 |
|
|
7.053 |
21 |
105 |
46 |
38 |
·7.897 |
12 |
75 |
32 |
29 |
8.846 |
12 |
72 |
34 |
26 |
12.333 |
18 |
102 |
56 |
28 |
|
|
·7.055 |
21 |
87 |
38 |
26 |
7.905 |
15 |
96 |
41 |
38 |
8.846 |
18 |
108 |
51 |
39 |
12.371 |
12 |
90 |
47 |
31 |
|
|
·7.058 |
18 |
81 |
35 |
26 |
7.915 |
18 |
117 |
50 |
47 |
·8.892 |
15 |
81 |
38 |
26 |
12.500 |
12 |
87 |
46 |
29 |
|
|
·7.059 |
21 |
111 |
47 |
41 |
·7.936 |
21 |
96 |
44 |
29 |
8.895 |
18 |
108 |
50 |
38 |
12.529 |
15 |
105 |
56 |
34 |
|
|
7.071 |
21 |
102 |
45 |
36 |
7.943 |
18 |
93 |
43 |
32 |
8.906 |
12 |
69 |
33 |
24 |
·12.610 |
12 |
81 |
43 |
25 |
|
|
·7.088 |
12 |
54 |
23 |
17 |
7.957 |
21 |
84 |
40 |
23 |
8.933 |
18 |
102 |
49 |
35 |
12.667 |
18 |
105 |
58 |
29 |
|
|
7.097 |
15 |
78 |
34 |
29 |
7.971 |
18 |
78 |
37 |
23 |
8.965 |
21 |
99 |
49 |
29 |
12.688 |
15 |
102 |
55 |
32 |
|
|
·7.106 |
21 |
102 |
44 |
35 |
·7.982 |
12 |
51 |
23 |
14 |
8.994 |
18 |
87 |
43 |
26 |
·12.786 |
21 |
99 |
55 |
22 |
|
|
7.109 |
15 |
84 |
36 |
33 |
8.000 |
21 |
105 |
49 |
35 |
·9.000 |
12 |
69 |
32 |
23 |
12.867 |
12 |
93 |
49 |
32 |
|
|
7.111 |
15 |
75 |
33 |
27 |
·8.000 |
15 |
78 |
35 |
26 |
9.000 |
18 |
99 |
48 |
33 |
12.880 |
12 |
81 |
44 |
25 |
|
|
7.111 |
18 |
66 |
30 |
18 |
8.000 |
15 |
63 |
30 |
18 |
9.063 |
15 |
90 |
43 |
32 |
·13.115 |
12 |
84 |
45 |
26 |
|
|
·7.118 |
15 |
60 |
26 |
17 |
8.000 |
18 |
90 |
42 |
30 |
9.067 |
15 |
66 |
33 |
18 |
13.248 |
21 |
102 |
58 |
23 |
|
|
·7.125 |
15 |
84 |
35 |
32 |
8.028 |
18 |
69 |
33 |
18 |
9.100 |
12 |
54 |
27 |
15 |
13.284 |
15 |
102 |
56 |
31 |
|
|
7.143 |
21 |
96 |
43 |
32 |
·8.057 |
15 |
57 |
26 |
14 |
9.120 |
15 |
87 |
42 |
30 |
13.292 |
18 |
105 |
59 |
28 |
|
|
·7.154 |
15 |
75 |
32 |
26 |
8.065 |
21 |
102 |
48 |
33 |
9.138 |
12 |
63 |
31 |
20 |
·13.460 |
21 |
102 |
59 |
23 |
|
|
7.159 |
18 |
75 |
34 |
23 |
·8.069 |
18 |
90 |
41 |
29 |
9.195 |
18 |
93 |
46 |
29 |
13.517 |
15 |
99 |
55 |
29 |
|
|
·7.190 |
18 |
60 |
26 |
14 |
8.088 |
21 |
90 |
43 |
26 |
·9.200 |
15 |
87 |
41 |
29 |
13.641 |
18 |
102 |
58 |
26 |
|
|
7.200 |
15 |
69 |
31 |
23 |
8.125 |
12 |
57 |
27 |
18 |
9.211 |
18 |
108 |
52 |
38 |
·13.650 |
15 |
102 |
55 |
31 |
|
|
7.200 |
21 |
93 |
42 |
30 |
·8.134 |
21 |
102 |
47 |
32 |
9.229 |
15 |
72 |
36 |
21 |
13.672 |
12 |
90 |
49 |
29 |
|
|
7.205 |
21 |
81 |
37 |
23 |
8.143 |
18 |
75 |
36 |
21 |
9.264 |
18 |
105 |
51 |
36 |
13.688 |
15 |
105 |
58 |
32 |
|
|
7.222 |
18 |
96 |
42 |
36 |
·8.165 |
15 |
63 |
29 |
17 |
·9.282 |
15 |
66 |
32 |
17 |
·13.805 |
21 |
102 |
58 |
22 |
|
|
7.224 |
18 |
99 |
43 |
38 |
8.171 |
18 |
108 |
49 |
41 |
9.293 |
12 |
78 |
37 |
29 |
13.880 |
12 |
84 |
46 |
25 |
|
|
·7.248 |
18 |
96 |
41 |
35 |
8.178 |
18 |
114 |
51 |
45 |
9.308 |
15 |
81 |
40 |
26 |
13.897 |
15 |
111 |
61 |
35 |
|
|
7.250 |
18 |
90 |
40 |
32 |
8.179 |
18 |
105 |
48 |
39 |
9.323 |
18 |
90 |
45 |
27 |
·14.000 |
12 |
96 |
52 |
32 |
|
|
7.250 |
18 |
105 |
45 |
42 |
·8.215 |
18 |
105 |
47 |
38 |
9.330 |
12 |
60 |
30 |
18 |
·14.097 |
15 |
105 |
58 |
31 |
|
|
·7.255 |
18 |
66 |
29 |
17 |
·8.216 |
18 |
69 |
32 |
17 |
·9.333 |
18 |
105 |
50 |
35 |
·14.147 |
18 |
102 |
58 |
25 |
|
|
·7.260 |
18 |
105 |
44 |
41 |
8.229 |
15 |
69 |
33 |
21 |
9.333 |
12 |
75 |
36 |
27 |
14.200 |
15 |
99 |
56 |
28 |
|
|
·7.261 |
21 |
93 |
41 |
29 |
8.233 |
15 |
93 |
42 |
36 |
·9.357 |
12 |
54 |
26 |
14 |
·14.276 |
15 |
111 |
61 |
34 |
|
|
7.283 |
18 |
87 |
39 |
30 |
8.242 |
15 |
96 |
43 |
38 |
·9.400 |
15 |
72 |
35 |
20 |
14.323 |
15 |
105 |
59 |
31 |
|
|
7.286 |
18 |
72 |
33 |
21 |
8.251 |
21 |
96 |
46 |
29 |
·9.413 |
12 |
75 |
35 |
26 |
14.373 |
18 |
102 |
59 |
25 |
|
|
7.286 |
21 |
72 |
33 |
18 |
·8.263 |
15 |
93 |
41 |
35 |
9.422 |
18 |
99 |
49 |
32 |
14.494 |
15 |
111 |
62 |
34 |
|
|
7.286 |
15 |
66 |
30 |
21 |
·8.265 |
12 |
57 |
26 |
17 |
9.450 |
15 |
78 |
39 |
24 |
14.500 |
12 |
99 |
54 |
33 |
|
|
7.317 |
21 |
111 |
49 |
41 |
8.273 |
18 |
96 |
45 |
33 |
·9.462 |
18 |
90 |
44 |
26 |
14.600 |
15 |
102 |
58 |
29 |
|
|
7.330 |
21 |
108 |
48 |
39 |
8.280 |
15 |
84 |
39 |
30 |
9.500 |
12 |
69 |
34 |
23 |
·14.630 |
18 |
99 |
57 |
23 |
|
|
·7.361 |
21 |
108 |
47 |
38 |
·8.292 |
18 |
75 |
35 |
20 |
·9.529 |
12 |
60 |
29 |
17 |
14.663 |
12 |
87 |
49 |
26 |
|
|
7.367 |
21 |
78 |
36 |
21 |
8.313 |
18 |
81 |
39 |
24 |
9.533 |
18 |
96 |
48 |
30 |
14.686 |
18 |
105 |
61 |
26 |
|
|
7.374 |
21 |
87 |
40 |
26 |
8.328 |
12 |
75 |
34 |
29 |
·9.591 |
15 |
78 |
38 |
23 |
·15.086 |
15 |
102 |
58 |
28 |
|
|
·7.380 |
15 |
66 |
29 |
20 |
·8.333 |
18 |
96 |
44 |
32 |
9.600 |
15 |
87 |
43 |
29 |
15.329 |
15 |
102 |
59 |
28 |
|
|
7.384 |
21 |
102 |
46 |
35 |
8.333 |
12 |
72 |
33 |
27 |
9.643 |
12 |
66 |
33 |
21 |
15.467 |
18 |
105 |
62 |
25 |
|
|
7.404 |
18 |
81 |
37 |
26 |
·8.338 |
15 |
84 |
38 |
29 |
9.644 |
18 |
96 |
47 |
29 |
15.723 |
15 |
99 |
58 |
26 |
|
|
·7.413 |
12 |
69 |
29 |
26 |
·8.360 |
15 |
69 |
32 |
20 |
9.667 |
18 |
105 |
52 |
35 |
15.724 |
15 |
105 |
61 |
29 |
|
|
7.429 |
15 |
54 |
25 |
14 |
8.364 |
12 |
81 |
36 |
33 |
9.711 |
15 |
84 |
42 |
27 |
15.800 |
15 |
111 |
64 |
32 |
|
|
7.429 |
21 |
99 |
45 |
33 |
·8.383 |
12 |
81 |
35 |
32 |
9.758 |
18 |
102 |
51 |
33 |
15.849 |
12 |
111 |
61 |
38 |
|
|
7.475 |
15 |
84 |
37 |
32 |
8.400 |
15 |
78 |
37 |
26 |
9.800 |
15 |
62 |
34 |
17 |
16.029 |
18 |
102 |
61 |
23 |
|
|
·7.482 |
21 |
99 |
44 |
32 |
8.413 |
12 |
66 |
31 |
23 |
·9.800 |
12 |
66 |
32 |
20 |
·16.250 |
15 |
105 |
61 |
28 |
|
|
·7.500 |
21 |
78 |
35 |
20 |
8.414 |
18 |
90 |
43 |
29 |
·9.831 |
15 |
84 |
41 |
26 |
·16.250 |
12 |
111 |
61 |
37 |
|
|
7.500 |
15 |
90 |
39 |
36 |
·8.435 |
18 |
81 |
38 |
23 |
9.846 |
18 |
90 |
46 |
26 |
·16.277 |
15 |
111 |
64 |
31 |
|
|
7.500 |
21 |
84 |
39 |
24 |
8.438 |
21 |
102 |
49 |
32 |
·9.854 |
18 |
102 |
50 |
32 |
·16.312 |
15 |
99 |
58 |
25 |
|
|
7.500 |
18 |
78 |
36 |
24 |
8.485 |
18 |
114 |
52 |
44 |
·9.880 |
15 |
72 |
37 |
20 |
16.500 |
15 |
105 |
62 |
28 |
|
|
·7.514 |
15 |
90 |
38 |
35 |
8.488 |
18 |
111 |
51 |
42 |
·9.894 |
12 |
75 |
37 |
26 |
16.500 |
12 |
111 |
62 |
37 |
|
|
7.538 |
15 |
75 |
34 |
26 |
8.500 |
12 |
63 |
30 |
21 |
10.000 |
12 |
54 |
28 |
14 |
16.516 |
15 |
111 |
65 |
31 |
|
|
7.552 |
18 |
96 |
43 |
35 |
8.519 |
18 |
87 |
42 |
27 |
10.043 |
15 |
78 |
40 |
23 |
16.712 |
18 |
102 |
61 |
22 |
|
|
7.563 |
12 |
45 |
21 |
12 |
·8.520 |
18 |
111 |
50 |
41 |
10.118 |
12 |
60 |
31 |
17 |
16.954 |
15 |
102 |
61 |
26 |
|
|
7.567 |
21 |
93 |
43 |
29 |
8.522 |
18 |
105 |
49 |
36 |
10.310 |
12 |
81 |
40 |
29 |
17.232 |
18 |
105 |
64 |
23 |
|
|
7.576 |
18 |
93 |
42 |
33 |
8.543 |
21 |
99 |
48 |
30 |
·10.512 |
15 |
99 |
49 |
34 |
·17.457 |
15 |
108 |
64 |
28 |
|
|
7.578 |
18 |
111 |
42 |
45 |
8.556 |
18 |
102 |
48 |
36 |
10.625 |
12 |
63 |
33 |
18 |
·17.592 |
15 |
102 |
61 |
25 |
|
|
·7.587 |
18 |
111 |
47 |
44 |
8.600 |
15 |
57 |
28 |
14 |
10.706 |
15 |
99 |
50 |
34 |
17.714 |
15 |
108 |
65 |
28 |
|
|
·7.594 |
18 |
78 |
35 |
23 |
·8.609 |
15 |
75 |
35 |
23 |
·10.838 |
15 |
105 |
52 |
37 |
17.864 |
15 |
102 |
62 |
25 |
|
|
·7.609 |
21 |
84 |
38 |
23 |
8.610 |
18 |
102 |
47 |
35 |
10.857 |
12 |
69 |
36 |
21 |
17.914 |
12 |
111 |
64 |
35 |
|
|
·7.620 |
18 |
93 |
41 |
32 |
·8.613 |
12 |
63 |
29 |
20 |
·10.882 |
12 |
63 |
32 |
17 |
18.097 |
15 |
111 |
67 |
29 |
|
|
7.632 |
21 |
108 |
40 |
38 |
8.617 |
15 |
93 |
43 |
35 |
10.884 |
12 |
81 |
41 |
28 |
·18.179 |
12 |
111 |
65 |
35 |
|
|
7.667 |
18 |
60 |
28 |
14 |
·8.622 |
18 |
87 |
41 |
26 |
11.000 |
12 |
78 |
40 |
26 |
18.231 |
15 |
105 |
64 |
26 |
|
|
7.667 |
18 |
87 |
40 |
29 |
8.636 |
15 |
90 |
42 |
33 |
11.027 |
15 |
105 |
53 |
37 |
·18.333 |
15 |
108 |
65 |
27 |
|
|
7.686 |
18 |
66 |
31 |
17 |
·8.640 |
21 |
99 |
47 |
29 |
11.103 |
15 |
102 |
52 |
35 |
·18.412 |
12 |
111 |
64 |
34 |
|
|
·7.714 |
21 |
105 |
47 |
35 |
8.659 |
15 |
63 |
31 |
17 |
·11.349 |
18 |
105 |
55 |
31 |
·18.707 |
15 |
111 |
67 |
28 |
|
|
·7.758 |
21 |
90 |
41 |
26 |
8.667 |
18 |
69 |
34 |
17 |
11.400 |
15 |
102 |
52 |
34 |
18.879 |
12 |
102 |
61 |
29 |
|
|
7.769 |
12 |
45 |
20 |
13 |
·8.688 |
15 |
90 |
41 |
32 |
11.500 |
12 |
63 |
34 |
17 |
·19.518 |
12 |
102 |
61 |
28 |
|
|
7.777 |
21 |
99 |
46 |
32 |
8.708 |
18 |
75 |
37 |
20 |
11.538 |
18 |
105 |
56 |
31 |
19.821 |
12 |
102 |
62 |
28 |
|
|
7.800 |
18 |
72 |
34 |
20 |
8.724 |
15 |
84 |
40 |
29 |
·11.552 |
18 |
102 |
54 |
29 |
20.367 |
12 |
111 |
67 |
32 |
|
|
7.800 |
12 |
51 |
24 |
15 |
8.750 |
18 |
93 |
45 |
30 |
11.600 |
15 |
102 |
53 |
34 |
·20.992 |
12 |
111 |
67 |
31 |
|
|
7.820 |
15 |
60 |
31 |
20 |
8.800 |
15 |
81 |
39 |
27 |
11.638 |
12 |
69 |
37 |
20 |
21.290 |
12 |
111 |
68 |
31 |
|
|
7.856 |
12 |
69 |
31 |
26 |
8.800 |
12 |
73 |
36 |
30 |
11.725 |
15 |
99 |
52 |
32 |
21.923 |
12 |
102 |
64 |
26 |
|
|
7.857 |
15 |
90 |
40 |
35 |
8.805 |
12 |
81 |
37 |
32 |
11.747 |
18 |
102 |
55 |
29 |
|
|
|
|
|
|
|
注:1.本表zA及zB都是3的倍数,适用于Cs=3的行星传动。个别组的zA、zB也同时是2的倍数,也可适用于Cs=2的行星传动。 2.带“·”记号者,zA+zC≠zB-zD,用于角变位传动;不带“·”者,zA+zC=zB-zD,可用于高变位或非变位传动。 3.当齿数小于17且不允许根切时,应进行变位。 4.表中同一个 5.表中齿数系按模数mtA=mtB条件列出。 |
||||||||||||||||||||



