|
蜗杆、蜗轮的结构 |
|||
|
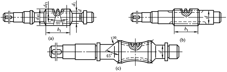
蜗杆一般与轴制成一体(下图),只在个别情况下 df1-(2~4)mm(下图a);铣制的蜗杆和环面蜗杆,轴径d可大于df1(下图b、c)
蜗杆的结构 蜗轮的典型结构见下表 |
|||
|
蜗轮的几种典型结构 |
|||
|
结构型式 |
图 例 |
公 式 |
特点及应用范围 |
|
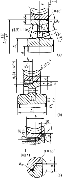
轮 箍 式 |
|
e≈2m f≈2~3mm d0≈(1.2~1.5)m l≈3d0≈(0.3~0.4)b l1≈l+0.5d0 α0=10° b1≥1.7m D1=(1.6~2)d L1=(1.2~1.8)d K=e=2m d'0——由螺栓组的计算确定 |
青铜轮缘与铸铁轮心通常采用 为了防止轮缘的轴向窜动,除加台肩外,还可用螺钉固定,如图b、c所示 轮缘和轮心的结合形式及轮心辐板的结构形式可根据具体情况选择 轴向力的方向尽量与装配时轮缘压入的方向一致 |
|
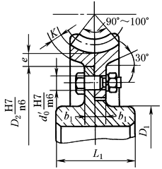
螺 栓 连 接 式 |
|
e≈2m f≈2~3mm d0≈(1.2~1.5)m l≈3d0≈(0.3~0.4)b l1≈l+0.5d0 α0=10° b1≥1.7m D1=(1.6~2)d L1=(1.2~1.8)d K=e=2m d'0——由螺栓组的计算确定 |
以光制螺栓连接,轮缘和轮心螺栓孔要同时铰制。螺栓数量按剪切计算确定,并以轮缘受挤压校核轮缘材料,许用挤压应力σpp=0.3σs(σs——轮缘材料屈服点) |
|
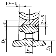
镶 铸 式 |
|
|
青铜轮缘镶铸在铸铁轮心上,并在轮心上预制出凸键,以防滑动。凸键的宽度及数量视载荷大小而定;此结构适用于大批量生产 |
|
整 体 式 |
|
适用于直径小于100mm的青铜蜗轮和任意直径的铸铁蜗轮 |
|






