|
新型锥齿轮特征及齿形制 |
|
“非零”分度锥综合变位曲线齿轮副是在分度圆锥上作径向与切向综合变位,变位系数和不为零,且轴交角不改变的曲线齿锥齿轮。其特征为: 1) 在分度圆锥上进行综合变位,变位后分度圆锥与节圆锥相互分离。设两者锥角为δ和δ',则有 Δδ=δ'-δ≠0 2) 综合变位可在端面辅助圆锥上,或其展开面(当量端面极薄的圆柱齿轮副)上表示,其变位值不为零。设综合变位系数和为xh,则有: xh=xS+0.5xtScosαt≠0 式中 xS——径向变位系数之和,xS=x1+x2; xtS——切向变位系数之和,xtS=xt1+xt2; αt——端面分度圆上的压力角 3) 变位前后的轴交角不改变。综合径向变位的主体是径向变位。径向角变位的结构特征是:节锥不变,分锥变位,变位后两锥分离。两锥分离的形式可以有共锥顶和异锥顶等三种形式,如图1所示(图中O1、O2为分锥锥顶,O' 为节锥锥顶)。每种形式都可形成一副基本三角结构。以共锥顶方式为例(图2a),设节圆半径为r',分度圆半径为r,Δr=r'-r,则当: xS>0时,Δr>0,分锥缩小,称为“缩式”; xS<0时,Δr<0,分锥扩大,称为“扩式”
图1 两锥分离的形式(以xh>0为例) 在基本三角形结构(参看图2)的基础上,可沿节锥母线向内截取或向外延长到某一点P,过P作与 线 生的位似图形有许多种,但可以分为两类。设派生结构的锥距为R',基本结构的锥距为R0,ΔR=R'-R0,则 当P点远离锥顶O时,ΔR>0,图形放大,称为“大式”; 当P点靠近锥顶O时,ΔR<0,图形缩小,称为“小式” 其中 当
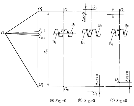
图2 共锥顶的基本三角形结构 4) 在“非零”变位的曲线齿锥齿轮副中,采用“任意值”的切向变化,即:xtS为任意设计值 这种任意值的切向变位,除了平衡强度外,还可以缓冲尖顶和根切现象 切向变位就是产生冠轮的当量齿轮(B1、B2)即齿条刀具沿切线方向移位,其移位量Δt=xtm,亦即在展成运动中,切出的齿轮沿齿厚方向有增量Δs(参看图3)。切向变位系数之和有两种情况 ① xtS=0,为普通锥齿轮的零切向变位,其正增量和负增量互相补偿,齿距p不变,当量中心距 ② xtS≠0,为非零切向变位,它使齿距p改变,因为当量中心距也必然改变。切向的xtS(通过齿条副的啮合关系)折算到沿中心距的径向变动总量为: x'S=Δα'=0.5xtScotαt
图3 任意切向变位和的组成形式 5) 如径向变位与切向变位综合,沿径向的总变位系数为xh,则有 xh=xS+x'S=xS+0.5xtScotαt≠0 设径向变位与切向变位综合后,沿切向分配在配对齿轮齿厚上的总变位系数为xs,则
或沿分度圆上渐开线齿距的增量系数为 ΔP=2xStanαt+xtS 综合变位后,分度锥与节锥分离,分离后两锥上的压力角不相同,其压力角的渐开线函数之差为
式中 zvm——锥齿轮副的平均当量齿数 综合变位后,端面当量齿轮副的中心距变动系数为 y=(Ca-1)zvm 式中 Ca——综合变位后与变位前的中心距之比 综合变位后,反变位系数为 σ=xΣ-y σ值不受传统变位规律(σ>0)的限制,它可以是任意值,即 σ≥0或σ<0 关于“非零”变位原理的详细介绍可参看参考文献[1] 6) 本齿形制有如下优点: ① 可以针对不同工况、不同失效形式,提出不同的目标函数,获得高强度(一般取xh>0) ② 可在要求高综合强度的条件下获得长寿命与高可靠性(一般取xh>0) ③ 可以以提高总重合度(εγ>2甚至εγ>3)为目标,获得低噪声,高承载能力(一般取xh<0) ④ 可以在无根切,强度平衡的条件下减少齿数(z1<5甚至z1=3)(一般取xh>x1min+x2min>0) ⑤ 适应于各种带直刃(齿条)形工具、用展成法切齿的锥齿轮加工机床所提供的各种齿线(直齿、斜齿、弧齿、摆线)和各种齿高式(收缩、等高)的锥齿轮 7) 在选取变位系数时亦可采用封闭图。图4为两个封闭图的例子,其坐标分别为x1、x2和xt1、xt2,表示无干涉、无根切、无齿顶变尖和连续啮合(εα>1.1)
图4 用两个封闭图优选非零变位系数 表“非零”分度锥综合变位锥齿轮的几何计算公式为“非零”分度锥综合变位锥齿轮的几何计算公式 |




