|
直齿锥齿轮传动的几何计算 |
|||||||||||||||
|
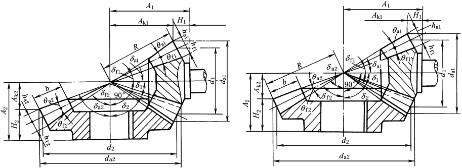
等顶隙收缩齿(S=90°) 不等顶隙收缩齿(S=90°) |
|||||||||||||||
|
项目 |
计 算 公 式 及 说 明 |
||||||||||||||
|
小 齿 轮 |
大 齿 轮 |
||||||||||||||
|
齿形角α |
根据所选定的齿形制,按表锥齿轮的变位与齿形制中表确定 |
||||||||||||||
|
齿顶高系数ha* |
|||||||||||||||
|
顶隙系数c* |
|||||||||||||||
|
大端端面模数m |
根据强度计算或类比法确定,并按表标准系列模数取标准值 |
||||||||||||||
|
齿数比u |
|
||||||||||||||
|
齿数z |
1.通常z1=16~30
3.选取最少齿数时可参考表锥齿轮的最少齿数zmin和最少齿数和zSmin 4.当分度圆直径确定之后,推荐按图2选取z1 |
||||||||||||||
|
变位系数x,xt |
1.对于u=1:x1=x2=0,xt1=xt2=0
3.对于埃尼姆斯齿制:x1按表直齿锥齿轮高变位系数x1选取,x2=-x1;xt1按表直齿锥齿轮切向变位系数xt1,xt2=-xt1 |
||||||||||||||
|
节锥角δ |
|
δ2=S-δ1 |
|||||||||||||
|
分度圆直径d |
d1=mz1 |
d2=mz2 |
|||||||||||||
|
锥距R |
|
||||||||||||||
|
齿宽系数f R |
|
||||||||||||||
|
齿宽b |
b=f RR,但不得大于10m |
||||||||||||||
|
齿顶高ha |
|
|
|||||||||||||
|
齿高h |
|
||||||||||||||
|
齿根高hf |
hf1=h-ha1 |
hf2=h-ha2 |
|||||||||||||
|
齿顶圆直径da |
da1=d1+2ha1cosδ1 |
da2=d2+2ha2cosδ2 |
|||||||||||||
|
齿根角θf |
|
|
|||||||||||||
|
齿 顶 角 θa |
不等顶隙收缩齿 |
|
|
||||||||||||
|
等顶隙收缩齿 |
θa1=θf2 |
θa2=θf1 |
|||||||||||||
|
顶锥角δa |
δa1=δ1+θa1 |
δa2=δ2+θa2 |
|||||||||||||
|
根锥角δf |
δf1=δ1-θf1 |
δf2=δ2-θf2 |
|||||||||||||
|
安装距A |
按结构确定 |
||||||||||||||
|
外锥高AK |
|
|
|||||||||||||
|
支承端距H |
H1=A1-Ak1 |
H2=A2-Ak2 |
|||||||||||||
|
齿距p |
p=πm |
||||||||||||||
|
分度圆弧齿厚s |
|
s2=p-s1 |
|||||||||||||
|
分度圆弦齿厚 |
|
|
|||||||||||||
|
分度圆弦齿高 |
|
|
|||||||||||||
|
当量齿数zv |
|
|
|||||||||||||
|
端面重合度εα |
|
||||||||||||||
|
εα可由图3查出 |
|||||||||||||||
|
图1 直齿及零度弧齿锥齿轮切向变位系数xt(格里森齿制,α=20°)
图2 直齿及零度弧齿锥齿轮小轮齿数z1
图3 锥齿轮的端面重合度εα(α=20°) 注:1.对直齿轮,按zv1和zv2查出εα1和εα2,εα=εα1+εα2 2.对曲线齿,按zv1和zv2查出εα1和εα2,εα=K(εα1+εα2),K值如下
|
|||||||||||||||







