|
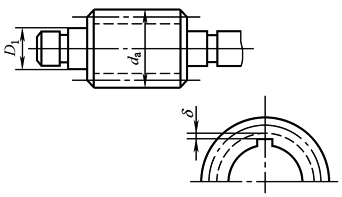
圆柱齿轮结构 mm |
|||||
|
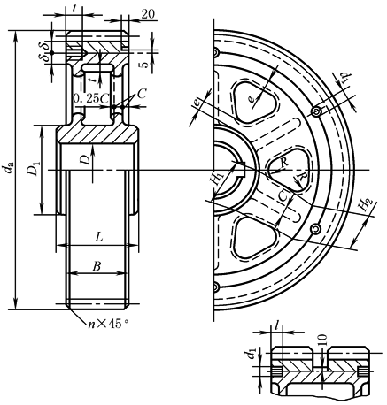
结构 形式 |
轴 齿 轮 |
锻 造 齿 轮 |
|||
|
适用 条件 |
da<2D1或δ<2.5mt |
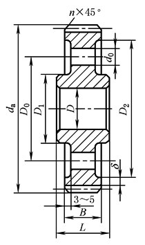
da≤200 |
da≤500 |
||
|
结 构 图 |
|
|
|
||
|
尺 寸 |
D1 |
|
1.6D |
||
|
L |
|
(1.2~1.5)D,L≥B |
|||
|
δ |
|
2.5mn,但不小于8~10 |
(2.5~4)mn,但不小于8~10 |
||
|
C |
|
|
0.3B(自由锻),(0.2~0.3)B(模锻) |
||
|
D0 |
|
0.5(D1+D2) |
|||
|
d0 |
|
0.25(D2-D1),当d0<10时不必作孔 |
|||
|
n |
|
0.5mn |
|||
|
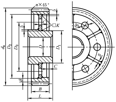
结构 形式 |
铸 造 齿 轮 |
||||
|
适用 条件 |
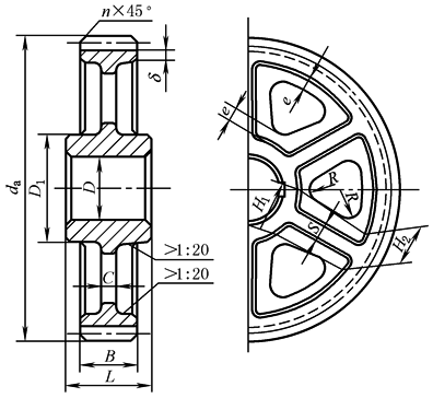
平腹板:da≤500, 斜腹板:da≤600 |
da=400~1000 B≤200 |
da>1000,B=200~450(上半部) B>450(下半部) |
||
|
结 构 图 |
|
|
|
||
|
尺 寸 |
D1 |
1.6D(铸钢),1.8D(铸铁) |
|||
|
L |
(1.2~1.5)D,L≥B |
||||
|
δ |
(2.5~4)mn,但不小于8 |
||||
|
H1 |
|
0.8D |
|||
|
H2 |
|
0.8H1 |
|||
|
C |
0.2B,但不小于10 |
H1/5,但不小于10 |
|||
|
S |
|
H1/6,但不小于10 |
|
||
|
e |
|
(0.8~1.0)δ |
|||
|
D0 |
0.5(D1+D2) |
|
|||
|
d0 |
0.25(D2-D1) |
|
|||
|
R |
|
按靠近轮毂的部分用单圆弧连接的条件决定 |
|||
|
t |
|
|
0.8 e |
||
|
n |
0.5 mn |
||||
|
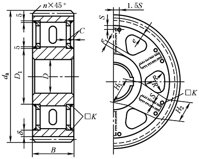
结构 形式 |
镶 圈 齿 轮 |
焊 接 齿 轮 |
|||
|
适用 条件 |
da>600 |
da<1000,B<240 |
da>1000,B>240 |
||
|
结 构 图 |
|
|
|
||
|
尺 寸 |
D1 |
1.6D(铸钢),1.8D(铸铁) |
1.6D |
||
|
L |
(1.2~1.5)D,L≥B |
||||
|
δ |
4mn,但不小于15 |
2.5mn,但不小于8 |
|||
|
H1 |
0.8D |
|
0.8D |
||
|
H2 |
0.8H1 |
|
0.8H1 |
||
|
C |
0.15B |
(0.1~0.15)B,但不小于8 |
|||
|
S |
|
0.8 C |
|||
|
e |
(0.8~1.0)δ |
|
0.2D |
||
|
D0 |
|
0.5(D1+D2) |
|
||
|
d0 |
|
0.25(D2-D1),当d2<10时不必作孔 |
|
||
|
R |
按靠近轮毂部分用单圆弧连接的条件决定 |
|
按靠近轮毂的部分用单圆弧连接的条件决定 |
||
|
t |
0.8 e |
|
|||
|
n |
0.5 mn |
||||
|
d1 |
(0.05~0.1)D |
|
|||
|
l |
3d1 |
|
|||
|
K |
|
0.67C |
|||
|
结构 形式 |
剖 分 式 齿 轮 |
||||
|
结 构 图 |
|
|
|
||
|
说 明 |
1.轮辐数和齿数应取偶数 2.剖分轮辐的尺寸: |
|
|
||
|
D1=1.8d δ0=(4~5)mt H1=0.8H H3=0.8H2 S=0.8c e=1.5δ0 |
1.5d>l≥b H=0.8d H2=(1.4~1.5)H c=0.2b S1=0.75S n=0.5mn |
||||
|
3.连接螺栓直径d1按下值选取: |
|||||
|
连 接 螺 栓 位 置 |
单排螺栓(B<100mm) |
双排螺栓(B>100mm) |
|||
|
轮 缘 处 |
根 据 计 算 确 定 |
||||
|
轮 毂 处 |
d1=0.15D +(8~15)mm |
d1=0.12D +(8~15)mm |
|||
|
4.连接螺栓应尽量靠近轮缘或轴线;在轮缘处用双头螺柱;在轮毂处若螺栓为单排、轮辐数大于4,应采用双头螺柱;若螺栓为双排,可采用螺栓 |
|||||
|
注:1. 为便于装配,通常小齿轮的齿宽B比大齿轮宽5~10mm。 2. 当L≥D>100mm时,轮毂孔内中部可以制出一个凹槽,其直径D' =D +6mm,长度 3. 镶圈式结构齿圈与铸铁轮心的配合过盈推荐按表钢制齿圈与铸铁轮心配合的推荐过盈选取。 4. 用滚刀切制人字齿轮时,中间退刀槽尺寸见表标准滚刀切制人字齿轮的中间退刀槽尺寸。 |
|||||












