|
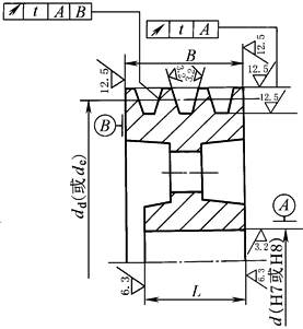
带轮的圆跳动公差t mm |
||||||||||
|
|
普通V带轮(GB/T 10412—2002) |
|||||||||
|
dd或de |
|
dd或de |
|
dd或de |
|
|||||
|
≥20~100 ≥106~160 ≥170~250 |
0.2 0.3 0.4 |
≥265~400 ≥425~630 ≥670~1000 |
0.5 0.6 0.8 |
≥1060~1600 ≥1800~2500
|
1.0 1.2
|
|||||
|
基准宽度制窄V带轮(GB/T 10412—2002) |
||||||||||
|
63~100 106~160 170~250 |
0.2 0.3 0.4 |
265~400 450~630 710~1000 |
0.5 0.6 0.8 |
1120~1600 1800~2000
|
1 1.2
|
|||||
|
有效宽度制窄V带轮(GB/T 10413—2002) |
||||||||||
|
de |
径向圆 跳动t1 |
轴向圆 跳动t2 |
de |
径向圆 跳动t1 |
轴向圆 跳动t2 |
|||||
|
de≤125 |
0.2 |
0.3 |
1000<de≤1250 |
0.8 |
1 |
|||||
|
125<de≤315 |
0.3 |
0.4 |
1250<de≤1600 |
1 |
1.2 |
|||||
|
315<de≤710 |
0.4 |
0.6 |
1600<de≤2500 |
1.2 |
1.2 |
|||||
|
710<de≤1000 |
0.6 |
0.8 |
|
|
|
|||||
|
注:轴向圆跳动的测量位置见表轮槽截面尺寸图中的Δe处。 |
||||||||||

