|
滚珠丝杠副防逆转措施 |
|
||||||||||||||||||||||||||
|
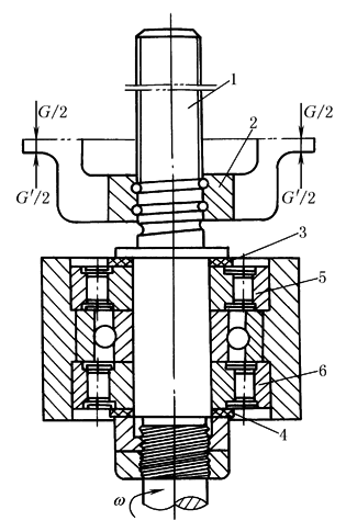
滚珠丝杠副由于传动效率高,不能自锁,在用于垂直方位传动时,如果部件重量没有平衡,必须防止当传动停止或电机断电后,因部件自重而产生的逆转动。防逆转可以采用超越离合器或不能逆传动的驱动电机,也可以采用不能逆转的传动装置(如可以自锁的蜗杆传动)以及电磁或液压制动器。目前国内已有专业加工厂生产多种适合防止滚珠丝杠副逆转的超越离合器 图1所示为典型的单向超越离合器结构简图,当星形轮4(内环)有顺时针转动的趋势(即逆转)时,若在外环1上施加一个适当的阻力矩使其大于逆转力矩,即可防止与内环4装在一起的滚珠丝杠顺时针方向逆转,而只允许丝杠作逆时针方向的转动。当要防止滚珠丝杠副双向逆转时可以采用图2所示的结构,图中G表示作用于滚珠螺母2部件的重力,G' 表示作用在部件2上的平衡力,当G-G' >0时,则摩擦片3和单向离合器5就起制动作用,从而制止滚珠螺母向下移动;当G-G'<0时,摩擦片4和单向离合器6就起制动作用,制止滚珠螺母向上移动
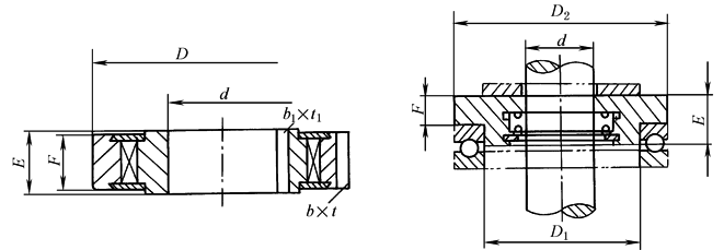
图1 单向超越离合器 图2 用两个单向离合器防止逆转动 1—外环;2—滚柱;3—弹簧; 1—滚珠丝杠;2—滚珠螺母; 4—星形轮(内环) 3,4—摩擦片;5,6—单向离合器 选择防逆转离合器的主要技术要求如下 ① Tc=KTmax≤Tn,其中,Tmax为工作最大转矩,Tn为防逆转离合器公称(或额定)转矩(见表1),工况系数K,较平稳载荷取1.25,较小冲击取1.75,较大冲击取2.5,剧烈冲击取5 ② 丝杠轴的轴径要与离合器的孔径一致 ③ 丝杠轴的最高转速nmax小于离合器的极限转速 ④ 规定离合器的锁止或解脱方向,并与电机转向适配 ⑤ 确定连接形式及连接尺寸 表1介绍了两种定型产品CKEA及CKEB型单向楔块超越离合器,前者内、外环均采用键连接,后者适用于配用推力球轴承的场合。CKE型离合器传递转矩为30~1000N·m,传动效率达94%~98% |
|
||||||||||||||||||||||||||
|
单向楔块超越离合器(兵器部202研究所) |
||||||||||||||||||||||||||
|
|
||||||||||||||||||||||||||
|
表1 mm |
||||||||||||||||||||||||||
|
型号 |
D (h7) |
E |
F |
d (H7) |
b×t |
b1×t1 |
公称转矩Tn /N·m |
|
|||||||||||||||||||
|
CKEA40 |
40 |
12 |
12 |
10 |
4×1.5 |
4×1.5 |
30 |
|
|||||||||||||||||||
|
CKEA45 |
45 |
12 |
12 |
15 |
4×1.8 |
4×1.5 |
50 |
|
|||||||||||||||||||
|
CKEA50 |
50 |
14 |
14 |
18 |
4×2.0 |
4×1.8 |
70 |
|
|||||||||||||||||||
|
CKEA55 |
54 |
14 |
14 |
20 |
6×2.2 |
6×2.0 |
80 |
|
|||||||||||||||||||
|
CKEA60 |
60 |
16 |
16 |
25 |
6×2.2 |
6×2.0 |
85 |
|
|||||||||||||||||||
|
CKEA62 |
62 |
16 |
16 |
28 |
6×2.5 |
6×2.2 |
90 |
|
|||||||||||||||||||
|
CKEA65 |
65 |
18 |
18 |
30 |
6×2.6 |
6×2.3 |
100 |
|
|||||||||||||||||||
|
CKEA75 |
75 |
18 |
18 |
40 |
6×2.6 |
6×2.3 |
120 |
|
|||||||||||||||||||
|
CKEA80 |
80 |
20 |
20 |
45 |
8×2.6 |
8×2.3 |
140 |
|
|||||||||||||||||||
|
CKEA85 |
85 |
20 |
20 |
50 |
8×2.6 |
8×2.3 |
180 |
|
|||||||||||||||||||
|
CKEA90 |
90 |
22 |
22 |
55 |
8×3.3 |
8×3.0 |
200 |
|
|||||||||||||||||||
|
CKEA100 |
100 |
22 |
22 |
60 |
8×3.3 |
8×3.0 |
300 |
|
|||||||||||||||||||
|
型号 |
D1 (js6) |
D2 |
E |
d (h6) |
F |
公称转矩Tn /N·m |
|
||||||||||||||||||||
|
CKEB65 |
45 |
65 |
21 |
20 |
8 |
30 |
|
||||||||||||||||||||
|
CKEB66 |
50 |
66 |
21 |
25 |
8 |
70 |
|
||||||||||||||||||||
|
CKEB78 |
55 |
78 |
21 |
30 |
8 |
50 |
|
||||||||||||||||||||
|
CKEB85 |
60 |
85 |
26 |
30 |
10 |
100 |
|
||||||||||||||||||||
|
CKEB90 |
65 |
90 |
27 |
40 |
10 |
70 |
|
||||||||||||||||||||
|
CKEB95 |
70 |
95 |
27 |
40 |
10 |
140 |
|
||||||||||||||||||||
|
CKEB100 |
75 |
100 |
28 |
50 |
10 |
170 |
|
||||||||||||||||||||
|
CKEB105 |
80 |
105 |
28 |
50 |
10 |
250 |
|
||||||||||||||||||||
|
CKEB110 |
85 |
110 |
28 |
65 |
10 |
300 |
|
||||||||||||||||||||
|
CKEB120 |
90 |
120 |
32 |
65 |
12 |
600 |
|
||||||||||||||||||||
|
CKEB135 |
100 |
135 |
34 |
70 |
12 |
800 |
|
||||||||||||||||||||
|
CKEB145 |
110 |
145 |
35 |
85 |
12 |
1000 |
|
||||||||||||||||||||
|
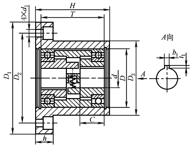
CKS型双向楔块超越离合器的型号和安装尺寸见表2,它配用两个向心球轴承及外壳,可供用户选用 无论采用单向或双向超越离合器,防止逆转均需配用阻尼摩擦片,推荐采用铁基粉末冶金、铜材或尼龙等 |
|
||||||||||||||||||||||||||
|
|
|
||||||||||||||||||||||||||
|
表2 双向超越离合器 mm |
|
||||||||||||||||||||||||||
|
型号 |
安装尺寸/mm |
公称转矩 Tn /N·m |
|
||||||||||||||||||||||||
|
离合器 |
壳体 |
|
|||||||||||||||||||||||||
|
d |
D |
T |
C |
b1 |
t1 |
D1 |
D2 |
D3 |
H |
h |
d1 |
|
|||||||||||||||
|
CKS70(42)×58-10 |
10 |
32 |
51 |
20 |
3 |
1.4 |
70 |
55 |
42 |
58 |
11 |
6.5 |
20 |
|
|||||||||||||
|
CKS75(45)×58-10 |
10 |
35 |
52 |
20 |
3 |
1.4 |
75 |
60 |
45 |
58 |
11 |
6.5 |
20 |
|
|||||||||||||
|
CKS75(45)×58-12 |
12 |
35 |
51 |
20 |
4 |
1.8 |
75 |
60 |
45 |
58 |
11 |
6.5 |
20 |
|
|||||||||||||
|
CKS75(45)×58-15 |
15 |
35 |
51 |
20 |
3 |
1.4 |
75 |
60 |
45 |
58 |
11 |
6.5 |
20 |
|
|||||||||||||
|
CKS95(57)×78-17 |
17 |
47 |
70 |
27 |
5 |
2.3 |
95 |
75 |
57 |
78 |
13 |
8.5 |
50 |
|
|||||||||||||
|
CKS105(62)×78-20 |
20 |
52 |
70 |
27 |
6 |
2.8 |
105 |
84 |
62 |
78 |
16 |
10.5 |
100 |
|
|||||||||||||
|
CKS115(74)×78-20 |
20 |
62 |
70 |
27 |
6 |
2.8 |
115 |
95 |
74 |
78 |
16 |
10.5 |
100 |
|
|||||||||||||
|
CKS115(74)×88-25 |
25 |
62 |
80 |
32 |
8 |
3.3 |
115 |
95 |
74 |
88 |
16 |
10.5 |
120 |
|
|||||||||||||
|
CKS132(88)×100-30 |
30 |
75 |
90 |
35 |
8 |
3.3 |
132 |
110 |
88 |
100 |
16 |
10.5 |
150 |
|
|||||||||||||
|
CKS145(94)×110-35 |
35 |
80 |
100 |
40 |
10 |
3.3 |
145 |
120 |
94 |
110 |
20 |
13 |
200 |
|
|||||||||||||
|
CKS155(102)×110-40 |
40 |
90 |
100 |
40 |
12 |
3.3 |
155 |
128 |
102 |
110 |
20 |
13 |
250 |
|
|||||||||||||
|
CKS160(110)×120-45 |
45 |
90 |
110 |
45 |
14 |
3.8 |
160 |
134 |
110 |
120 |
20 |
13 |
300 |
|
|||||||||||||
|
注:北京新兴超越离合器有限公司生产。 |
|
||||||||||||||||||||||||||




