|
内循环轧制Z及ZD型滚珠丝杠副尺寸及性能参数(山东济宁博特精密丝杠制造有限公司) |
||||||||||||||||||||
|
mm |
||||||||||||||||||||
|
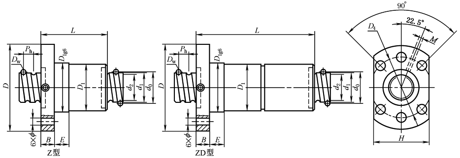
规格 代号 |
节圆 直径 d0 |
基本 导程 Ph |
钢球 直径 Dw |
丝杠 外径 d1 |
丝杠 底径 d2 |
循环 列数 |
螺母安装尺寸 |
油杯 M |
额定载荷/kN |
刚度R'nu /N·μm-1 |
||||||||||
|
D1 |
D |
D4 |
L |
B |
E |
H |
f |
动载荷 Co |
静载荷 Coa |
|||||||||||
|
Z |
ZD |
Z |
ZD |
|||||||||||||||||
|
1610-3×2 |
16.75 |
10 |
3.175 |
16 |
13.3 |
3 |
28 |
48 |
38 |
45 |
88 |
10 |
10 |
40 |
5.5 |
M6 |
5.961 |
9.862 |
118 |
236 |
|
2005-3 |
20.5 |
5 |
3.175 |
20 |
17 |
3 |
36 |
58 |
47 |
42 |
82 |
10 |
10 |
44 |
6.6 |
M6 |
8.392 |
17.254 |
193 |
387 |
|
2505-3 |
25.5 |
5 |
3.175 |
25 |
22 |
3 |
40 |
62 |
51 |
42 |
82 |
10 |
10 |
48 |
6.6 |
M6 |
9.563 |
22.620 |
240 |
480 |
|
2510-3 |
26 |
10 |
6.35 |
25 |
19 |
3 |
45 |
70 |
58 |
70 |
138 |
12 |
16 |
54 |
6.6 |
M6 |
20.054 |
35.062 |
211 |
422 |
|
注:1.1610-3×2是双头滚珠丝杠副。 2.本系列滚珠丝杠副的特点是:滚珠丝杠采用轧制工艺生产,感应淬火,硬度在Rc58度以上;同样的直径下,本系列滚珠丝杠副长度长,最长可达2m。 |
||||||||||||||||||||

