|
跳动和位置公差(GB/T 17587.3—1998) |
||||||||||||||||||
|
序号 |
简 图 |
检验项目 |
允 差 |
检验 工具 |
检验说明 参照GB/T 10931.1的有关条文 |
|||||||||||||
|
E5 |
|
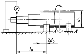
每l5长度处滚珠丝杠外径的径向跳动t5,用以确定相对于AA' 的直线度 |
定位或传动滚珠丝杠副 |
指示器、等高双V形铁 |
置滚珠丝杠于AA' 处两相同的V形铁上。调整指示器,使其测头在距离l5处垂直触及圆柱表面。缓缓转动丝杠,记下指示器读数变化。在规定的测量间隔重复检验 注:1.经商定允许将滚珠丝杠顶在中心孔上测量。此时l1应为丝杠总长 2.如果l1<2l5,可在l1/2处测量 |
|||||||||||||
|
公称直径 d0 /mm |
l5 /mm |
标准公差等级 |
||||||||||||||||
|
1 |
2 |
3 |
4 |
5 |
7 |
10 |
||||||||||||
|
l5长度上的t5p/μm |
||||||||||||||||||
|
≥6~12 |
80 |
20 |
22 |
25 |
28 |
32 |
40 |
80 |
||||||||||
|
>12~25 |
160 |
|||||||||||||||||
|
>25~50 |
315 |
|||||||||||||||||
|
>50~100 |
630 |
|||||||||||||||||
|
>100~200 |
1250 |
|||||||||||||||||
|
长径比l1/d0 |
l1≥4l5长度上的t5maxp/μm |
|||||||||||||||||
|
≤40 |
40 |
45 |
50 |
57 |
64 |
80 |
160 |
|||||||||||
|
>40~60 |
60 |
67 |
75 |
85 |
96 |
120 |
240 |
|||||||||||
|
>60~80 |
100 |
112 |
125 |
142 |
160 |
200 |
400 |
|||||||||||
|
>80~100 |
160 |
180 |
200 |
225 |
256 |
320 |
460 |
|||||||||||
|
E6 |
|
每l长度处支承轴颈相对于AA' 的径向跳动,当l6≤l时为t6,当l6>l时其有效值为 |
定位或传动滚珠丝杠副 |
指示器、等高双V形铁 |
置滚珠丝杠于AA' 处V形铁上。在距离l6处使指示器测头垂直触及圆柱表面。缓缓转动丝杠,记下指示器读数变化 注:经商定允许将丝杠顶在中心孔上测量(此时l6应为测量点至轴端的距离) |
|||||||||||||
|
公称直径 d0 /mm |
l /mm |
标准公差等级 |
||||||||||||||||
|
1 |
2 |
3 |
4 |
5 |
7 |
10 |
||||||||||||
|
l长度上的t6p/μm |
||||||||||||||||||
|
≥6~20 |
80 |
10 |
11 |
12 |
16 |
20 |
40 |
63 |
||||||||||
|
>20~50 |
125 |
12 |
14 |
16 |
20 |
25 |
50 |
80 |
||||||||||
|
>50~125 |
200 |
16 |
18 |
20 |
26 |
32 |
63 |
100 |
||||||||||
|
>125~200 |
315 |
— |
— |
25 |
32 |
40 |
80 |
125 |
||||||||||
|
E7 |
|
轴颈相对于支承轴颈的径向跳动,当l7≤l时为t7,当l7>l时其有效值为 |
定位或传动滚珠丝杠副 |
指示器、等高双V形铁 |
置滚珠丝杠于AA' 处V形铁上。在距离l7处使指示器测头垂直触及圆柱表面。缓缓转动丝杠,记下指示器读数变化 注:经商定允许将丝杠顶在中心孔上测量 |
|||||||||||||
|
公称直径 d0 /mm |
l /mm |
标准公差等级 |
||||||||||||||||
|
1 |
2 |
3 |
4 |
5 |
7 |
10 |
||||||||||||
|
l长度上的t7p/μm |
||||||||||||||||||
|
≥6~20 |
80 |
5 |
6 |
6 |
7 |
8 |
12 |
16 |
||||||||||
|
>20~50 |
125 |
6 |
7 |
8 |
9 |
10 |
16 |
20 |
||||||||||
|
>50~125 |
200 |
8 |
9 |
10 |
11 |
12 |
20 |
25 |
||||||||||
|
>125~200 |
315 |
— |
— |
12 |
14 |
16 |
25 |
32 |
||||||||||
|
E8 |
|
支承轴颈肩面对AA' 的端面跳动t8 |
定位或传动滚珠丝杠副 |
指示器、等高双V形铁 |
置滚珠丝杠于AA' 处V形铁上。防止丝杠轴向移动(可将钢珠置于滚珠丝杠中心孔和固定面间)。使指示器测头垂直触及轴颈端面和圆柱表面相应的直径处。转动滚珠丝杠并记下指示器读数 注:经商定允许将丝杠顶在中心孔上测量 |
|||||||||||||
|
公称直径 d0 /mm |
标准公差等级 |
|||||||||||||||||
|
1 |
2 |
3 |
4 |
5 |
7 |
10 |
||||||||||||
|
t8p/μm |
||||||||||||||||||
|
≥6~63 >63~125 >125~200 |
3 4 — |
4 5 6 |
4 5 6 |
5 6 7 |
5 6 8 |
6 8 10 |
10 12 16 |
|||||||||||
|
E9 |
|
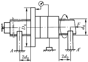
滚珠螺母安装端面对AA' 的端面跳动t9(仅用于有预加载荷的滚珠螺母) |
定位或传动滚珠丝杠副 |
指示器、等高双V形铁 |
将有预加载荷的滚珠丝杠副置于AA' 处V形铁上。防止丝杠轴向移动(可将钢珠置于丝杠轴中心孔和固定面之间)。使指示器测头垂直触及螺母检验直径D4外缘处的安装端面。螺母不转动,缓慢地转动丝杠并记下指示器读数 |
|||||||||||||
|
螺母安装端 面直径D4 /mm |
标准公差等级 |
|||||||||||||||||
|
1 |
2 |
3 |
4 |
5 |
7 |
10 |
||||||||||||
|
t9p/μm |
||||||||||||||||||
|
≥16~32 >32~63 >63~125 >125~250 >250~500 |
10 12 16 20 — |
11 14 18 22 — |
12 16 20 25 32 |
14 18 22 28 36 |
16 20 25 32 40 |
20 25 32 40 50 |
— — — — — |
|||||||||||
|
E10 |
|
滚珠螺母安装直径对AA' 的径向跳动t10(仅用于有预加载荷和旋转的滚珠螺母) |
定位或传动滚珠丝杠副 |
指示器、等高双V形铁 |
将有预加载荷的滚珠丝杠副置于AA' 处V形铁上。使指示器测头垂直触及滚珠螺母安装直径D1的圆柱表面。固定滚珠丝杠缓缓转动滚珠螺母,记下指示器读数 |
|||||||||||||
|
滚珠螺母 外径D1 /mm |
标准公差等级 |
|||||||||||||||||
|
1 |
2 |
3 |
4 |
5 |
7 |
10 |
||||||||||||
|
t10p/μm |
||||||||||||||||||
|
≥16~32 >32~63 >63~125 >125~250 >250~500 |
10 12 16 20 — |
11 14 18 22 — |
12 16 20 25 32 |
14 18 22 28 36 |
16 20 25 32 40 |
20 25 32 40 50 |
— — — — — |
|||||||||||
|
E11 |
|
矩形滚珠螺母对AA' 的平行度t11(仅用于有预加载荷的滚珠螺母) |
定位或传动滚珠丝杠副 |
指示器、等高双V形铁 |
将有预加载荷的滚珠丝杠副置于AA' 处V形铁上。使指示器测头垂直触及被测表面,沿规定的检查长度l上检测。记下指示器读数 |
|||||||||||||
|
标准公差等级 |
||||||||||||||||||
|
1 |
2 |
3 |
4 |
5 |
7 |
10 |
||||||||||||
|
100mm长度上t11p/μm |
||||||||||||||||||
|
16 |
18 |
20 |
22 |
25 |
32 |
— |
||||||||||||
|
|
||||||||||||||||||







