|
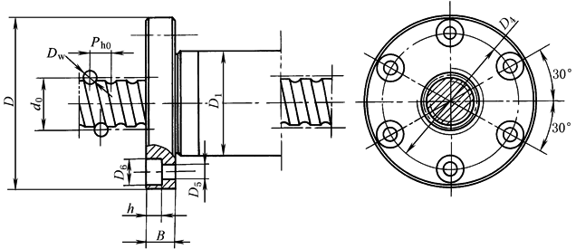
内循环滚珠丝杠副(包括浮动反向器及固定反向器)滚珠螺母安装、连接尺寸 |
|||||||||||||||||||
|
mm |
|||||||||||||||||||
|
规格 代号 |
公称 直径 |
公称 导程 |
滚珠螺母安装、连接尺寸 |
规格 代号 |
公称 直径 |
公称 导程 |
滚珠螺母安装、连接尺寸 |
||||||||||||
|
d0 |
Ph0 |
D1 |
D |
D4 |
B |
D5 |
D6 |
h |
d0 |
Ph0 |
D1 |
D |
D4 |
B |
D5 |
D6 |
h |
||
|
1604 |
16 |
4 |
28 (32) |
52 (55) |
38 (42) |
11 |
5.5 |
10 |
5.7 |
5008 |
50 |
8 |
75 |
117 |
95 |
18 |
11 |
18 |
11 |
|
1605 |
5 |
5010 |
10 |
||||||||||||||||
|
2004 |
20 |
4 |
36 |
61 |
48 |
11 |
5.5 |
10 |
5.7 |
5012 |
12 |
80 |
129 |
105 |
22 |
13.5 |
20 |
13 |
|
|
2005 |
5 |
5016 |
16 |
85 |
134 |
110 |
28 |
13.5 |
20 |
13 |
|||||||||
|
2006 |
6 |
40 |
66 |
53 |
11 |
6305 |
63 |
5 |
85 |
128 |
105 |
18 |
11 |
18 |
11 |
||||
|
2008 |
8 |
13 |
6306 |
6 |
|||||||||||||||
|
2504 |
25 |
4 |
40 |
66 |
53 |
11 |
5.5 |
10 |
5.7 |
6308 |
8 |
90 |
133 |
110 |
18 |
11 |
18 |
11 |
|
|
2505 |
5 |
6310 |
10 |
90 |
137 |
112 |
22 |
13.5 |
20 |
13 |
|||||||||
|
2506 |
6 |
40 (45) |
66 (69) |
53 (56) |
6312 |
12 |
|||||||||||||
|
6316 |
16 |
95 |
145 |
120 |
28 |
13.5 |
20 |
13 |
|||||||||||
|
2508 |
8 |
45 |
74 |
60 |
13 |
6.6 |
11 |
6.8 |
8010 |
80 |
10 |
105 |
156 |
130 |
22 |
13.5 |
20 |
13 |
|
|
3204 |
32 |
4 |
50 |
76 |
63 |
11 |
5.5 |
10 |
5.7 |
8012 |
12 |
110 |
158 |
132 |
22 |
13.5 |
20 |
13 |
|
|
3205 |
5 |
50 |
82 |
67 |
13 |
6.6 |
11 |
6.8 |
8016 |
16 |
118 |
166 |
14 |
28 |
13.5 |
20 |
13 |
||
|
3206 |
6 |
8020 |
20 |
||||||||||||||||
|
3208 |
8 |
53 |
90 |
71 |
15 |
9 |
15 |
9 |
10010 |
100 |
10 |
125 |
178 |
150 |
25 |
13.5 |
20 |
13 |
|
|
3210 |
10 |
10012 |
12 |
130 |
194 |
160 |
25 |
17.5 |
26 |
17.5 |
|||||||||
|
4005 |
40 |
5 |
60 |
94 |
75 |
15 |
9 |
15 |
9 |
10016 |
16 |
140 |
204 |
170 |
28 |
17.5 |
26 |
17.5 |
|
|
4006 |
6 |
10020 |
20 |
||||||||||||||||
|
4008 |
8 |
63 |
99 |
80 |
15 |
9 |
15 |
9 |
12510 |
125 |
10 |
150 |
214 |
180 |
28 |
17.5 |
26 |
17.5 |
|
|
4010 |
10 |
63 |
107 |
85 |
18 |
11 |
18 |
11 |
12512 |
12 |
160 |
224 |
190 |
28 |
17.5 |
26 |
17.5 |
||
|
4012 |
12 |
67 |
12516 |
16 |
170 |
251 |
210 |
32 |
22 |
33 |
21.5 |
||||||||
|
5005 |
50 |
5 |
71 |
109 |
90 |
15 |
9 |
15 |
9 |
12520 |
20 |
||||||||
|
5006 |
6 |
16020 |
160 |
20 |
200 |
277 |
236 |
36 |
22 |
33 |
21.5 |
||||||||
|
注:1.公称直径和公称导程的组合按照GB/T 17587.2(以下同)。 2.D5、D6、h按照GB/T 152.2(以下同)。 3.表中括号内数据为双螺母垫片预紧结构滚珠螺母安装连接尺寸(以下同)。 |
|||||||||||||||||||

