|
圆柱螺旋扭转弹簧计算示例 |
|||
|
项 目 |
单位 |
公 式 及 数 据 |
|
|
原 始 条 件 |
最小工作扭矩T1 |
N·mm |
2000 |
|
最大工作扭矩Tn |
N·mm |
6000 |
|
|
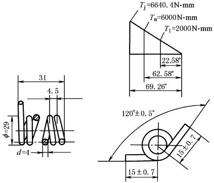
工作扭转角φ |
(°) |
40 |
|
|
弹簧类别 |
|
N<103 |
|
|
端部结构 |
|
外臂扭转 |
|
|
自由角度 |
(°) |
120 |
|
|
参
数
计
算 |
选择材料及许用弯曲应力σBp |
MPa |
根据设计要求为Ⅲ类弹簧,选用碳素弹簧钢丝C级,初步假设钢丝直径d=4~5.5mm,根据表弹簧钢丝的抗拉极限强度,查得 σb=1520~1470MPa 取 σb=1500MPa 根据表弹簧的许用应力,则 许用弯曲应力σBp=0.8σb=0.8×1500=1200 |
|
初选旋绕比C |
|
为使结构紧凑,暂定C=6 |
|
|
曲度系数K1 |
|
|
|
|
钢丝直径d |
mm |
=3.88 取标准值d=4 对照表弹簧钢丝的抗拉极限强度,d=4,C级,则σb=1520MPa,大于原暂定值,故安全 |
|
|
弹簧中径D及旋绕比C |
mm |
D=C×d=6×4=24 取标准值 D=25 则 |
|
|
弹簧圈数n |
圈 |
|
|
|
弹簧刚度T' |
N·mm/(°) |
|
|
|
最大工作扭矩时的扭转角φn |
(°) |
|
|
|
最小工作扭矩时的扭转角φ1 |
(°) |
φ1=φn-φ=62.58-40=22.58 |
|
|
实际最小工作扭矩T1 |
N·mm |
T1=T'φ1=95.87×22.58=2164.7 |
|
|
工作极限弯曲应力σj |
MPa |
σj=0.8×σb=0.8×1520=1216 |
|
|
工作极限扭矩Tj |
N·mm |
|
|
|
工作极限扭转角φj |
(°) |
|
|
|
弹簧节距t |
mm |
t=d+δ,无特殊要求δ=0.5 t=4+0.5=4.5 |
|
|
自由长度H0 |
mm |
H0=nt+d=6×4.5+4=31 |
|
|
螺旋角α |
(°) |
|
|
|
展开长度L |
mm |
|
|
|
最小稳定性指标nmin |
|
|
|
|
工
作
图 |
|
技术要求:1.有效圈数n=6 2.旋向为右旋 3.展开长度L=472+L0 4.硬度45~50HRC |
|



