|
圆柱螺旋压缩弹簧计算示例 |
||||||||||||||
|
表1 圆柱螺旋压缩弹簧计算示例之一 |
||||||||||||||
|
项 目 |
单位 |
公 式 及 数 据 |
||||||||||||
|
原 始 条 件 |
最小工作载荷P1 |
N |
P1=60 |
|||||||||||
|
最大工作载荷Pn |
N |
Pn=240 |
||||||||||||
|
工作行程h |
mm |
h=36±1 |
||||||||||||
|
弹簧外径D2 |
mm |
D2≤45 |
||||||||||||
|
弹簧类别 |
|
N=103~106次 |
||||||||||||
|
端部结构 |
|
端部并紧、磨平,两端支承圈各1圈 |
||||||||||||
|
弹簧材料 |
|
碳素弹簧钢丝C级 |
||||||||||||
|
参
数
计
算 |
初算弹簧刚度P' |
N/mm |
|
|||||||||||
|
工作极限载荷Pj |
N |
因是Ⅱ类载荷:Pj≥1.25Pn 故Pj=1.25×240=300 |
||||||||||||
|
弹簧材料直径d及弹簧中径D与有关参数 |
|
根据Pj与D条件从表圆柱螺旋压缩弹簧计算表得:
|
||||||||||||
|
有效圈数n |
圈 |
按照表圆柱螺旋弹簧参数选择中表2取标准值n=5.5 |
||||||||||||
|
总圈数n1 |
圈 |
n1=n+2=5.5+2=7.5 |
||||||||||||
|
弹簧刚度P' |
N/mm |
|
||||||||||||
|
工作极限载荷下的变形量F1 |
mm |
Fj=nfj=5.5×11.37≈63 |
||||||||||||
|
节距t |
mm |
|
||||||||||||
|
自由高度H0 |
mm |
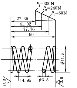
H0=nt+1.5d=5.5×14.95+1.5×3.5=87.47 取标准值H0=90 |
||||||||||||
|
弹簧外径D2 |
mm |
D2=D+d=38+3.5=41.5 |
||||||||||||
|
弹簧内径D1 |
mm |
D1=D-d=38-3.5=34.5 |
||||||||||||
|
螺旋角α |
(°) |
|
||||||||||||
|
展开长度L |
mm |
|
||||||||||||
|
验
算 |
最小载荷时的高度H1 |
mm |
|
|||||||||||
|
最大载荷时的高度Hn |
mm |
|
||||||||||||
|
极限载荷时的高度Hj |
mm |
|
||||||||||||
|
实际工作行程h |
mm |
h=H1-Hn=77.76-41.02=36.74≈36±1 |
||||||||||||
|
工作区范围 |
|
|
||||||||||||
|
高径比b |
|
b<2.6不必进行稳定性验算 |
||||||||||||
|
工
作
图 |
|
技术要求 1.旋向:右旋 2.有效圈n=5.5、总圈数n1=7.5 3.展开长度L=902mm 4.未注精度要求按GB 1239.2-2级 5.弹簧做消应力回火处理 |
||||||||||||
|
表2 圆柱螺旋压缩弹簧计算示例之二 |
||||||||||||||
|
项 目 |
单位 |
公 式 及 数 据 |
||||||||||||
|
原 始 条 件 |
最大工作载荷Pn |
N |
Pn=420 |
|||||||||||
|
最小工作载荷P1 |
N |
P1=200 |
||||||||||||
|
弹簧中径D |
mm |
D=32 |
||||||||||||
|
工作行程h |
mm |
h=10 |
||||||||||||
|
弹簧类别——气门弹簧 |
|
Ⅱ类弹簧,N=103~106次 |
||||||||||||
|
凸轮轴转速nmax |
r/min |
1400 |
||||||||||||
|
材料 |
|
阀门用油淬火回火碳素弹簧钢丝 |
||||||||||||
|
端部结构 |
|
两端并紧且磨平,支承圈数为1圈 |
||||||||||||
|
参
数
计
算 |
许用应力τp |
MPa |
σb=1422 故τp=0.4,σb=568.8 |
|||||||||||
|
初定C和K |
|
根据公式
C=7.7 K=1.192 |
||||||||||||
|
材料直径d |
mm |
取d=4.5 |
||||||||||||
|
确定旋绕比C |
|
|
||||||||||||
|
确定曲度系数K |
|
K=1.21 |
||||||||||||
|
弹簧刚度P' |
N/mm |
|
||||||||||||
|
最小工作载荷下的变形量F1 |
mm |
|
||||||||||||
|
最大工作载荷下的变形量Fn |
mm |
|
||||||||||||
|
压并时变形量Fb |
mm |
根据弹簧的工作区应在全变形量的20%~80%的规定,取Fn=0.65Fb
|
||||||||||||
|
压并载荷Pb |
N |
根据上项的同样规定
|
||||||||||||
|
有效圈数n |
圈 |
|
||||||||||||
|
总圈数n1 |
圈 |
n1=n+2=6+2=8 |
||||||||||||
|
压并高度Hb |
mm |
Hb=(n+1.5)d=(6+1.5)×4.5=33.75 |
||||||||||||
|
自由高度H0 |
mm |
H0=Hb+Fb=33.75+29.4=63.15 按标准取H0=65 |
||||||||||||
|
节距t |
mm |
根据表圆柱螺旋压缩弹簧计算公式
|
||||||||||||
|
螺旋角α |
(°) |
|
||||||||||||
|
展开长度L |
mm |
|
||||||||||||
|
脉动疲劳极限τ0 |
MPa |
根据表螺旋弹簧的稳定性、强度和共振的验算中表2 N=107时:τ0=0.3σb=0.3×1422=420 |
||||||||||||
|
最小切应力τmin |
MPa |
|
||||||||||||
|
最大切应力τmax |
MPa |
|
||||||||||||
|
疲劳安全系数S |
|
|
||||||||||||
|
弹簧自振频率f |
1/s |
|
||||||||||||
|
强迫振动频率fr |
1/s |
|
||||||||||||
|
共振验算 |
f>10fr即260.7>10×23.3 |
|||||||||||||



