|
B型防尘圈(GB/T 10708.3—2000) mm |
|||||||||||||
|
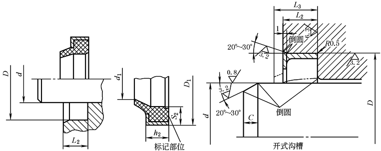
B型防尘圈是一种单唇带骨架橡胶密封圈,起防尘作用。
|
|||||||||||||
|
标记示例: A型防尘密封圈、密封腔体,内径100mm,外径115mm,密封腔体轴向长度9.5mm,标记为 防尘密封圈 FA100×115×9.5 GB/T 10708.3—2000 B型防尘密封圈用FB表示;C型防尘密封圈用FC表示。 |
|||||||||||||
|
d |
D |
|
d1 |
D1 |
S2 |
h2 |
L3 ≤ |
C ≥ |
|||||
|
基本尺寸 |
极限偏差 |
基本尺寸 |
极限偏差 |
基本尺寸 |
极限偏差 |
基本尺寸 |
极限偏差 |
基本尺寸 |
极限偏差 |
||||
|
6 |
14 |
|
5 |
4.6 |
±0.15 |
14 |
S7 |
3.5 |
±0.15 |
5 |
|
8 |
2 |
|
8 |
16 |
6.6 |
16 |
||||||||||
|
10 |
18 |
8.6 |
18 |
||||||||||
|
12 |
22 |
|
7 |
10.5 |
±0.25 |
22 |
4.3 |
7 |
11 |
2.5 |
|||
|
14 |
24 |
12.5 |
24 |
||||||||||
|
16 |
26 |
14.5 |
26 |
||||||||||
|
18 |
28 |
16.5 |
28 |
||||||||||
|
20 |
30 |
18.5 |
30 |
||||||||||
|
22 |
32 |
|
20.5 |
32 |
|||||||||
|
25 |
35 |
23.5 |
35 |
||||||||||
|
28 |
38 |
26.5 |
38 |
||||||||||
|
32 |
42 |
30 |
42 |
||||||||||
|
36 |
46 |
34 |
46 |
||||||||||
|
40 |
50 |
38 |
50 |
||||||||||
|
45 |
55 |
|
43 |
55 |
|||||||||
|
50 |
60 |
48 |
60 |
||||||||||
|
56 |
66 |
54 |
66 |
||||||||||
|
60 |
70 |
58 |
70 |
||||||||||
|
63 |
73 |
61 |
73 |
||||||||||
|
70 |
80 |
68 |
±0.35 |
80 |
|||||||||
|
80 |
90 |
|
78 |
90 |
|||||||||
|
90 |
100 |
88 |
100 |
||||||||||
|
100 |
115 |
9 |
97.5 |
±0.45 |
115 |
6.5 |
9 |
|
13 |
4 |
|||
|
110 |
125 |
|
107.5 |
125 |
|||||||||
|
125 |
140 |
122.5 |
140 |
||||||||||
|
140 |
155 |
137.5 |
155 |
||||||||||
|
160 |
175 |
157.5 |
175 |
||||||||||
|
180 |
195 |
|
177.5 |
±0.60 |
195 |
||||||||
|
200 |
215 |
197.5 |
215 |
||||||||||
|
220 |
240 |
12 |
217 |
240 |
8.7 |
12 |
|
16 |
5 |
||||
|
250 |
270 |
|
247 |
270 |
|||||||||
|
280 |
300 |
277 |
±0.90 |
300 |
|||||||||
|
320 |
340 |
|
317 |
340 |
|||||||||
|
360 |
380 |
357 |
380 |
||||||||||

