|
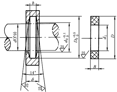
毡圈油封 mm |
|||||||||||||||||||
|
|
毡圈油封用于线速度小于5m/s的场合 材料:毛毡 |
||||||||||||||||||
|
轴径 d (f9) |
毡 圈 |
槽 |
轴径 d (f9) |
毡 圈 |
槽 |
||||||||||||||
|
D |
d1 |
B |
质量 /kg |
D0 |
d0 |
b |
δmin |
D |
d1 |
B |
质量 /kg |
D0 |
d0 |
b |
δmin |
||||
|
用于 钢 |
用于 铸铁 |
用于 钢 |
用于 铸铁 |
||||||||||||||||
|
15 |
29 |
14 |
6 |
0.0010 |
28 |
16 |
5 |
10 |
12 |
130 135 140 145 150 155 160 165 170 175 180 185 190 |
152 157 162 167 172 177 182 187 192 197 202 207 212 |
128 133 138 143 148 153 158 163 168 173 178 182 188 |
12 |
0.030 0.030 0.032 0.033 0.034 0.035 0.035 0.037 0.038 0.038 0.038 0.039 0.039 |
150 155 160 165 170 175 180 185 190 195 200 205 210 |
132 137 143 148 153 158 163 168 173 178 183 188 193 |
10 |
18 |
20 |
|
20 |
33 |
19 |
0.0012 |
32 |
21 |
||||||||||||||
|
25 |
39 |
24 |
7 |
0.0018 |
38 |
26 |
6 |
12 |
15 |
||||||||||
|
30 |
45 |
29 |
0.0023 |
44 |
31 |
||||||||||||||
|
35 |
49 |
34 |
0.0023 |
48 |
36 |
||||||||||||||
|
40 |
53 |
39 |
0.0026 |
52 |
41 |
||||||||||||||
|
45 |
61 |
44 |
8 |
0.0040 |
60 |
46 |
7 |
||||||||||||
|
50 |
69 |
49 |
0.0054 |
68 |
51 |
||||||||||||||
|
55 |
74 |
53 |
0.0060 |
72 |
56 |
||||||||||||||
|
60 |
80 |
58 |
0.0069 |
78 |
61 |
||||||||||||||
|
65 |
84 |
63 |
0.0070 |
82 |
66 |
||||||||||||||
|
70 |
90 |
68 |
0.0079 |
88 |
71 |
||||||||||||||
|
75 |
94 |
73 |
0.0080 |
92 |
77 |
||||||||||||||
|
80 |
102 |
78 |
9 |
0.011 |
100 |
82 |
8 |
15 |
18 |
||||||||||
|
85 |
107 |
83 |
0.012 |
105 |
87 |
||||||||||||||
|
90 |
112 |
88 |
0.012 |
110 |
92 |
||||||||||||||
|
95 |
117 |
93 |
10 |
0.014 |
115 |
97 |
195 200 |
217 222 |
193 198 |
14 |
0.041 0.042 |
215 220 |
198 203 |
12 |
20 |
22 |
|||
|
100 |
122 |
98 |
0.015 |
120 |
102 |
||||||||||||||
|
105 |
127 |
103 |
0.016 |
125 |
107 |
||||||||||||||
|
110 |
132 |
108 |
10 |
0.017 |
130 |
112 |
8 |
15 |
18 |
210 |
232 |
208 |
0.044 |
230 |
213 |
||||
|
115 |
137 |
113 |
0.018 |
135 |
117 |
220 |
242 |
218 |
0.046 |
240 |
223 |
||||||||
|
120 |
142 |
118 |
0.018 |
140 |
122 |
230 |
252 |
228 |
0.048 |
250 |
233 |
||||||||
|
125 |
147 |
123 |
0.018 |
145 |
127 |
240 |
262 |
238 |
0.051 |
260 |
243 |
||||||||

