|
电动润滑泵装置(20MPa)(JB/T 2304—2001) |
||||||||||||||||
|
|
||||||||||||||||
|
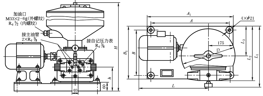
电动润滑泵装置的基本参数 mm |
||||||||||||||||
|
型号 |
给油能力 /mL·min-1 |
公称压力 /MPa |
储油器容积 /L |
电动机 |
电磁铁电压 /V |
质量 /kg |
||||||||||
|
型号 |
功率/kW |
转速/r·min-1 |
||||||||||||||
|
DRZ-L100 |
100 |
20 (L) |
50 |
Y801-4-B3 |
0.55 |
1390 |
220 |
191 |
||||||||
|
DRZ-L315 |
315 |
75 |
Y90S-4-B3 |
1.1 |
1400 |
196 |
||||||||||
|
DRZ-L630 |
630 |
120 |
Y90L-4-B3 |
1.5 |
1400 |
240 |
||||||||||
|
型号 |
A |
A1 |
B |
B1 |
h |
D |
L≈ |
L1≈ |
L2 |
L3 |
最高 |
最低 |
||||
|
DRZ-L100 |
460 |
510 |
300 |
350 |
151 |
408 |
406 |
414 |
368 |
200 |
1330 |
925 |
||||
|
DRZ-L315 |
550 |
600 |
315 |
365 |
167 |
474 |
434 |
392 |
210 |
1770 |
1165 |
|||||
|
DRZ-L630 |
508 |
489 |
1820 |
1215 |
||||||||||||
|
注:1.电磁换向阀上留有连接螺纹为Rc3/8的自记压力表接口,如不需要时可用螺塞堵住。 2.生产厂有太原矿山机器润滑液压设备有限公司,启东市南方润滑液压设备有限公司,南通市南方润滑液压设备有限公司,太原市兴科机电研究所,太原宝太润液设备有限公司。 |
||||||||||||||||

