|
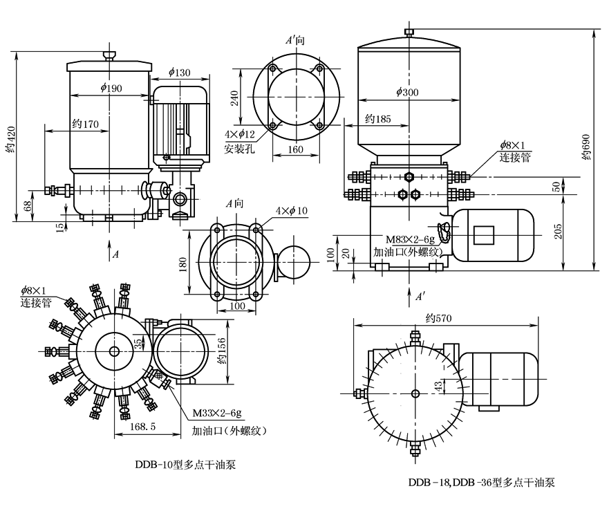
DDB 型多点干油泵(10MPa)(JB/ZQ 4088—2006) |
||||||||
|
|
||||||||
|
DDB 型多点干油泵基本参数 |
||||||||
|
型 号 |
出油点数 /点 |
公称压力 /MPa |
每点给油量 /mL·次-1 |
给油次数 /次·min-1 |
储油器 容积/L |
电动机 功率 /kW |
质量 /kg |
1.工作环境温度0~40℃ 2.适用于锥入度不低于265(25℃,150g)/10mm的润滑脂 标记示例:出油口为10个的多点干油泵,标记为 DDB-10 干油泵 JB/ZQ 4088—2006 |
|
DDB-10 |
10 |
10 (J) |
0~0.2 |
13 |
7 |
0.37 |
19 |
|
|
DDB-18 |
18 |
23 |
0.56 |
75 |
||||
|
DDB-36 |
36 |
80 |
||||||
|
注:生产厂有太原矿山机器润滑液压设备有限公司,启东市南方润滑液压设备有限公司,南通市南方润滑液压设备有限公司,四川川润股份有限公司,太原市兴科机电研究所,太原宝太润液设备有限公司,启东润滑设备有限公司,启东江海液压润滑设备厂,温州市龙湾润滑液压设备厂。 |
||||||||

