|
手动润滑泵 |
||||||||||||||||||||||||||||||||||||||||
|
SGZ 型手动润滑泵(JB/ZQ 4087—1997) |
|
型号 |
给油量 /mL·循环-1 |
公称 压力 /MPa |
储油 筒容 积/L |
质量 /kg |
||||||||||||||||||||||||||||||||||
|
SGZ-8 |
8 |
6.3(Ⅰ) |
3.5 |
24 |
||||||||||||||||||||||||||||||||||||
|
1.用于双线式和双线喷射式干油集中润滑系统,采用锥入度不低于265/10mm(25℃,150g)的润滑脂,环境温度为0~40℃ 2.标记示例:给油量为8mL/循环的手动润滑泵,标记为 SGZ-8 润滑泵 JB/ZQ 4087—1997 |
||||||||||||||||||||||||||||||||||||||||
|
生产厂有太原矿山机器润滑液压设备有限公司,启东市南方润滑液压设备有限公司,南通市南方润滑液压设备有限公司,启东润滑设备有限公司,启东江海液压润滑设备厂,太原宝太润液设备有限公司,四川川润股份有限公司,启东中冶润滑设备有限公司 |
||||||||||||||||||||||||||||||||||||||||
|
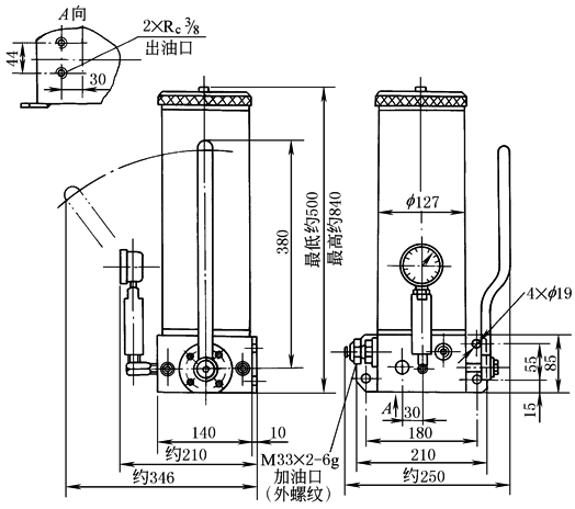
SRB 型手动润滑泵(JB/ZQ 4557—2006) |
公称压力20MPa,给油量3.5mL/循环,使用介质为润滑脂,储油器容积5L的手动润滑泵,标记为 SRB-L3.5Z-5 润滑泵 JB/ZQ 4557—2006 |
型号 |
给油量 /mL· 循环-1 |
公称 压力 /MPa |
储油 筒容 积/L |
最多 给油 点数 |
||||||||||||||||||||||||||||||||||
|
SRB-J7Z-2 |
7 |
10 |
2 |
80 |
||||||||||||||||||||||||||||||||||||
|
SRB-J7Z-5 |
5 |
|||||||||||||||||||||||||||||||||||||||
|
SRB-L3.5Z-2 |
3.5 |
20 |
2 |
50 |
||||||||||||||||||||||||||||||||||||
|
SRB-L3.5Z-5 |
5 |
|||||||||||||||||||||||||||||||||||||||
|
型号 |
配管 通径 /mm |
配管 长度 /m |
质量 /kg |
|||||||||||||||||||||||||||||||||||||
|
SRB-J7Z-2 |
20 |
50 |
18 |
|||||||||||||||||||||||||||||||||||||
|
SRB-J7Z-5 |
21 |
|||||||||||||||||||||||||||||||||||||||
|
SRB-L3.5Z-2 |
12 |
50 |
18 |
|||||||||||||||||||||||||||||||||||||
|
SRB-L3.5Z-5 |
21 |
|||||||||||||||||||||||||||||||||||||||
|
型 号 |
H |
H1 |
||||||||||||||||||||||||||||||||||||||
|
SRB-J7Z-2 SRB-L3.5Z-2 |
576 |
370 |
||||||||||||||||||||||||||||||||||||||
|
SRB-J7Z-5 SRB-L3.5Z-5 |
1196 |
680 |
||||||||||||||||||||||||||||||||||||||
|
1.本泵与双线式分配器、喷射阀等组成双线式或双线喷射干油集中润滑系统,用于给油频率较低的中小机械设备或单独的机器上。工作时间一般为2~3min工作寿命可达50万个工作循环 2.适用介质为锥入度310~385(25℃,150g)/10mm的润滑脂 |
||||||||||||||||||||||||||||||||||||||||
|
生产厂:南通市南方润滑液压设备有限公司,启东市南方润滑液压设备有限公司,太原宝太润液设备有限公司,上海润滑设备厂,太原矿山机器润滑液压设备有限公司,四川川润股份有限公司,启东润滑设备有限公司,启东江海液压润滑设备厂,温州市龙湾润滑液压设备厂(SNB-J型的生产厂同此) |
||||||||||||||||||||||||||||||||||||||||
|
SNB-J 型手动润滑泵(JB/T8651.1—1997) |
|
1.允许在0~45℃的环境温度下工作,使用介质锥入度大于295(25℃、150g)/10mm的符合GB 491—1987、GB 492—1989、GB 7324—1994要求的润滑脂 2.供油嘴的连接管若为��6×1,根据需要可特殊订货 标记示例:给油点数5个,每嘴出油容量0.9mL/循环,储油器容积1.37L的手动润滑泵,标记为 5SNB-Ⅲ 润滑泵 JB/T 8651.1—1997 生产厂同上页SRB型手动润滑泵生产厂 |
||||||||||||||||||||||||||||||||||||||
|
型号 |
1SNB-J |
2SNB-J |
5SNB-J |
6SNB-J |
8SNB-J |
|||||||||||||||||||||||||||||||||||
|
主参数代号 |
Ⅰ |
Ⅱ |
Ⅲ |
Ⅰ |
Ⅱ |
Ⅲ |
Ⅰ |
Ⅱ |
Ⅲ |
Ⅰ |
Ⅱ |
Ⅲ |
Ⅰ |
Ⅱ |
Ⅲ |
|||||||||||||||||||||||||
|
给油点数/个 |
1 |
2 |
5 |
6 |
8 |
|||||||||||||||||||||||||||||||||||
|
每嘴出油容量/mL·次-1 |
4.50 |
2.25 |
0.90 |
0.75 |
0.56 |
|||||||||||||||||||||||||||||||||||
|
公称压力/MPa |
10(J) |
|||||||||||||||||||||||||||||||||||||||
|
储油器容积/L |
0.42 |
0.75 |
1.37 |
0.42 |
0.75 |
1.37 |
0.42 |
0.75 |
1.37 |
0.42 |
0.75 |
1.37 |
0.42 |
0.75 |
1.37 |
|||||||||||||||||||||||||
|
供油嘴连接管/mm |
f 8×1 |
|||||||||||||||||||||||||||||||||||||||
|
外形 尺寸 /mm |
主参数代号 |
Hmax |
Hmin |
D |
L |
L1 |
L2 |
L3 |
E |
E1 |
E2 |
d |
b |
|||||||||||||||||||||||||||
|
Ⅰ |
392 |
292 |
74 |
128 |
120 |
98 |
50 |
94 |
61 |
15 |
11.5 |
14 |
||||||||||||||||||||||||||||
|
Ⅱ |
500 |
350 |
86 |
145 |
||||||||||||||||||||||||||||||||||||
|
Ⅲ |
360 |
114 |
175 |
|||||||||||||||||||||||||||||||||||||



