|
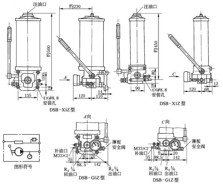
DSB型手动润滑油泵 |
|||
|
本泵与递进式分配器组合,可用于给油频率较少的递进式集中润滑系统,或向小型机器的各润滑点供油 |
型号 |
① |
DSB-X1Z |
|
② |
DSB-X5Z |
||
|
每往复一次的 给油量 /mL |
2.6 |
||
|
最大使用压力 /MPa |
10 |
||
|
薄板安全阀 爆破压力 /MPa |
10 |
||
|
储油器容积 /L |
① 1.5 |
||
|
② 5 |
|||
|
润滑油黏度 /mm2·s-1 |
22~ 460 |
||
|
质量 /kg |
① 9.5 |
||
|
② 24 |
|||
|
生产厂:太原市兴科机电研究所 |
|||

