|
油杯 |
||||||||||||||||||||||||||||||||||||||||||||
|
油杯基本型式与尺寸 mm |
||||||||||||||||||||||||||||||||||||||||||||
|
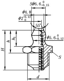
直 通 式 压 注 油 杯
|
标记示例: d=M10×1,直通式压注油杯,标记为 油杯 M10×1 JB/T 7940.1—1995 |
d |
H |
h |
h1 |
S |
钢 球 (GB/T 308—2002) |
|||||||||||||||||||||||||||||||||||||
|
基本 尺寸 |
极限 偏差 |
|||||||||||||||||||||||||||||||||||||||||||
|
M6 |
13 |
8 |
6 |
8 |
0 -0.22 |
3 |
||||||||||||||||||||||||||||||||||||||
|
M8×1 |
16 |
9 |
6.5 |
10 |
||||||||||||||||||||||||||||||||||||||||
|
M10×1 |
18 |
10 |
7 |
11 |
||||||||||||||||||||||||||||||||||||||||
|
接 头 式 压 注 油 杯
|
标记示例: d=M10×1,45°接头式压注油杯,标记为 油杯 45° M10×1 JB/T 7940.2—1995 |
d |
d1 |
α |
S |
直通式压注油杯 (按JB/T 7940.1—1995)的连接螺纹 |
||||||||||||||||||||||||||||||||||||||
|
基本 尺寸 |
极限 偏差 |
|||||||||||||||||||||||||||||||||||||||||||
|
M6 |
3 |
45°、 90° |
11 |
0 -0.22 |
M6 |
|||||||||||||||||||||||||||||||||||||||
|
M8×1 |
4 |
|||||||||||||||||||||||||||||||||||||||||||
|
M10×1 |
5 |
|||||||||||||||||||||||||||||||||||||||||||
|
旋 盖 式 油 杯
|
标记示例: 最小容量25cm3,A型旋盖式油杯,标记为 油杯 A25 JB/T 7940.3—1995 |
|||||||||||||||||||||||||||||||||||||||||||
|
最小容量 /cm3 |
d |
l |
H |
h |
h1 |
d1 |
D |
Lmax |
S |
|||||||||||||||||||||||||||||||||||
|
A型 |
B型 |
基本 尺寸 |
极限 偏差 |
|||||||||||||||||||||||||||||||||||||||||
|
1.5 |
M8×1 |
8 |
14 |
22 |
7 |
3 |
16 |
18 |
33 |
10 |
0 -0.22 |
|||||||||||||||||||||||||||||||||
|
3 |
M10×1 |
15 |
23 |
8 |
4 |
20 |
22 |
35 |
13 |
0 -0.27 |
||||||||||||||||||||||||||||||||||
|
6 |
17 |
26 |
26 |
28 |
40 |
|||||||||||||||||||||||||||||||||||||||
|
12 |
M14×1.5 |
12 |
20 |
30 |
10 |
5 |
32 |
34 |
47 |
18 |
||||||||||||||||||||||||||||||||||
|
18 |
22 |
32 |
36 |
40 |
50 |
|||||||||||||||||||||||||||||||||||||||
|
25 |
24 |
34 |
41 |
44 |
55 |
|||||||||||||||||||||||||||||||||||||||
|
50 |
M16×1.5 |
12 |
30 |
44 |
10 |
5 |
51 |
54 |
70 |
21 |
0 -0.33 |
|||||||||||||||||||||||||||||||||
|
100 |
38 |
52 |
68 |
68 |
85 |
|||||||||||||||||||||||||||||||||||||||
|
200 |
M24×1.5 |
16 |
48 |
64 |
16 |
6 |
— |
86 |
105 |
30 |
— |
|||||||||||||||||||||||||||||||||
|
压 配 式 压 注 油 杯
|
与d相配孔的极限偏差按H8 标记示例: d=6mm,压配式压注油杯,标记为 油杯 6 JB/T 7940.4—1995 |
d |
H |
钢 球 (按GB/T 308—2002) |
||||||||||||||||||||||||||||||||||||||||
|
基本尺寸 |
极限偏差 |
|||||||||||||||||||||||||||||||||||||||||||
|
6 |
+0.040 +0.028 |
6 |
4 |
|||||||||||||||||||||||||||||||||||||||||
|
8 |
+0.049 +0.034 |
10 |
5 |
|||||||||||||||||||||||||||||||||||||||||
|
10 |
+0.058 +0.040 |
12 |
6 |
|||||||||||||||||||||||||||||||||||||||||
|
16 |
+0.063 +0.045 |
20 |
11 |
|||||||||||||||||||||||||||||||||||||||||
|
25 |
+0.085 +0.064 |
30 |
13 |
|||||||||||||||||||||||||||||||||||||||||
|
弹 簧 盖 油 杯
|
标记示例: 最小容量3cm3的A型弹簧盖油杯,标记为:油杯 A3 JB/T 7940.5—1995 |
|||||||||||||||||||||||||||||||||||||||||||
|
最小容量 /cm3 |
d |
H |
D |
l2 ≈ |
l |
S |
||||||||||||||||||||||||||||||||||||||
|
≤ |
基本尺寸 |
极限偏差 |
||||||||||||||||||||||||||||||||||||||||||
|
1 |
M8×1 |
38 |
16 |
21 |
10 |
10 |
0 -0.22 |
|||||||||||||||||||||||||||||||||||||
|
2 |
40 |
18 |
23 |
|||||||||||||||||||||||||||||||||||||||||
|
3 |
M10×1 |
42 |
20 |
25 |
10 |
11 |
0 -0.27 |
|||||||||||||||||||||||||||||||||||||
|
6 |
45 |
25 |
30 |
|||||||||||||||||||||||||||||||||||||||||
|
12 |
M14×1.5 |
55 |
30 |
36 |
12 |
18 |
||||||||||||||||||||||||||||||||||||||
|
18 |
60 |
32 |
38 |
|||||||||||||||||||||||||||||||||||||||||
|
25 |
65 |
35 |
41 |
|||||||||||||||||||||||||||||||||||||||||
|
50 |
68 |
45 |
51 |
|||||||||||||||||||||||||||||||||||||||||
|
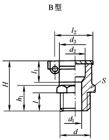
标记示例: d=M10×1,B型弹簧盖油杯,的标记为:油杯 B M10×1 JB/T 7940.5—1995 |
||||||||||||||||||||||||||||||||||||||||||||
|
d |
d1 |
d2 |
d3 |
H |
h1 |
l |
l1 |
l2 |
S |
|||||||||||||||||||||||||||||||||||
|
基本尺寸 |
极限偏差 |
|||||||||||||||||||||||||||||||||||||||||||
|
M6 |
3 |
6 |
10 |
18 |
9 |
6 |
8 |
15 |
10 |
0 -0.22 |
||||||||||||||||||||||||||||||||||
|
M8×1 |
4 |
8 |
12 |
24 |
12 |
8 |
10 |
17 |
13 |
0 -0.27 |
||||||||||||||||||||||||||||||||||
|
M10×1 |
5 |
|||||||||||||||||||||||||||||||||||||||||||
|
M12×1.5 |
6 |
10 |
14 |
26 |
14 |
10 |
12 |
19 |
16 |
0 -0.27 |
||||||||||||||||||||||||||||||||||
|
M16×1.5 |
8 |
12 |
18 |
28 |
23 |
21 |
0 -0.33 |
|||||||||||||||||||||||||||||||||||||
|
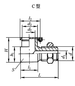
标记示例: d=M10×1,C型弹簧盖油杯,的标记为:油杯 C M10×1 JB/T 7940.5—1995 |
||||||||||||||||||||||||||||||||||||||||||||
|
d |
d1 |
d2 |
d3 |
H |
h1 |
L |
l1 |
l2 |
螺 母 (按GB/T 6172—2000) |
S |
||||||||||||||||||||||||||||||||||
|
基本尺寸 |
极限偏差 |
|||||||||||||||||||||||||||||||||||||||||||
|
M6 |
3 |
6 |
10 |
18 |
9 |
25 |
12 |
15 |
M6 |
13 |
0 -0.27 |
|||||||||||||||||||||||||||||||||
|
M8×1 |
4 |
8 |
12 |
24 |
12 |
28 |
14 |
17 |
M8×1 |
13 |
0 -0.27 |
|||||||||||||||||||||||||||||||||
|
M10×1 |
5 |
30 |
16 |
M10×1 |
||||||||||||||||||||||||||||||||||||||||
|
M12×1.5 |
6 |
10 |
14 |
26 |
14 |
34 |
19 |
19 |
M12×1.5 |
16 |
0 -0.27 |
|||||||||||||||||||||||||||||||||
|
M16×1.5 |
8 |
12 |
18 |
30 |
18 |
37 |
23 |
23 |
M16×1.5 |
21 |
0 -0.33 |
|||||||||||||||||||||||||||||||||
|
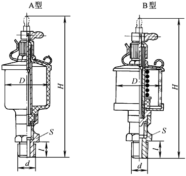
针 阀 式 油 杯
|
标记示例: 最小容量25cm3,A型针阀式油杯,标记为:油杯 A25 JB/T 7940.6—1995 |
|||||||||||||||||||||||||||||||||||||||||||
|
最小容量 /cm3 |
d |
l |
H |
D |
S |
螺母 (按GB/T 6172—2000) |
||||||||||||||||||||||||||||||||||||||
|
基本尺寸 |
极限偏差 |
|||||||||||||||||||||||||||||||||||||||||||
|
16 |
M10×1 |
12 |
105 |
32 |
13 |
0 -0.27 |
M8×1 |
|||||||||||||||||||||||||||||||||||||
|
25 |
M14×1.5 |
115 |
36 |
18 |
||||||||||||||||||||||||||||||||||||||||
|
50 |
130 |
45 |
||||||||||||||||||||||||||||||||||||||||||
|
100 |
140 |
55 |
||||||||||||||||||||||||||||||||||||||||||
|
200 |
M16×1.5 |
14 |
170 |
70 |
21 |
0 -0.33 |
M10×1 |
|||||||||||||||||||||||||||||||||||||
|
400 |
190 |
85 |
||||||||||||||||||||||||||||||||||||||||||








