|
锻件设计注意事项 |
|||
|
类别 |
注 意 事 项 |
不 好 的 设 计 |
改 进 后 的 设 计 |
|
自 由 锻 造 |
尽量简化锻件外形,应避免锥形和楔形表面 |
|
|
|
|
|
||
|
避免两个圆柱形表面或一个圆柱形表面与棱柱形表面交接 |
|
|
|
|
不允许有加固筋。在多数情况下,必须设置敷量才能锻出加固筋 |
|
|
|
|
不允许在基体上或在叉形件内部有凸台 |
|
|
|
|
当零件具有骤变的横截面尺寸或复杂的形状或长柄时,必须设法改用几个较简单的部分组合或焊接而成 |
|
|
|
|
冲 模 锻 造 |
应有规定的拔模斜度,并避免下部横截 |
|
|
|
合理设计分模面 尽量使分模面位于高度一半处左右,并与最小高度相垂直 避免分模面曲折(飞边),便于检查上下模的相对错移 节约金属材料便于模具加工 |
|
|
|
|
较深盘状部分与分模面错开 |
|
|
|
|
两个形状对称的零件,应尽量设计成一种零件 |
|
|
|
|
力求采用简单的、尽可能回转对称的零件(如a'图)或对称形状的零件(如b'图),避免有突出部分,如a图 |
|
|
|
|
避免过薄的辐板或底板 |
|
|
|
|
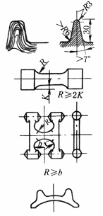
采用较大圆角(DIN 7523),避免过窄筋片、内槽与过小冲孔 |
|
|
|
|
避免急剧的断面过渡以及向冲模内过深突出的断面形状 |
|
|
|
|
加工表面应凸起 |
|
|
|






















