|
公称通径DN≤600MPa,PN≤15.0MPa的环松套法兰 |
||||||||||||||||||||||
|
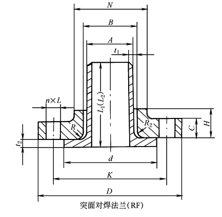
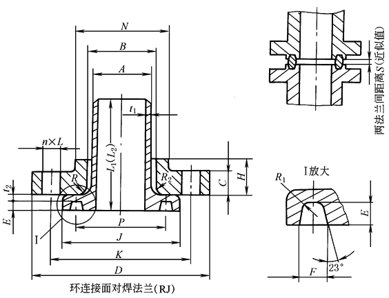
注:t1为短节壁厚,一般为钢管壁厚;t2应不小于钢管最小壁厚
注:t1为短节壁厚,一般为钢管壁厚;t2应不小于钢管最小壁厚 标记示例 公称通径100mm、公称压力2.0MPa(20bar)的突面对焊环带颈松套钢制管法兰,标记为:法兰DN100-PN20 RF GB/T 9118.1—2000 公称通径80mm、公称压力5.0MPa(50bar)的环连接面对焊环带颈松套钢制管法兰,标记为:法兰DN80-PN50 RJ GB/T 9118.2—2000 mm |
||||||||||||||||||||||
|
公称压力 PN2.0MPa(20bar) |
||||||||||||||||||||||
|
公称 通径 DN |
焊环 端部 直径 (管子 外径) A |
连 接 尺 寸 |
密封面 |
法兰 厚度 C |
法兰 高度 H |
颈部 直径 N |
法兰孔 |
焊环长度 |
法兰 质量 /kg≈ |
|||||||||||||
|
法兰 外径 D |
螺栓 孔中 心圆 直径 K |
螺栓 |
槽号 |
Jmin |
P |
E |
F |
R1max |
d |
两法 兰间 距离 S≈ |
Bmin |
R、R2 |
Ⅰ型 L1 |
Ⅱ型 L2 |
||||||||
|
孔径 L |
数量 n |
螺纹 规格 |
||||||||||||||||||||
|
15 |
21.3 |
90 |
60.5 |
16 |
4 |
M14 |
— |
— |
— |
— |
— |
— |
35.0 |
— |
11.5 |
16 |
30 |
23.0 |
3 |
100 |
50 |
0.53 |
|
20 |
26.9 |
100 |
70.0 |
16 |
4 |
M14 |
— |
— |
— |
— |
— |
— |
43.0 |
— |
13.0 |
16 |
38 |
28.0 |
3 |
100 |
50 |
0.73 |
|
25 |
33.7 |
110 |
79.5 |
16 |
4 |
M14 |
R15 |
63.5 |
47.62 |
6.35 |
8.74 |
0.8 |
51.0 |
4 |
14.5 |
17 |
49 |
35.0 |
3 |
100 |
50 |
0.89 |
|
32 |
42.4 |
120 |
89.0 |
16 |
4 |
M14 |
R17 |
73.0 |
57.15 |
6.35 |
8.74 |
0.8 |
63.5 |
4 |
16.0 |
21 |
59 |
43.5 |
5 |
100 |
50 |
1.17 |
|
40 |
48.3 |
130 |
98.5 |
16 |
4 |
M14 |
R19 |
82.5 |
65.07 |
6.35 |
8.74 |
0.8 |
73.0 |
4 |
17.5 |
22 |
65 |
50.0 |
6 |
100 |
50 |
1.48 |
|
50 |
60.3 |
150 |
120.5 |
18 |
4 |
M16 |
R22 |
102.0 |
82.55 |
6.35 |
8.74 |
0.8 |
92.0 |
4 |
19.5 |
25 |
78 |
62.5 |
8 |
150 |
65 |
2.10 |
|
65 |
73.0 |
180 |
139.5 |
18 |
4 |
M16 |
R25 |
121.0 |
101.60 |
6.35 |
8.74 |
0.8 |
105.0 |
4 |
22.5 |
29 |
90 |
75.5 |
8 |
150 |
65 |
3.56 |
|
80 |
88.9 |
190 |
152.5 |
18 |
4 |
M16 |
R29 |
133.0 |
114.30 |
6.35 |
8.74 |
0.8 |
127.0 |
4 |
24.0 |
30 |
108 |
91.5 |
10 |
150 |
65 |
3.96 |
|
100 |
114.3 |
230 |
190.5 |
18 |
8 |
M16 |
R36 |
171.0 |
149.22 |
6.35 |
8.74 |
0.8 |
157.5 |
4 |
24.0 |
33 |
135 |
117.0 |
11 |
150 |
75 |
5.57 |
|
125 |
141.3 |
255 |
216.0 |
22 |
8 |
M20 |
R40 |
194.0 |
171.45 |
6.35 |
8.74 |
0.8 |
186.0 |
4 |
24.0 |
36 |
164 |
144.5 |
11 |
200 |
75 |
6.33 |
|
150 |
168.3 |
280 |
241.5 |
22 |
8 |
M20 |
R43 |
219.0 |
193.68 |
6.35 |
8.74 |
0.8 |
216.0 |
4 |
25.5 |
40 |
192 |
171.5 |
13 |
200 |
90 |
7.67 |
|
200 |
219.1 |
345 |
298.5 |
22 |
8 |
M20 |
R48 |
273.0 |
247.65 |
6.35 |
8.74 |
0.8 |
270.0 |
4 |
29.0 |
45 |
246 |
222.0 |
13 |
200 |
100 |
12.67 |
|
250 |
273.0 |
405 |
362.0 |
26 |
12 |
M24 |
R52 |
330.0 |
304.80 |
6.35 |
8.74 |
0.8 |
324.0 |
4 |
30.5 |
49 |
305 |
277.5 |
13 |
250 |
125 |
16.56 |
|
300 |
323.9 |
485 |
432.0 |
26 |
12 |
M24 |
R56 |
406.0 |
381.00 |
6.35 |
8.74 |
0.8 |
381.0 |
4 |
32.0 |
56 |
365 |
328.0 |
13 |
250 |
150 |
27.20 |
|
350 |
355.6 |
535 |
476.0 |
29.5 |
12 |
M27 |
R59 |
425.0 |
396.88 |
6.35 |
8.74 |
0.8 |
413.0 |
3 |
35.0 |
79 |
400 |
360.0 |
13 |
|
|
39.29 |
|
400 |
406.4 |
600 |
540.0 |
29.5 |
16 |
M27 |
R64 |
483.0 |
454.02 |
6.35 |
8.74 |
0.8 |
470.0 |
3 |
37.0 |
87 |
457 |
411.0 |
13 |
由用户 规定 |
52.06 |
|
|
450 |
457.0 |
635 |
578.0 |
32.5 |
16 |
M30 |
R68 |
546.0 |
517.52 |
6.35 |
8.74 |
0.8 |
533.5 |
3 |
40.0 |
97 |
505 |
462.5 |
13 |
56.21 |
||
|
500 |
508.0 |
700 |
635.0 |
32.5 |
20 |
M30 |
R72 |
597.0 |
558.80 |
6.35 |
8.74 |
0.8 |
584.5 |
3 |
43.0 |
103 |
559 |
514.5 |
13 |
73.40 |
||
|
600 |
610.0 |
815 |
749.5 |
35.5 |
20 |
M33 |
R76 |
711.0 |
673.10 |
6.35 |
8.74 |
0.8 |
692.5 |
3 |
48.0 |
111 |
664 |
616.0 |
13 |
99.83 |
||
|
公称压力 PN5.0MPa(50bar) |
||||||||||||||||||||||
|
公称 通径 DN |
焊环 端部 直径 (管子 外径) A |
连 接 尺 寸 |
密封面 |
法兰 厚度 C |
法兰 高度 H |
颈部 直径 N |
法兰孔 |
焊环长度 |
法兰 质量 /kg≈ |
|||||||||||||
|
法兰 外径 D |
螺栓 孔中 心圆 直径 K |
螺栓 |
槽号 |
Jmin |
P |
E |
F |
R1max |
d |
两法 兰间 距离 S≈ |
Bmin |
R、R2 |
Ⅰ型 L1 |
Ⅱ型 L2 |
||||||||
|
孔径 L |
数量 n |
螺纹 规格 |
||||||||||||||||||||
|
15 |
21.3 |
95 |
66.5 |
16 |
4 |
M14 |
R11 |
51.0 |
34.14 |
5.56 |
7.14 |
0.8 |
35.0 |
3 |
14.5 |
22 |
38 |
23.0 |
3 |
100 |
50 |
0.71 |
|
20 |
26.9 |
120 |
82.5 |
18 |
4 |
M16 |
R13 |
63.5 |
42.88 |
6.35 |
8.74 |
0.8 |
43.0 |
4 |
16.0 |
25 |
48 |
28.0 |
3 |
100 |
50 |
1.26 |
|
25 |
33.7 |
125 |
89.0 |
18 |
4 |
M16 |
R16 |
70.0 |
50.80 |
6.35 |
8.74 |
0.8 |
51.0 |
4 |
17.5 |
27 |
54 |
35.0 |
3 |
100 |
50 |
1.47 |
|
32 |
42.4 |
135 |
98.5 |
18 |
4 |
M16 |
R18 |
79.5 |
60.32 |
6.35 |
8.74 |
0.8 |
63.5 |
4 |
19.5 |
27 |
64 |
43.5 |
5 |
100 |
50 |
1.86 |
|
40 |
48.3 |
155 |
114.5 |
22 |
4 |
M20 |
R20 |
90.5 |
68.28 |
6.35 |
8.74 |
0.8 |
73.0 |
4 |
21.0 |
30 |
70 |
50.0 |
6 |
100 |
50 |
2.65 |
|
50 |
60.3 |
165 |
127.0 |
18 |
8 |
M16 |
R23 |
108.0 |
82.55 |
7.92 |
11.91 |
0.8 |
92.0 |
6 |
22.5 |
33 |
84 |
62.5 |
8 |
150 |
65 |
2.98 |
|
65 |
73.0 |
190 |
149.0 |
22 |
8 |
M20 |
R26 |
127.0 |
101.60 |
7.92 |
11.91 |
0.8 |
105.0 |
6 |
25.5 |
38 |
100 |
75.5 |
8 |
150 |
65 |
4.47 |
|
80 |
88.9 |
210 |
168.5 |
22 |
8 |
M20 |
R31 |
146.0 |
117.48 |
7.92 |
11.91 |
0.8 |
127.0 |
6 |
29.0 |
43 |
118 |
91.5 |
10 |
150 |
65 |
6.14 |
|
100 |
114.3 |
255 |
200.0 |
22 |
8 |
M20 |
R37 |
175.0 |
149.22 |
7.92 |
11.91 |
0.8 |
157.0 |
6 |
32.0 |
48 |
146 |
117.0 |
11 |
150 |
75 |
10.05 |
|
125 |
141.3 |
280 |
235.0 |
22 |
8 |
M20 |
R41 |
210.0 |
180.98 |
7.92 |
11.91 |
0.8 |
186.0 |
6 |
35.0 |
51 |
178 |
144.5 |
11 |
200 |
75 |
12.56 |
|
150 |
168.3 |
320 |
270.0 |
22 |
12 |
M20 |
R45 |
241.0 |
211.12 |
7.92 |
11.91 |
0.8 |
216.0 |
6 |
37.0 |
52 |
206 |
171.5 |
13 |
200 |
90 |
16.42 |
|
200 |
219.1 |
380 |
330.0 |
26 |
12 |
M24 |
R49 |
302.0 |
269.88 |
7.92 |
11.91 |
0.8 |
270.0 |
6 |
41.5 |
62 |
260 |
222.0 |
13 |
200 |
100 |
24.42 |
|
250 |
273.0 |
445 |
387.5 |
29.5 |
16 |
M27 |
R53 |
356.0 |
323.85 |
7.92 |
11.91 |
0.8 |
324.0 |
6 |
48.0 |
95 |
321 |
277.5 |
13 |
250 |
125 |
38.85 |
|
300 |
323.9 |
520 |
451.0 |
32.5 |
16 |
M30 |
R57 |
413.0 |
381.00 |
7.92 |
11.91 |
0.8 |
381.0 |
6 |
51.0 |
102 |
375 |
328.0 |
13 |
250 |
150 |
55.75 |
|
350 |
355.6 |
585 |
514.5 |
32.5 |
20 |
M30 |
R61 |
457.0 |
419.10 |
7.92 |
11.91 |
0.8 |
413.0 |
6 |
54.0 |
111 |
426 |
360.0 |
13 |
|
|
81.00 |
|
400 |
406.4 |
650 |
571.5 |
35.5 |
20 |
M33 |
R65 |
508.0 |
469.90 |
7.92 |
11.91 |
0.8 |
470.0 |
6 |
57.5 |
121 |
483 |
411.0 |
13 |
由用户 规定 |
104.9 |
|
|
450 |
457.0 |
710 |
628.5 |
35.5 |
24 |
M33 |
R69 |
575.0 |
533.40 |
7.92 |
11.91 |
0.8 |
533.5 |
6 |
60.5 |
130 |
533 |
462.5 |
13 |
128.6 |
||
|
500 |
508.0 |
775 |
686.0 |
35.5 |
24 |
M33 |
R73 |
635.0 |
584.20 |
9.52 |
13.49 |
1.5 |
584.0 |
6 |
63.5 |
140 |
587 |
514.5 |
13 |
156.0 |
||
|
600 |
610.0 |
915 |
813.0 |
42 |
24 |
M39 |
R77 |
749.0 |
692.15 |
11.13 |
16.66 |
1.5 |
692.0 |
6 |
70.0 |
152 |
702 |
616.0 |
13 |
235.1 |
||
|
公称压力 PN11.0MPa(110bar) |
||||||||||||||||||||||
|
公称 通径 DN |
焊环 端部 直径 (管子 外径) A |
连 接尺 寸 |
密封面 |
法兰 厚度 C |
法兰 高度 H |
颈部 直径 N |
法兰孔 |
焊环长度 |
法兰 质量 /kg≈ |
|||||||||||||
|
法兰 外径 D |
螺栓 孔中 心圆 直径 K |
螺栓 |
槽号 |
Jmin |
P |
E |
F |
R1max |
d |
两法 兰间 距离 S≈ |
Bmin |
R、R2 |
Ⅰ型 L1 |
Ⅱ型 L2 |
||||||||
|
孔径 L |
数量 n |
螺纹 规格 |
||||||||||||||||||||
|
15 |
21.3 |
95 |
66.5 |
16 |
4 |
M14 |
R11 |
51.0 |
34.14 |
5.56 |
7.14 |
0.8 |
35.0 |
3 |
14.5 |
22 |
38 |
23.0 |
3 |
100 |
50 |
0.71 |
|
20 |
26.9 |
120 |
82.5 |
18 |
4 |
M16 |
R13 |
63.5 |
42.88 |
6.35 |
8.74 |
0.8 |
43.0 |
4 |
16.0 |
25 |
48 |
28.0 |
3 |
150 |
65 |
1.30 |
|
25 |
33.7 |
125 |
89.0 |
18 |
4 |
M16 |
R16 |
70.0 |
50.80 |
6.35 |
8.74 |
0.8 |
51.0 |
4 |
17.5 |
27 |
54 |
35.0 |
3 |
150 |
65 |
1.51 |
|
32 |
42.4 |
135 |
98.5 |
18 |
4 |
M16 |
R18 |
79.5 |
60.32 |
6.35 |
8.74 |
0.8 |
63.5 |
4 |
21.0 |
29 |
64 |
43.5 |
5 |
150 |
65 |
2.06 |
|
40 |
48.3 |
155 |
114.5 |
22 |
4 |
M20 |
R20 |
90.5 |
68.28 |
6.35 |
8.74 |
0.8 |
73.0 |
4 |
22.5 |
32 |
70 |
50.0 |
6 |
150 |
75 |
2.86 |
|
50 |
60.3 |
165 |
127.0 |
18 |
8 |
M16 |
R23 |
108.0 |
82.55 |
7.92 |
11.91 |
0.8 |
92.0 |
5 |
25.5 |
37 |
84 |
62.5 |
8 |
150 |
75 |
3.48 |
|
65 |
73.0 |
190 |
149.0 |
22 |
8 |
M20 |
R26 |
127.0 |
101.60 |
7.92 |
11.91 |
0.8 |
105.0 |
5 |
29.0 |
41 |
100 |
75.5 |
8 |
200 |
90 |
5.06 |
|
80 |
88.9 |
210 |
168.5 |
22 |
8 |
M20 |
R31 |
146.0 |
123.82 |
7.92 |
11.91 |
0.8 |
127.0 |
5 |
32.0 |
46 |
117 |
91.5 |
10 |
200 |
100 |
6.74 |
|
100 |
114.3 |
275 |
216.0 |
26 |
8 |
M24 |
R37 |
175.0 |
149.22 |
7.92 |
11.91 |
0.8 |
157.5 |
5 |
38.5 |
54 |
152 |
117.0 |
11 |
250 |
125 |
14.32 |
|
125 |
141.3 |
330 |
267.0 |
29.5 |
8 |
M27 |
R41 |
210.0 |
180.98 |
7.92 |
11.91 |
0.8 |
186.0 |
5 |
44.5 |
60 |
189 |
144.5 |
11 |
250 |
150 |
23.60 |
|
150 |
168.3 |
355 |
292.0 |
29.5 |
12 |
M27 |
R45 |
241.0 |
211.12 |
7.92 |
11.91 |
0.8 |
216.0 |
5 |
48.0 |
67 |
222 |
171.5 |
13 |
300 |
175 |
27.83 |
|
200 |
219.1 |
420 |
349.0 |
32.5 |
12 |
M30 |
R49 |
302.0 |
269.88 |
7.92 |
11.91 |
0.8 |
270.0 |
5 |
55.5 |
74 |
273 |
222.0 |
13 |
300 |
190 |
42.04 |
|
250 |
273.0 |
510 |
432.0 |
35.5 |
16 |
M33 |
R53 |
356.0 |
323.85 |
7.92 |
11.91 |
0.8 |
324.0 |
5 |
63.5 |
111 |
343 |
277.5 |
13 |
350 |
200 |
75.69 |
|
300 |
323.9 |
560 |
489.0 |
35.5 |
20 |
M33 |
R57 |
413.0 |
381.00 |
7.92 |
11.91 |
0.8 |
381.0 |
5 |
67.0 |
117 |
400 |
328.0 |
13 |
350 |
250 |
90.85 |
|
350 |
355.6 |
605 |
527.0 |
39 |
20 |
M36 |
R61 |
457.0 |
419.10 |
7.92 |
11.91 |
0.8 |
413.0 |
5 |
70.0 |
127 |
432 |
360.0 |
13 |
由用户 规定 |
108.9 |
|
|
400 |
406.4 |
685 |
603.0 |
42 |
20 |
M39 |
R65 |
508.0 |
469.90 |
7.92 |
11.91 |
0.8 |
470.0 |
5 |
76.5 |
140 |
495 |
411.0 |
13 |
154.8 |
||
|
450 |
457.0 |
745 |
654.0 |
45 |
20 |
M42 |
R69 |
575.0 |
533.40 |
7.92 |
11.91 |
0.8 |
533.5 |
5 |
83.0 |
152 |
546 |
462.5 |
13 |
218.5 |
||
|
500 |
508.0 |
815 |
724.0 |
45 |
24 |
M42 |
R73 |
635.0 |
584.20 |
9.52 |
13.49 |
1.5 |
584.5 |
5 |
89.0 |
165 |
610 |
514.5 |
13 |
275.7 |
||
|
600 |
610.0 |
940 |
838.0 |
51 |
24 |
M48 |
R77 |
749.0 |
692.15 |
11.13 |
16.66 |
1.5 |
692.5 |
6 |
102.0 |
184 |
718 |
616.0 |
13 |
346.6 |
||
|
公称压力 PN15.0MPa(150bar) |
||||||||||||||||||||||
|
公称 通径 DN |
焊环 端部 直径 (管子 外径) A |
连 接 尺 寸 |
密封面 |
法兰 厚度 C |
法兰 高度 H |
颈部 直径 N |
法兰孔 |
焊环长度 |
法兰 质量 /kg≈ |
|||||||||||||
|
法兰 外径 D |
螺栓 孔中 心圆 直径 K |
螺栓 |
槽号 |
Jmin |
P |
E |
F |
R1max |
d |
两法 兰间 距离 S≈ |
Bmin |
R、R2 |
Ⅰ型 L1 |
Ⅱ型 L2 |
||||||||
|
孔径 L |
数量 n |
螺纹 规格 |
||||||||||||||||||||
|
15 |
21.3 |
120 |
82.5 |
22 |
4 |
M20 |
R12 |
60.5 |
39.67 |
6.35 |
8.74 |
0.8 |
35.0 |
4 |
22.5 |
32 |
38 |
23.0 |
3 |
150 |
75 |
1.65 |
|
20 |
26.9 |
130 |
89.0 |
22 |
4 |
M20 |
R14 |
66.5 |
44.45 |
6.35 |
8.74 |
0.8 |
43.0 |
4 |
25.5 |
35 |
44 |
28.0 |
3 |
150 |
75 |
2.23 |
|
25 |
33.7 |
150 |
101.5 |
26 |
4 |
M24 |
R16 |
71.5 |
50.80 |
6.35 |
8.74 |
0.8 |
51.0 |
4 |
29.0 |
41 |
52 |
35.0 |
3 |
200 |
90 |
3.30 |
|
32 |
42.4 |
160 |
111.0 |
26 |
4 |
M24 |
R18 |
81.0 |
60.32 |
6.35 |
8.74 |
0.8 |
63.5 |
4 |
29.0 |
41 |
64 |
43.5 |
5 |
200 |
90 |
3.76 |
|
40 |
48.3 |
180 |
124.0 |
29.5 |
4 |
M27 |
R20 |
92.0 |
68.28 |
6.35 |
8.74 |
0.8 |
73.0 |
4 |
32.0 |
44 |
70 |
50.0 |
6 |
200 |
90 |
5.21 |
|
50 |
60.3 |
215 |
165.0 |
26 |
8 |
M24 |
R27 |
124.0 |
95.25 |
7.92 |
11.91 |
0.8 |
92.0 |
3 |
38.5 |
57 |
105 |
62.5 |
8 |
250 |
125 |
8.70 |
|
65 |
73.0 |
245 |
190.5 |
29.5 |
8 |
M27 |
R35 |
137.0 |
107.95 |
7.92 |
11.91 |
0.8 |
105.0 |
3 |
41.5 |
64 |
124 |
75.5 |
8 |
250 |
150 |
12.09 |
|
80 |
88.9 |
240 |
190.5 |
26 |
8 |
M24 |
R31 |
156.0 |
123.82 |
7.92 |
11.91 |
0.8 |
138.0 |
4 |
38.5 |
54 |
127 |
91.5 |
10 |
250 |
125 |
10.76 |
|
100 |
114.3 |
290 |
235.0 |
32.5 |
8 |
M30 |
R37 |
181.0 |
149.22 |
7.92 |
11.91 |
0.8 |
168.0 |
4 |
44.5 |
70 |
159 |
117.0 |
11 |
300 |
175 |
18.82 |
|
125 |
141.3 |
350 |
279.5 |
35.5 |
8 |
M33 |
R41 |
216.0 |
180.98 |
7.92 |
11.91 |
0.8 |
197.0 |
4 |
51.0 |
79 |
190 |
144.5 |
11 |
300 |
200 |
31.34 |
|
150 |
168.3 |
380 |
317.5 |
32.5 |
12 |
M30 |
R45 |
241.0 |
211.12 |
7.92 |
11.91 |
0.8 |
227.0 |
4 |
56.0 |
86 |
235 |
171.5 |
13 |
300 |
200 |
41.10 |
|
200 |
219.1 |
470 |
393.5 |
39 |
12 |
M36 |
R49 |
308.0 |
269.88 |
7.92 |
11.91 |
0.8 |
281.0 |
4 |
63.5 |
114 |
298 |
222.0 |
13 |
300 |
200 |
79.49 |
|
250 |
273.0 |
545 |
470.0 |
39 |
16 |
M36 |
R53 |
362.0 |
323.85 |
7.92 |
11.91 |
0.8 |
335.0 |
4 |
70.0 |
127 |
368 |
277.5 |
13 |
350 |
250 |
105.0 |
|
300 |
323.9 |
610 |
533.5 |
39 |
20 |
M36 |
R57 |
419.0 |
381.00 |
7.92 |
11.91 |
0.8 |
392.0 |
4 |
79.5 |
143 |
419 |
328.0 |
13 |
350 |
250 |
141.4 |
|
350 |
355.6 |
640 |
559.0 |
42 |
20 |
M39 |
R62 |
467.0 |
419.10 |
11.13 |
16.66 |
1.5 |
424.0 |
4 |
86.0 |
156 |
451 |
360.0 |
13 |
|
|
161.6 |
|
400 |
406.4 |
705 |
616.0 |
45 |
20 |
M42 |
R66 |
524.0 |
469.90 |
11.13 |
16.66 |
1.5 |
481.0 |
4 |
89.0 |
165 |
508 |
411.0 |
13 |
由用户 规定 |
199.6 |
|
|
450 |
457.0 |
785 |
686.0 |
51 |
20 |
M48 |
R70 |
594.0 |
533.40 |
12.70 |
19.84 |
1.5 |
544.0 |
5 |
102.0 |
191 |
565 |
462.5 |
13 |
278.1 |
||
|
500 |
508.0 |
855 |
749.5 |
55 |
20 |
M52 |
R74 |
648.0 |
584.20 |
12.70 |
19.84 |
1.5 |
595.0 |
5 |
108.0 |
210 |
622 |
514.5 |
13 |
387.7 |
||
|
600 |
610.0 |
1040 |
901.5 |
68 |
20 |
M64 |
R78 |
772.0 |
692.15 |
15.88 |
26.97 |
2.4 |
703.5 |
6 |
140.0 |
292 |
749 |
616.0 |
13 |
696.4 |
||


