|
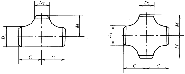
异径三通和异径四通 mm |
|||||||||||||
|
标记示例 公称通径400mm×400mm×300mm,外径为Ⅰ系列,壁厚等级STD的异径三通,标记为:T(R) 400×400×300-STD GB/T 13401 |
|||||||||||||
|
公称通径 DN |
端部外径 |
中心至端面 |
公称通径 DN |
端部外径 |
中心至端面 |
||||||||
|
D1 |
D2 |
C |
M |
D1 |
D2 |
C |
M |
||||||
|
Ⅰ系列 |
Ⅱ系列 |
Ⅰ系列 |
Ⅱ系列 |
Ⅰ系列 |
Ⅱ系列 |
Ⅰ系列 |
Ⅱ系列 |
||||||
|
150×150×65 |
168.3 |
159 |
73.0 |
76 |
143 |
121 |
850×850×550 |
864.0 |
— |
559.0 |
— |
635 |
572 |
|
150×150×80 |
168.3 |
159 |
88.9 |
89 |
143 |
124 |
850×850×600 |
864.0 |
— |
610.0 |
— |
635 |
584 |
|
150×150×90 |
168.3 |
— |
101.6 |
— |
143 |
127 |
850×850×650 |
864.0 |
— |
660.0 |
— |
635 |
597 |
|
150×150×100 |
168.3 |
159 |
114.3 |
108 |
143 |
130 |
850×850×700 |
864.0 |
— |
711.0 |
— |
635 |
597 |
|
150×150×125 |
168.3 |
159 |
141.3 |
133 |
143 |
137 |
850×850×750 |
864.0 |
— |
762.0 |
— |
635 |
610 |
|
200×200×90 |
219.1 |
— |
101.6 |
— |
178 |
152 |
850×850×800 |
864.0 |
— |
813.0 |
— |
635 |
622 |
|
200×200×100 |
219.1 |
219 |
114.3 |
108 |
178 |
156 |
900×900×400 |
914.0 |
— |
406.4 |
— |
673 |
559 |
|
200×200×125 |
219.1 |
219 |
141.3 |
133 |
178 |
162 |
900×900×450 |
914.0 |
— |
457.0 |
— |
673 |
572 |
|
200×200×150 |
219.1 |
219 |
168.3 |
159 |
178 |
168 |
900×900×500 |
914.0 |
— |
508.0 |
— |
673 |
584 |
|
250×250×100 |
273.0 |
273 |
114.3 |
108 |
216 |
184 |
900×900×550 |
914.0 |
— |
559.0 |
— |
673 |
597 |
|
250×250×125 |
273.0 |
273 |
141.3 |
133 |
216 |
191 |
900×900×600 |
914.0 |
— |
610.0 |
— |
673 |
610 |
|
250×250×150 |
273.0 |
273 |
168.3 |
159 |
216 |
194 |
900×900×650 |
914.0 |
— |
660.0 |
— |
673 |
622 |
|
250×250×200 |
273.0 |
273 |
219.1 |
219 |
216 |
203 |
900×900×700 |
914.0 |
— |
711.0 |
— |
673 |
622 |
|
300×300×125 |
323.9 |
325 |
141.3 |
133 |
254 |
216 |
900×900×750 |
914.0 |
— |
762.0 |
— |
673 |
635 |
|
300×300×150 |
323.9 |
325 |
168.3 |
159 |
254 |
219 |
900×900×800 |
914.0 |
920 |
813.0 |
820 |
673 |
648 |
|
300×300×200 |
323.9 |
325 |
219.1 |
219 |
254 |
229 |
900×900×850 |
914.0 |
— |
864.0 |
— |
673 |
660 |
|
300×300×250 |
323.9 |
325 |
273.0 |
273 |
254 |
241 |
950×950×450 |
965.0 |
— |
457.0 |
— |
711 |
597 |
|
350×350×150 |
356.0 |
377 |
168.0 |
159 |
279 |
238 |
950×950×500 |
965.0 |
— |
508.0 |
— |
711 |
610 |
|
350×350×200 |
356.0 |
377 |
219.0 |
219 |
279 |
248 |
950×950×550 |
965.0 |
— |
559.0 |
— |
711 |
622 |
|
350×350×250 |
356.0 |
377 |
273.0 |
273 |
279 |
257 |
950×950×600 |
965.0 |
— |
610.0 |
— |
711 |
635 |
|
350×350×300 |
356.0 |
377 |
324.0 |
325 |
279 |
270 |
950×950×650 |
965.0 |
— |
660.0 |
— |
711 |
648 |
|
400×400×150 |
406.0 |
426 |
168.0 |
159 |
305 |
264 |
950×950×700 |
965.0 |
— |
711.0 |
— |
711 |
648 |
|
400×400×200 |
406.0 |
426 |
219.0 |
219 |
305 |
273 |
950×950×750 |
965.0 |
— |
762.0 |
— |
711 |
673 |
|
400×400×250 |
406.0 |
426 |
273.0 |
273 |
305 |
283 |
950×950×800 |
965.0 |
— |
813.0 |
— |
711 |
686 |
|
400×400×300 |
406.0 |
426 |
324.0 |
325 |
305 |
295 |
950×950×850 |
965.0 |
— |
864.0 |
— |
711 |
698 |
|
400×400×350 |
406.0 |
426 |
356.0 |
377 |
305 |
305 |
950×950×900 |
965.0 |
— |
914.0 |
— |
711 |
711 |
|
450×450×200 |
457.0 |
480 |
219.0 |
219 |
343 |
298 |
1000×1000×450 |
1017.0 |
— |
457.0 |
— |
749 |
622 |
|
450×450×250 |
457.0 |
480 |
273.0 |
273 |
343 |
308 |
1000×1000×500 |
1017.0 |
— |
508.0 |
— |
749 |
635 |
|
450×450×300 |
457.0 |
480 |
324.0 |
325 |
343 |
321 |
1000×1000×550 |
1017.0 |
— |
559.0 |
— |
749 |
648 |
|
450×450×350 |
457.0 |
480 |
356.0 |
377 |
343 |
330 |
1000×1000×600 |
1017.0 |
— |
610.0 |
— |
749 |
660 |
|
450×450×400 |
457.0 |
480 |
406.0 |
426 |
343 |
330 |
1000×1000×650 |
1017.0 |
— |
660.0 |
— |
749 |
673 |
|
500×500×200 |
508.0 |
530 |
219.0 |
219 |
381 |
324 |
1000×1000×700 |
1017.0 |
— |
711.0 |
— |
749 |
673 |
|
500×500×250 |
508.0 |
530 |
273.0 |
273 |
381 |
333 |
1000×1000×750 |
1017.0 |
— |
762.0 |
— |
749 |
698 |
|
500×500×300 |
508.0 |
530 |
324.0 |
325 |
381 |
346 |
1000×1000×800 |
1017.0 |
— |
813.0 |
— |
749 |
711 |
|
500×500×350 |
508.0 |
530 |
356.0 |
377 |
381 |
356 |
1000×1000×850 |
1017.0 |
— |
864.0 |
— |
749 |
724 |
|
500×500×400 |
508.0 |
530 |
406.0 |
426 |
381 |
356 |
1000×1000×900 |
1017.0 |
1020 |
914.0 |
920 |
749 |
737 |
|
500×500×450 |
508.0 |
530 |
457.0 |
480 |
381 |
368 |
1000×1000×950 |
1017.0 |
— |
965.0 |
— |
749 |
749 |
|
550×550×250 |
559.0 |
— |
273.0 |
— |
419 |
359 |
1050×1050×400 |
1067.0 |
— |
406.4 |
— |
762 |
635 |
|
550×550×300 |
559.0 |
— |
323.9 |
— |
419 |
371 |
1050×1050×450 |
1067.0 |
— |
457.0 |
— |
762 |
648 |
|
550×550×350 |
559.0 |
— |
355.6 |
— |
419 |
381 |
1050×1050×500 |
1067.0 |
— |
508.0 |
— |
762 |
660 |
|
550×550×400 |
559.0 |
— |
406.4 |
— |
419 |
381 |
1050×1050×550 |
1067.0 |
— |
559.0 |
— |
762 |
660 |
|
550×550×450 |
559.0 |
— |
457.0 |
— |
419 |
394 |
1050×1050×600 |
1067.0 |
— |
610.0 |
— |
762 |
660 |
|
550×550×500 |
559.0 |
— |
508.0 |
— |
419 |
406 |
1050×1050×650 |
1067.0 |
— |
660.0 |
— |
762 |
698 |
|
600×600×250 |
610.0 |
630 |
273.0 |
273 |
432 |
384 |
1050×1050×700 |
1067.0 |
— |
711.0 |
— |
762 |
698 |
|
600×600×300 |
610.0 |
630 |
323.9 |
325 |
432 |
397 |
1050×1050×750 |
1067.0 |
— |
762.0 |
— |
762 |
711 |
|
600×600×350 |
610.0 |
630 |
355.6 |
377 |
432 |
406 |
1050×1050×800 |
1067.0 |
— |
813.0 |
— |
762 |
711 |
|
600×600×400 |
610.0 |
630 |
406.4 |
426 |
432 |
406 |
1050×1050×850 |
1067.0 |
— |
864.0 |
— |
762 |
711 |
|
600×600×450 |
610.0 |
630 |
457.0 |
480 |
432 |
419 |
1050×1050×900 |
1067.0 |
— |
914.0 |
— |
762 |
711 |
|
600×600×500 |
610.0 |
630 |
508.0 |
530 |
432 |
432 |
1050×1050×950 |
1067.0 |
— |
965.0 |
— |
762 |
711 |
|
600×600×550 |
610.0 |
— |
559.0 |
— |
432 |
432 |
1050×1050×1000 |
1067.0 |
— |
1016.0 |
— |
762 |
711 |
|
650×650×300 |
660.0 |
— |
323.9 |
— |
495 |
422 |
1100×1100×500 |
1118.0 |
— |
508.0 |
— |
813 |
686 |
|
650×650×350 |
660.0 |
— |
355.6 |
— |
495 |
432 |
1100×1100×550 |
1118.0 |
— |
559.0 |
— |
813 |
686 |
|
650×650×400 |
660.0 |
— |
406.4 |
— |
495 |
432 |
1100×1100×600 |
1118.0 |
— |
610.0 |
— |
813 |
698 |
|
650×650×450 |
660.0 |
— |
457.0 |
— |
495 |
444 |
1100×1100×650 |
1118.0 |
— |
660.0 |
— |
813 |
698 |
|
650×650×500 |
660.0 |
— |
508.0 |
— |
495 |
457 |
1100×1100×700 |
1118.0 |
— |
711.0 |
— |
813 |
698 |
|
650×650×550 |
660.0 |
— |
559.0 |
— |
495 |
470 |
1100×1100×750 |
1118.0 |
— |
762.0 |
— |
813 |
711 |
|
650×650×600 |
660.0 |
— |
610.0 |
— |
495 |
483 |
1100×1100×800 |
1118.0 |
— |
813.0 |
— |
813 |
711 |
|
700×700×300 |
711.0 |
720 |
323.9 |
325 |
521 |
448 |
1100×1100×850 |
1118.0 |
— |
864.0 |
— |
813 |
724 |
|
700×700×350 |
711.0 |
720 |
355.6 |
377 |
521 |
457 |
1100×1100×900 |
1118.0 |
— |
914.0 |
— |
813 |
724 |
|
700×700×400 |
711.0 |
720 |
406.4 |
426 |
521 |
457 |
1100×1100×950 |
1118.0 |
— |
965.0 |
— |
813 |
737 |
|
700×700×450 |
711.0 |
720 |
457.0 |
480 |
521 |
470 |
1100×1100×1000 |
1118.0 |
1120 |
1016.0 |
1020 |
813 |
749 |
|
700×700×500 |
711 |
720 |
508.0 |
530 |
521 |
483 |
1100×1100×1050 |
1118.0 |
— |
1067.0 |
— |
813 |
762 |
|
700×700×550 |
711 |
— |
559.0 |
— |
521 |
495 |
1150×1150×550 |
1168.0 |
— |
559.0 |
— |
851 |
724 |
|
700×700×600 |
711.0 |
720 |
610.0 |
630 |
521 |
508 |
1150×1150×600 |
1168.0 |
— |
610.0 |
— |
851 |
724 |
|
700×700×650 |
711.0 |
— |
660.0 |
— |
521 |
521 |
1150×1150×650 |
1168.0 |
— |
660.0 |
— |
851 |
737 |
|
750×750×250 |
762.0 |
— |
273.0 |
— |
559 |
460 |
1150×1150×700 |
1168.0 |
— |
711.0 |
— |
851 |
737 |
|
750×750×300 |
762.0 |
— |
323.9 |
— |
559 |
473 |
1150×1150×750 |
1168.0 |
— |
762.0 |
— |
851 |
737 |
|
750×750×350 |
762.0 |
— |
355.6 |
— |
559 |
483 |
1150×1150×800 |
1168.0 |
— |
813.0 |
— |
851 |
749 |
|
750×750×400 |
762.0 |
— |
460.4 |
— |
559 |
483 |
1150×1150×850 |
1168.0 |
— |
864.0 |
— |
851 |
749 |
|
750×750×450 |
762.0 |
— |
457.0 |
— |
559 |
495 |
1150×1150×900 |
1168.0 |
— |
914.0 |
— |
851 |
762 |
|
750×750×500 |
762.0 |
— |
508.0 |
— |
559 |
508 |
1150×1150×950 |
1168.0 |
— |
965.0 |
— |
851 |
762 |
|
750×750×550 |
762.0 |
— |
559.0 |
— |
559 |
521 |
1150×1150×1000 |
1168.0 |
— |
1016.0 |
— |
851 |
775 |
|
750×750×600 |
762.0 |
— |
610.0 |
— |
559 |
533 |
1150×1150×1050 |
1168.0 |
— |
1067.0 |
— |
851 |
787 |
|
750×750×650 |
762.0 |
— |
660.0 |
— |
559 |
546 |
1150×1150×1100 |
1168.0 |
— |
1118.0 |
— |
851 |
800 |
|
750×750×700 |
762.0 |
— |
711.0 |
— |
559 |
546 |
1200×1200×550 |
1219.0 |
— |
559.0 |
— |
889 |
737 |
|
800×800×350 |
813.0 |
820 |
355.6 |
377 |
597 |
508 |
1200×1200×600 |
1219.0 |
— |
610.0 |
— |
889 |
737 |
|
800×800×400 |
813.0 |
820 |
406.4 |
426 |
597 |
508 |
1200×1200×650 |
1219.0 |
— |
660.0 |
— |
889 |
762 |
|
800×800×450 |
813.0 |
820 |
457.0 |
480 |
597 |
521 |
1200×1200×700 |
1219.0 |
— |
711.0 |
— |
889 |
762 |
|
800×800×500 |
813.0 |
820 |
508.0 |
530 |
597 |
533 |
1200×1200×750 |
1219.0 |
— |
762.0 |
— |
889 |
762 |
|
800×800×550 |
813.0 |
— |
559.0 |
— |
597 |
546 |
1200×1200×800 |
1219.0 |
— |
813.0 |
— |
889 |
787 |
|
800×800×600 |
813.0 |
820 |
610.0 |
630 |
597 |
559 |
1200×1200×850 |
1219.0 |
— |
864.0 |
— |
889 |
787 |
|
800×800×650 |
813.0 |
— |
660.0 |
— |
597 |
572 |
1200×1200×900 |
1219.0 |
— |
914.0 |
— |
889 |
787 |
|
800×800×700 |
813.0 |
820 |
711.0 |
720 |
597 |
572 |
1200×1200×950 |
1219.0 |
— |
965.0 |
— |
889 |
813 |
|
800×800×750 |
813.0 |
— |
762.0 |
— |
597 |
584 |
1200×1200×1000 |
1219.0 |
— |
1016.0 |
— |
889 |
813 |
|
850×850×400 |
864.0 |
— |
406.4 |
— |
635 |
533 |
1200×1200×1050 |
1219.0 |
— |
1067.0 |
— |
889 |
813 |
|
850×850×450 |
864.0 |
— |
457.0 |
— |
635 |
546 |
1200×1200×1100 |
1219.0 |
1220 |
1118.0 |
1120 |
889 |
838 |
|
850×850×500 |
864.0 |
— |
508.0 |
— |
635 |
559 |
1200×1200×1150 |
1219.0 |
— |
1168.0 |
— |
889 |
838 |
|
注:DN350及以上的三通和四通,推荐但并不要求采用出口尺寸M。 |
|||||||||||||

