|
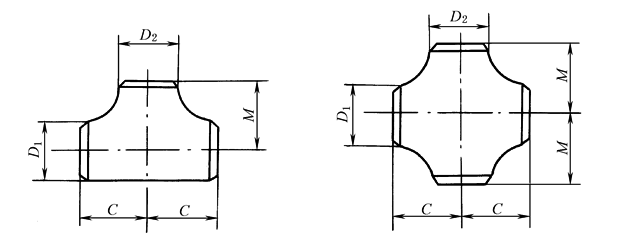
等径三通和等径四通 mm |
|||||||||
|
|
|||||||||
|
公称通径 DN |
端部外径 |
中心至端面 |
公称通径 DN |
端部外径 |
中心至端面 |
||||
|
D1,D2 |
C |
M |
D1,D2 |
C |
M |
||||
|
Ⅰ系列 |
Ⅱ系列 |
Ⅰ系列 |
Ⅱ系列 |
||||||
|
150 |
168.3 |
159 |
143 |
143 |
700 |
711.0 |
720 |
521 |
521 |
|
200 |
219.1 |
219 |
178 |
178 |
750 |
762.0 |
— |
559 |
559 |
|
250 |
273.0 |
273 |
216 |
216 |
800 |
813.0 |
820 |
597 |
597 |
|
300 |
323.9 |
325 |
254 |
254 |
850 |
864.0 |
— |
635 |
635 |
|
350 |
356.0 |
377 |
279 |
279 |
900 |
914.0 |
920 |
673 |
673 |
|
400 |
406.0 |
426 |
305 |
305 |
950 |
965.0 |
— |
711 |
711 |
|
450 |
457.0 |
480 |
343 |
343 |
1000 |
1016.0 |
1020 |
749 |
711 |
|
500 |
508.0 |
530 |
381 |
381 |
1050 |
1067.0 |
— |
762 |
749 |
|
550 |
559.0 |
— |
419 |
419 |
1100 |
1118.0 |
1120 |
813 |
762 |
|
600 |
610.0 |
630 |
432 |
432 |
1150 |
1168.0 |
— |
851 |
800 |
|
650 |
660.0 |
— |
495 |
495 |
1200 |
1220.0 |
1220 |
889 |
838 |
|
注:1.DN650及以上的三通和四通,推荐但并不要求采用出口尺寸M。 2.尺寸M适用于DN600及以下的四通。 |
|||||||||

