|
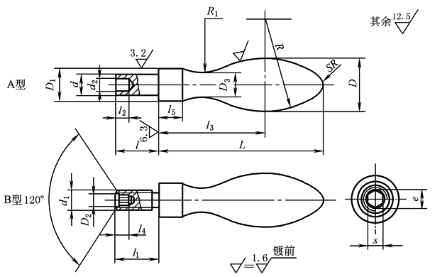
曲面手柄(JB/T 7270.2—1994) mm |
||||||||||||||||||||||||
|
材料:35钢;Q235-A。 表面处理:喷砂镀铬(PS/D·Cr);镀铬抛光(D·L3Cr);氧化(H·Y)。 标记示例 A型,d=6,L=50,l=12,35钢,喷砂镀铬曲面手柄,标记为:手柄 6×50×12 JB/T 7270.2 B型,d1=M6,L=50,35钢,喷砂镀铬曲面手柄,标记为:手柄 BM6×50 JB/T 7270.2 |
||||||||||||||||||||||||
|
d |
d1 |
L |
l |
l1 |
D |
D1 |
D2 |
D3 |
d2 |
l2 |
l3 ≈ |
l4 |
l5 |
e |
s |
R |
R1 |
SR |
每件 质量 /kg≈ |
|||||
|
基本 尺寸 |
极限偏差 js7 |
|||||||||||||||||||||||
|
4 |
±0.006 |
M4 |
32 |
— |
— |
6 |
8 |
10 |
8 |
10 |
7 |
2.5 |
5 |
2.5 |
3 |
20 |
2 |
4 |
2.3 |
2 |
20 |
9.5 |
2 |
0.012 |
|
5 |
M5 |
40 |
8 |
10 |
12 |
10 |
13 |
8 |
3.1 |
6.5 |
3.5 |
4 |
25 |
2.5 |
5 |
2.9 |
2.5 |
24 |
14.5 |
2.5 |
0.027 |
|||
|
6 |
M6 |
50 |
10 |
12 |
14 |
16 |
12 |
16 |
10 |
4 |
8 |
4 |
32 |
3 |
7 |
3.5 |
3 |
28 |
19 |
3 |
0.049 |
|||
|
8 |
±0.007 |
M8 |
63 |
12 |
14 |
16 |
18 |
20 |
14 |
20 |
12 |
5 |
10 |
5.5 |
39 |
4 |
8 |
4.6 |
4 |
41 |
21 |
0.085 |
||
|
10 |
M10 |
80 |
16 |
18 |
20 |
22 |
25 |
16 |
25 |
15 |
6.3 |
13 |
7 |
5 |
49 |
5 |
10 |
5.8 |
5 |
50 |
29 |
4 |
0.18 |
|
|
12 |
±0.009 |
M12 |
100 |
20 |
22 |
25 |
28 |
32 |
18 |
32 |
18 |
7.5 |
16 |
9 |
6 |
60 |
6 |
13 |
6.9 |
6 |
63 |
40 |
4.5 |
0.36 |
|
16 |
M16 |
112 |
22 |
25 |
28 |
32 |
36 |
20 |
36 |
22 |
9.8 |
18 |
12 |
8 |
70 |
8 |
14 |
9.2 |
8 |
68 |
41 |
7 |
0.51 |
|
|
注:1.其他技术要求按JB/T 7277的规定。 2.经供需双方协商,B型手柄顶端可不制出内六角。 |
||||||||||||||||||||||||

