|
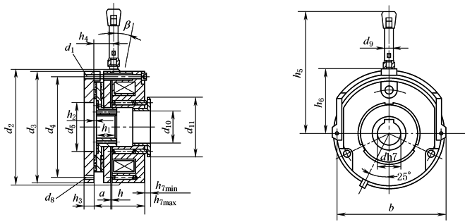
DHD4、DHD5手动释放型失电制动器(DHD4为转矩可调、DHD5为转矩不可调) |
||||||||||
|
|
||||||||||
|
型号 参数 |
|
|
|
|
|
|
|
|
|
|
|
静摩擦扭矩/N·m |
≥4 |
≥8 |
≥16 |
≥40 |
≥60 |
≥80 |
≥150 |
≥260 |
≥400 |
|
|
励磁电压/DC-V |
24、96、103、170、180、190、205 |
|||||||||
|
功率(20℃)/W |
20 |
25 |
30 |
40 |
50 |
55 |
85 |
100 |
110 |
|
|
最高转速/r·min-1 |
3000 |
1500 |
||||||||
|
接通(释放)时间/ms |
45 |
60 |
73 |
111 |
213 |
221 |
272 |
— |
375 |
|
|
断开(制动)时间/ms |
29 |
32 |
47 |
57 |
38 |
53 |
85 |
— |
219 |
|
|
h |
/mm |
36.3 |
42.8 |
48.4 |
54.9 |
65.5 |
72.5 |
83.1 |
97.6 |
105.7 |
|
h1 |
18 |
20 |
20 |
25 |
30 |
30 |
35 |
40 |
50 |
|
|
h2 |
1.0 |
1.5 |
2 |
2 |
2 |
2.25 |
2.75 |
3.5 |
4.5 |
|
|
h3 |
6 |
7 |
9 |
11 |
11 |
11 |
11 |
11 |
12.5 |
|
|
h4 |
16 |
16.5 |
28 |
30 |
33 |
38 |
41 |
48 |
58 |
|
|
h5 |
98 |
111 |
121 |
140 |
165 |
196 |
242 |
276 |
280 |
|
|
h6 |
54.5 |
63 |
74 |
85 |
98 |
113 |
124 |
140 |
172 |
|
|
β |
9°~12° |
9°~12° |
9°~12° |
9°~12° |
9°~12° |
9°~12° |
9°~12° |
9°~12° |
9°~12° |
|
|
h7min |
3 |
4 |
5 |
5 |
5 |
6 |
6 |
8 |
8 |
|
|
h7max |
5.5 |
6 |
9.5 |
10 |
11 |
11.5 |
15 |
18 |
18 |
|
|
a标准 |
0.2 |
0.2 |
0.2 |
0.3 |
0.3 |
0.3 |
0.4 |
0.4 |
0.5 |
|
|
a极限 |
0.4 |
0.4 |
0.4 |
0.5 |
0.5 |
0.5 |
0.8 |
0.8 |
0.8 |
|
|
b |
88 |
106.5 |
132 |
152 |
169 |
194.5 |
222 |
258 |
308 |
|
|
dh7 |
11、12 |
11、12、14、15 |
11、12、14、15、20 |
20、25 |
20、25、30 |
25、30、35、38 |
30、35、40、45 |
35、40、45、50 |
40、45、50、55、60、65、70 |
|
|
d1 |
3-M4 |
3-M5 |
3-M6 |
3-M6 |
3-M8 |
3-M8 |
6-M8 |
6-M10 |
6-M10 |
|
|
d2 |
91 |
109 |
134 |
155 |
169 |
195 |
222 |
259 |
308 |
|
|
d3 |
87 |
105 |
130 |
150 |
165 |
190 |
217 |
254 |
302 |
|
|
d4 |
72 |
90 |
112 |
132 |
145 |
170 |
196 |
230 |
278 |
|
|
d5 |
31 |
41 |
45 |
52 |
55 |
70 |
77 |
90 |
120 |
|
|
d6 |
27 |
32 |
42 |
50 |
60 |
68 |
75 |
85 |
115 |
|
|
d8 |
3~4.5 |
3~5.5 |
3~7 |
3~7 |
3~9 |
3~9 |
6~9 |
6~11 |
6~11 |
|
|
d9 |
8 |
8 |
10 |
10 |
12 |
12 |
14 |
14 |
16 |
|
|
d10 |
24 |
26 |
35 |
40 |
52 |
52 |
62 |
72 |
85 |
|
|
d11 |
52 |
60 |
73 |
82 |
92 |
112 |
116 |
135 |
173 |
|
|
注:1.手动释放机构、防尘罩、法兰为选购件。 2.功率(20°)(W)表中数字是指VDC=2.4伏下的电功率。 3.生产厂家为北京古德高机电技术有限公司。 |
||||||||||

