|
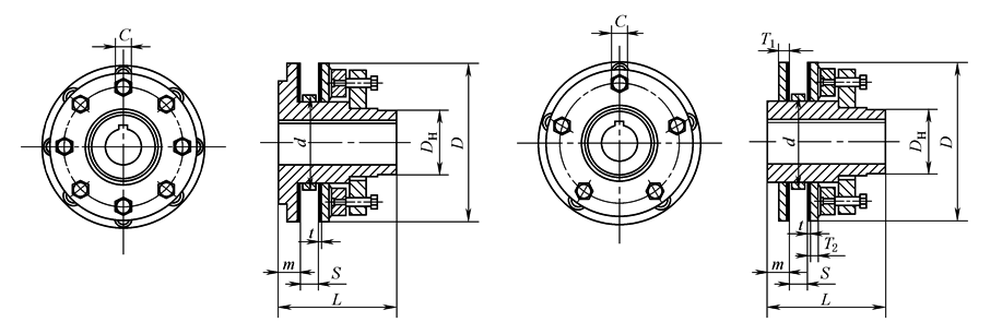
MC重型转矩限制器 |
|||||||||||||
|
MC10 MC14,MC20
|
|||||||||||||
|
型号 |
转矩范围 /N·m |
孔径 /mm |
最高转速 /r·min-1 |
传动件最大宽度S /mm |
质量 /kg |
||||||||
|
MC10-16 |
392~1247 |
30~72 |
300 |
24 |
21 |
||||||||
|
MC10-24 |
588~1860 |
||||||||||||
|
MC14-10 |
882~2666 |
40~100 |
200 |
29 |
52 |
||||||||
|
MC14-15 |
1960~3920 |
||||||||||||
|
MC20-6 |
2450~4900 |
50~130 |
100 |
31 |
117 |
||||||||
|
MC20-12 |
4606~9310 |
||||||||||||
|
型号 |
D |
DH |
L |
m |
T1 |
T2 |
t |
C |
d |
||||
|
mm |
|||||||||||||
|
MC10-16 |
254 |
100 |
115 |
23 |
8.5 |
— |
4.0 |
19 |
|
||||
|
MC10-24 |
|||||||||||||
|
MC14-10 |
356 |
145 |
150 |
31 |
13 |
13 |
4.0 |
27 |
|
||||
|
MC14-15 |
|||||||||||||
|
MC20-6 |
508 |
185 |
175 |
36 |
15 |
18 |
4.0 |
36 |
|
||||
|
MC20-12 |
|||||||||||||
|
注:1.本产品由北京古德高机电技术有限公司生产。 2.内孔中的键槽按用户要求加工。 |
|||||||||||||

