|
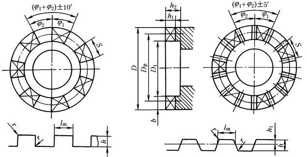
梯形、矩形牙形齿爪结构尺寸 /mm |
||||||||||||
|
|
||||||||||||
|
D |
D1 |
齿数 z |
矩 形 牙 |
梯 形 牙 |
h |
h2 |
h1 |
r |
||||
|
φ2 |
φ1 |
S |
|
φ1 |
S |
|||||||
|
40 |
28 |
5 |
37° |
35° |
12.03 |
36° |
36° |
12.36 |
5 |
6 |
2.1 |
0.5 |
|
50 |
35 |
5 |
37° |
35° |
15.04 |
36° |
36° |
15.45 |
5 |
6 |
2.1 |
0.5 |
|
60 |
45 |
7 |
26°43' |
24°43' |
12.84 |
25°43' |
25°43' |
13.35 |
6 |
8 |
2.6 |
0.8 |
|
70 |
50 |
7 |
26°43' |
24°43' |
14.98 |
25°43' |
25°43' |
13.57 |
6 |
8 |
2.6 |
0.8 |
|
80 |
60 |
7 |
26°43' |
24°43' |
17.12 |
25°43' |
25°43' |
17.80 |
6 |
8 |
2.6 |
0.8 |
|
90 |
65 |
7 |
26°43' |
24°43' |
19.26 |
25°43' |
25°43' |
20.03 |
6 |
8 |
2.6 |
0.8 |
|
100 |
75 |
7 |
26°43' |
24°43' |
21.40 |
25°43' |
25°43' |
22.25 |
6 |
8 |
2.6 |
0.8 |
|
120 |
90 |
9 |
21°30' |
18°30' |
19.29 |
20° |
20° |
20.84 |
8 |
10 |
3.6 |
1.0 |
|
140 |
100 |
9 |
21°30' |
18°30' |
22.50 |
20° |
20° |
24.31 |
8 |
10 |
3.6 |
1.0 |
|
160 |
120 |
11 |
18°22' |
14°22' |
20.01 |
16°22' |
16°22' |
22.77 |
8 |
10 |
3.6 |
1.0 |
|
180 |
130 |
11 |
18°22' |
14°22' |
22.51 |
16°22' |
16°22' |
25.62 |
8 |
10 |
3.6 |
1.0 |
|
200 |
150 |
11 |
18°22' |
14°22' |
25.01 |
16°22' |
16°22' |
28.47 |
8 |
10 |
3.6 |
1.0 |
|
注:牙齿平均直径 |
||||||||||||

