|
嵌合式离合器的简图及特点 |
||
|
名称和简图 |
转矩范围/N·m |
特点和应用 |
|
牙嵌离合器
|
63~4100 |
外形尺寸小,传递转矩大,接合后主从动轴无相对滑动,传动比不变。但接合时有冲击,适合于静止接合,或转速差较小时接合(对矩形牙转速差小于等于10r/min,对其余牙形转速差小于等于300r/min),要求主从动轴严格同心,为此常设对中环。主要用于低速机械的传动轴系 |
|
转键离合器
|
100~3700 |
结构简单,动作灵活、可靠,有单键(单向转动)和双键(双向转动)两种结构,单键单向传递转矩,双键双向传递转矩。适用于轴与传动件连接,主从动部分在离合过程不需沿轴向移动。可在转速差小于等于200r/min下接合,常用于各种曲柄压力机中 |
|
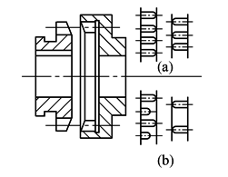
齿式离合器
|
100~3700 |
利用一对可沿轴向离合、具有相同齿数的内外齿轮组成嵌合副。其特点是传递转矩大,外形尺寸小,轮齿加工比端面牙容易,并可传递双向转矩 适宜用于转速差不大,带载荷进行接合,且传递转矩较大的机械主传动或变速机械的传动轴系 |



