|
YOT系列 |
||||||||
|
|
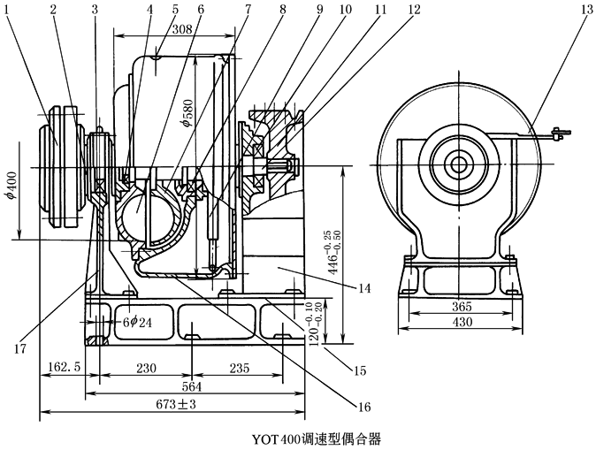
1—弹性联轴器;2—连接轴; 3—轴承215;4—轴承92210; 5—易熔塞;6—泵轮; 7—涡轮;8—轴承213; 9—勺管机构;10—轴承410; 11—带轮;12—主轴; 13—手摇机构;14—勺管支架; 15—底座;16—转动外壳; 17—轴承座 |
|||||||
|
技术性能 |
||||||||
|
型 号 |
输入转速 /r·min-1 |
传递功率范围 /kW |
额定滑差 S*/% |
冷却方法 |
注油量 /L |
调速范围 i |
外形尺寸/mm 长×宽×高 |
|
|
YOT400 |
1000 1500 |
12~21 40~70 |
1.5~3 |
壳体风冷 带冷却器 |
14 |
0.1~0.97 |
673×710×736 |
|
|
注:1.该产品属进口调节式,但自带支承架,偶合器重量不再悬挂在原动机上,安装对中较为方便。输出为带轮,也可改为联轴器。 2.生产厂家为江苏南通机械厂。 |
||||||||

