|
流道选型设计 |
||||||||||||||||||||||||||||||||||
|
偶合器流道的几何参数包括:流道在轴面上的几何形状、叶片数目、厚度和角度,有无内环和挡板及它们的尺寸及辅油室的位置和容积等。不同偶合器流道、其原始特性各不相同。目前,国内外常用的几种流道和其由试验所得的原始特性见表1 (1)流道选型原则 ① 在额定工况滑差S*(或i*)时,偶合器原始特性应具有尽可能大的扭矩系数λ*值 由 ② 对于限矩型偶合器,涡轮零速(S=1)工况时的转矩系数 λ0 应尽可能小,或在规定的过载系数 Tg 之内,使偶合器有较好的过载防护性能。某些要求脱离的调速型偶合器也希望有较小的λ0,以减小在脱离状态下流道内部的空转损失,避免长期空转时,偶合器流道内温升过高而产生故障 ③ 对于限矩型偶合器,还希望特性曲线波动较小。这种波动常用凹陷系数e=λLmax/λLmin来表示,式中λLmax和λLmin分别为dλ/di>0区段上扭矩系数的局部最大值和最小值。e 值愈大,性能愈差,e=1.0最佳,一般e≤1.4。当e>Tg时,在启动过程中偶合器就有可能不能加速到额定工况点,因而无法维持正常工作 ④ 对于绝大多数要求无级调速的工作机,一般调速偶合器无限矩要求,相反希望在 S 增加时 M 急剧增加,也即具有较“坚挺”的特性,以扩大偶合器的调速范围 ⑤ 为便于叶轮与轴、勺管装置以及辅油室等的结构布置,希望流道有较大的d0/D值。对于用机械加工方法形成流道的还要求流道轴面形状简单。尽可能用径向直叶片使偶合器正反方向运转时性能相同。还应注意所选用的流道在运转中有较小的轴向推力 上述几条原则仅供流道选型时分析比较之用,最佳的选择自然还视所设计偶合器的具体情况而定。例如将偶合器作为液力制动器(或减速器,水力测功器)时,就希望在设计工况S*=1时具有很大的 λ0 以减小尺寸。这种特殊情况这里不加讨论 |
||||||||||||||||||||||||||||||||||
|
表1 国内外常用的液力偶合器流道及其原始特性 |
||||||||||||||||||||||||||||||||||
|
序列 |
流道 名称 |
流道几何形状 |
原始特性 |
有效直径D/m |
几何参数 |
特性参数 |
叶片数目 |
充油度 |
特点 |
模型情况 |
||||||||||||||||||||||||
|
1 |
桃形 |
|
|
Me——偶合器所传额定转矩,N·m; Ne——偶合器所传的额定功率kW; ρ——工作油密度,kg/m3; g——重力加速度,g=9.81m/s2; λ*——额定工况转速比i*(或S*)时的转矩系数,min2/m; 本表中λ0.97,λ0.98和λ0.96所对应的i*各为0.97,0.98和0.96; nDe——原动机或泵轮额定转速,r/min |
d0=0.525D ρ1=0.16D ρ2=0.104D S=0.05D △=0.01D |
λ0.97=(1.6~2.1)×10-6 λ0.98=(1.2~1.3)×10-6 |
zB=8.65D0.279(D用mm) zT=zB±2 |
全充油 |
普遍用于调速型,d0/D较大 |
D=0.4m nB=1400r/min |
||||||||||||||||||||||||
|
2 |
扁圆形 |
|
|
d0=0.415D ρ=0.1465D S=0.0244D d1=0.585D △=0.01D |
λ0.97=(2.0~2.4)×10-6 λ0.98=(1.4~1.6)×10-6 |
普遍用于调速型,d0/D较小,但λ0.97较大 |
D=0.36m nB=1470r/min |
|||||||||||||||||||||||||||
|
3 |
牵引型(静压倾泄式) |
|
|
d0=0.32D d2=0.53D d1=0.60D ρ=0.15D b=0.30D △=0.01D |
λ0.96≈1.6×10-6 λ0=4.6×10-6 Tg=2.87 Tgmax=3.88 |
定量部分充油 |
用于启动大惯量工作机 |
D=0.368m nB=1450r/min |
||||||||||||||||||||||||||
|
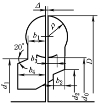
4 |
限矩型(动压倾泄式) |
|
|
d0=0.52D, ρ=0.12D b1=0.10D, b2=0.07D b3=0.055D, b4=0.158D d1=0.516D d2=0.376D △=0.01D |
λ0.96=(1.35~1.6)×10-6 Tg=2.5~3.4 |
流道宽度较小 |
D=0.368m nB=1450r/min |
|||||||||||||||||||||||||||
|
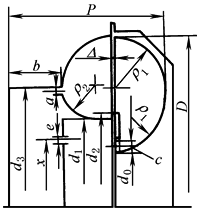
5 |
限矩型(延充式) |
|
|
d0=0.32D, d1=0.52D d2=0.55D, d3=0.7D ρ1=0.15D, ρ2=0.1D b1=0.15D, B=0.45D, △=0.01D a=4×f 0.008D e=4×f 0.0125D c=8×f 0.03D r尽量小,视结构而定 |
λ0.96=1.4×10-6 λ0=2.6×10-6 Tg=1.84~2.04 |
D=0.65m nB=980r/min zB=82 zT=80 |
||||||||||||||||||||||||||||
|
注:1.表中所列流道,其叶片均为径向直叶片,故正反转的特性相同。 2.对序列3、4、5定量部分充油流道λ0.96, 3.序列5的延充式流道可加装延充阀。 4.用表中公式计算有效直径D 时,未考虑偶合器模型和实物之间因R e不同而引起的不大影响,实际上这一影响还是存在的。具体表现为λ*(加λ0.97)有一变化范围,当设计的偶合器泵轮转速nB愈高,D 愈大、流道加工有较高的精密度和较低的粗糙度、油温较高和油的粘度愈小时,则同—i下的λ*值偏大(以上任一因素均影响λ*偏大),反之则偏小。这一点在计算D 时应按具体加以考虑。 5.为了通用和便于选购定型产品,由上表计算出来有效直径D ,必须向上圆整到国标GB/T 5837—1993所规定的系列尺寸,例如200mm,220mm,250mm,280mm,320mm,360mm,400mm,450mm,500mm,560mm,650mm,750mm,800mm,875mm,1000mm,1150mm等。由于向上圆整,故在传递额定功率时偶合器实际滑差 S 要比计算时所选的标准值S*(如S*=0.03)略小。 |
||||||||||||||||||||||||||||||||||
|
|
||||||||||||||||||||||||||||||||||
|
⑥偶合器叶轮的叶片厚度δ见表2。 |
||||||||||||||||||||||||||||||||||
|
||||||||||||||||||||||||||||||||||
|
(2)实例 例1 试确定一台调速型偶合器流道的主要尺寸。原动机为1600kW,2985r/min异步电动机,工作机为1200kW离心鼓风机,额定滑差S*≤0.03,采用20号机械油,油温70℃时的密度ρ=870kg/m3。 选用表1中的扁圆形流道,并取S*=0.03,此时其λ*=2.1×10-6。因偶合器能协助电动机实现无载启动,故以1200kW作为偶合器所传的额定功率Ne,按表中公式计算流道几何参数,有效直径为
按系列尺寸,向上圆整到D=0.5m。由于这一圆整,则在额定工况实际运转时,S*必将小于0.03。 流道其余几何尺寸为 d0=0.415×0.5=0.2075m ρ=0.1465×0.5=0.07325m S=0.0224×0.5=0.0112m d1=0.585×0.5=0.2925m Δ=0.01×0.5=0.005m 叶片数目 zB=8.65×D0.279=8.65×5000.279=8.65×5.66=48.98 取泵轮叶片数zB=50,涡轮叶片数zT=50-2=48。叶片沿叶轮圆周均匀分布。 例2 按如下条件确定限矩型偶合器有效直径,并校验其过载防护性能。7.5kW、1470r/min异步电动机经偶合器带动灰渣辗碎机,运转中要求动力过载保护,S*≈0.04,采用20号机械油,70℃时之ρ=870kg/m3。 选表1中的限矩型(动压倾泄式)流道,取S*=0.04时之λ*=λ0.96=1.45×10-6,原始特性中最大转矩系数λ0=3.8×10-6(在i=0时)。有效直径为
按系列尺寸,取D=0.28m。 该异步电动机之最大转矩和额定转矩的比值MDmax/MDe=2.2,最大转矩所对应的转速约为1375r/min。当工作机突然因阻力增大而减速时,偶合器所能出现的最大转矩(i≈0)为
异步电动机额定转矩为
异步电机所能产生的最大转矩 MDmax=2.2·MDe=2.2×48.75=107.25N·m 由于MDmax>Mmax,故工作机被突然卡住不转时,电动机仍可在稍高于最大转矩对应的转速运转,不致停车。几分钟后因油过热易熔塞熔化,将流道内油排空,偶合器不再传递功率,从而起过载防护作用。 |
||||||||||||||||||||||||||||||||||











