|
MC-C 型重型安全联轴器 |
||||||||
|
|
||||||||
|
MC-C 型重型系列基本参数与主要尺寸 |
||||||||
|
型号 |
转矩 /N·m |
孔径d1(d2) /mm |
最高转速 /r·min-1 |
质量 /kg |
||||
|
MC10-16C |
392~1274 |
30~72 (33~95) |
300 |
66 |
||||
|
MC10-24C |
588~1860 |
|||||||
|
MC14-10C |
882~2666 |
40~100 (38~118) |
200 |
140 |
||||
|
MC14-15C |
1960~3920 |
|||||||
|
MC20-6C |
2450~4900 |
50~130 (43~150) |
100 |
285 |
||||
|
MC20-12C |
4606~9310 |
|||||||
|
|
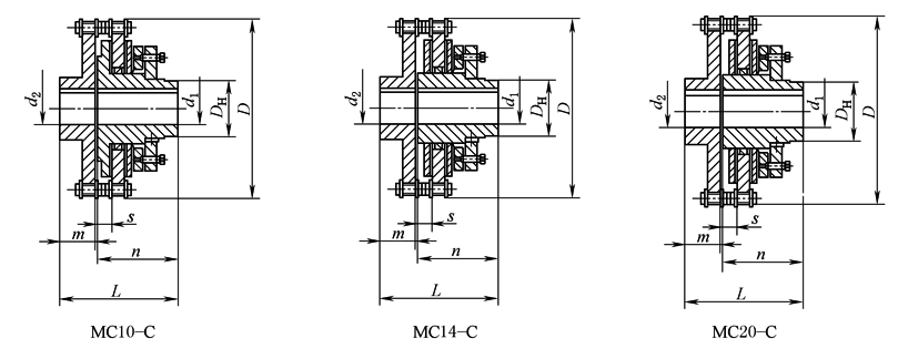
外形与安装尺寸/mm |
|||||||
|
型号 |
D |
DH |
L |
m |
n |
s |
||
|
MC10-16C |
355 |
137 |
189 |
71 |
115 |
19 |
||
|
MC10-24C |
||||||||
|
MC14-10C |
470 |
167 |
235 |
80 |
150 |
27 |
||
|
MC14-15C |
||||||||
|
MC20-6C |
631 |
237 |
300 |
120 |
175 |
36 |
||
|
MC20-12C |
||||||||
|
注:1.本产品带报警器。 2.订货时除型号外还应提供孔径(d1、d2)。 3.生产厂家为北京古德高机电技术有限公司。 4.本表型号联轴器与同厂生产的TL200-C、TL250-C、TL350-C、TL500-C、TL700-C 转矩限制器参数、尺寸完全相同。 |
||||||||

