|
SWP型万向联轴器的连接及螺栓预紧力矩 |
||||||||||||
|
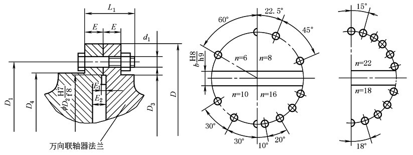
万向联轴器是通过高强度螺栓及螺母把两端的法兰连接在其他构件上,通过法兰端面键及法兰间摩擦力传递转矩的。这种万向联轴器的法兰与其相配件的连接尺寸及螺栓预紧力矩见表1a。其螺栓的力学性能应符合GB/T 3098.1中10.9级,螺母的力学性能应符合GB/T 3098.4中10级的规定。轴承盖螺钉的力学性能应符合GB/T 3098.1中12.9级,螺钉的预紧力矩见表1b。 |
||||||||||||
|
表1 法兰连接螺栓预紧力矩 |
||||||||||||
|
|
||||||||||||
|
型 号 |
法兰直径 D |
螺栓数 n |
螺栓规格 d1×L1 |
预紧力矩 Ma |
D1 |
D2(f8) |
D3 |
D4 |
E |
E1 |
E2 |
b(H8) |
|
mm |
mm |
N·m |
mm |
|||||||||
|
SWP160□ |
160 |
6 |
M12×1.5×50 |
120 |
140 |
95 |
118 |
121 |
15 |
3.5 |
12 |
20 |
|
SWP180□ |
180 |
6 |
M14×1.5×50 |
190 |
155 |
105 |
128 |
133 |
15 |
3.5 |
13 |
24 |
|
SWP200□ |
200 |
8 |
M14×1.5×55 |
190 |
175 |
125 |
146 |
153 |
17 |
4.5 |
15 |
28 |
|
SWP225□ |
225 |
8 |
M16×1.5×65 |
295 |
196 |
135 |
162 |
171 |
20 |
4.5 |
16 |
32 |
|
SWP250□ |
250 |
8 |
M18×1.5×75 |
405 |
218 |
150 |
180 |
190 |
25 |
4.5 |
20 |
40 |
|
SWP285□ |
285 |
8 |
M20×1.5×85 |
580 |
245 |
170 |
205 |
214 |
27 |
6.0 |
23 |
40 |
|
SWP315□ |
315 |
10 |
M22×1.5×95 |
780 |
280 |
185 |
235 |
245 |
32 |
6.0 |
23 |
40 |
|
SWP350□ |
350 |
10 |
M22×1.5×100 |
780 |
310 |
210 |
260 |
280 |
35 |
7.0 |
25 |
50 |
|
SWP390□ |
390 |
10 |
M24×2×110 |
1000 |
345 |
235 |
290 |
308 |
40 |
7.0 |
28 |
70 |
|
SWP435□ |
435 |
16 |
M27×2×120 |
1500 |
385 |
255 |
325 |
342 |
42 |
9.0 |
32 |
80 |
|
SWP480□ |
480 |
16 |
M30×2×130 |
2000 |
425 |
275 |
370 |
377 |
47 |
11 |
36 |
90 |
|
SWP550□ |
550 |
16 |
M30×2×140 |
2000 |
492 |
320 |
435 |
444 |
50 |
11 |
36 |
100 |
|
SWP600□ |
600 |
22 |
M33×2×150 |
2650 |
544 |
380 |
480 |
492 |
55 |
13 |
43 |
100 |
|
SWP650□ |
650 |
18 |
M36×3×165 |
3170 |
585 |
390 |
515 |
528 |
60 |
13 |
45 |
100 |
|
SWP700□ |
700 |
22 |
M36×3×165 |
3170 |
635 |
420 |
565 |
578 |
60 |
13 |
45 |
100 |
|
注:□表示A、B、C、D、E、F、G中任意一种型式 |
||||||||||||
|
表2 轴承盖连接螺钉预紧力矩 |
||||||||
|
螺钉规格/mm |
M10 |
M12 |
M14 |
M16 |
M20 |
M22 |
M24 |
M27 |
|
预紧力矩/N·m |
72.6 |
123 |
196 |
304 |
588 |
736 |
902 |
1500 |

