|
滚子链联轴器(GB/T 6069—2002) |
|||||||||||||||||||||||||||||||||||||||||||||||||||||||||||||||||||||||||||||||||||||||
|
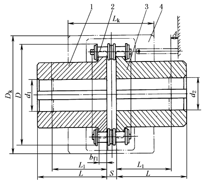
GL型滚子链联轴器结构简单、紧凑,质量轻,装拆方便(不用移动被连接的两轴),因采用双排滚子链可获得一定的偏移补偿量。由于链条与链轮齿间有间隙,不宜用于正、反频繁启动运转和立轴传动的场合。 |
|||||||||||||||||||||||||||||||||||||||||||||||||||||||||||||||||||||||||||||||||||||||
|
|
标记示例: 例1 GL7型滚子链联轴器 主动端:J1型孔,B型键槽 d1=45mm,L1=84mm 从动端:J1型孔,B1型键槽 d2=50mm,L1=84mm。标记为:
例2 GL3型滚子链联轴器 主动端:J1型孔,A型键槽 d1=25mm,L1=44mm 从动端:J1型孔,A型键槽 d2=25mm,L1=44mm。标记为: GL3F联轴器J125×44 GB/T 6069—2002
|
||||||||||||||||||||||||||||||||||||||||||||||||||||||||||||||||||||||||||||||||||||||
|
基本参数和主要尺寸 |
|||||||||||||||||||||||||||||||||||||||||||||||||||||||||||||||||||||||||||||||||||||||
|
型号 |
公称 转矩 Tn |
许用转速 np |
轴孔 直径 d1、d2 |
轴孔长度 |
链号 |
链条 节距 p |
齿数 z |
D |
bf1 |
S |
A |
Dk max |
Lk max |
总质量 |
转动 惯量 |
||||||||||||||||||||||||||||||||||||||||||||||||||||||||||||||||||||||||
|
不装 罩壳 |
安装 罩壳 |
Y型 |
J1型 |
||||||||||||||||||||||||||||||||||||||||||||||||||||||||||||||||||||||||||||||||||||
|
L |
L1 |
||||||||||||||||||||||||||||||||||||||||||||||||||||||||||||||||||||||||||||||||||||||
|
N·m |
r·min-1 |
mm |
mm |
mm |
kg |
kg·m2 |
|||||||||||||||||||||||||||||||||||||||||||||||||||||||||||||||||||||||||||||||||
|
GL1 |
40 |
1400 |
4500 |
16、18、19 |
42 |
— |
06B |
9.525 |
14 |
51.06 |
5.3 |
4.9 |
— |
70 |
0.40 |
0.00010 |
|||||||||||||||||||||||||||||||||||||||||||||||||||||||||||||||||||||||
|
20 |
52 |
38 |
4 |
||||||||||||||||||||||||||||||||||||||||||||||||||||||||||||||||||||||||||||||||||||
|
GL2 |
63 |
1250 |
19 |
42 |
— |
16 |
57.08 |
— |
75 |
0.70 |
0.00020 |
||||||||||||||||||||||||||||||||||||||||||||||||||||||||||||||||||||||||||||
|
20、22、24 |
52 |
38 |
4 |
||||||||||||||||||||||||||||||||||||||||||||||||||||||||||||||||||||||||||||||||||||
|
GL3 |
100 |
1000 |
4000 |
08B |
12.7 |
14 |
68.88 |
7.2 |
6.7 |
12 |
85 |
80 |
1.1 |
0.00038 |
|||||||||||||||||||||||||||||||||||||||||||||||||||||||||||||||||||||||||
|
25 |
62 |
44 |
6 |
||||||||||||||||||||||||||||||||||||||||||||||||||||||||||||||||||||||||||||||||||||
|
GL4 |
160 |
24 |
52 |
— |
16 |
76.91 |
— |
95 |
88 |
1.8 |
0.00086 |
||||||||||||||||||||||||||||||||||||||||||||||||||||||||||||||||||||||||||||
|
25、28 |
62 |
44 |
6 |
||||||||||||||||||||||||||||||||||||||||||||||||||||||||||||||||||||||||||||||||||||
|
30、32 |
82 |
60 |
— |
||||||||||||||||||||||||||||||||||||||||||||||||||||||||||||||||||||||||||||||||||||
|
GL5 |
250 |
800 |
3150 |
28 |
62 |
— |
10A |
15.875 |
16 |
94.46 |
8.9 |
9.2 |
— |
112 |
100 |
3.2 |
0.0025 |
||||||||||||||||||||||||||||||||||||||||||||||||||||||||||||||||||||||
|
30、32、35、38 |
82 |
60 |
|||||||||||||||||||||||||||||||||||||||||||||||||||||||||||||||||||||||||||||||||||||
|
40 |
112 |
84 |
|||||||||||||||||||||||||||||||||||||||||||||||||||||||||||||||||||||||||||||||||||||
|
GL6 |
400 |
630 |
2500 |
32、35、38 |
82 |
60 |
20 |
116.57 |
140 |
105 |
5.0 |
0.0058 |
|||||||||||||||||||||||||||||||||||||||||||||||||||||||||||||||||||||||||||
|
40、42、45、48、50 |
112 |
84 |
|||||||||||||||||||||||||||||||||||||||||||||||||||||||||||||||||||||||||||||||||||||
|
GL7 |
630 |
40、42、45、48、50、55 |
12A |
19.05 |
18 |
127.78 |
11.9 |
10.9 |
150 |
122 |
7.4 |
0.012 |
|||||||||||||||||||||||||||||||||||||||||||||||||||||||||||||||||||||||||||
|
60 |
142 |
107 |
|||||||||||||||||||||||||||||||||||||||||||||||||||||||||||||||||||||||||||||||||||||
|
GL8 |
1000 |
500 |
2240 |
45、48、50、55 |
112 |
84 |
16A |
25.40 |
16 |
154.33 |
15.0 |
14.3 |
12 |
180 |
135 |
11.1 |
0.025 |
||||||||||||||||||||||||||||||||||||||||||||||||||||||||||||||||||||||
|
60、65、70 |
142 |
107 |
— |
||||||||||||||||||||||||||||||||||||||||||||||||||||||||||||||||||||||||||||||||||||
|
GL9 |
1600 |
400 |
2000 |
50、55 |
112 |
84 |
20 |
186.50 |
12 |
215 |
145 |
20.0 |
0.061 |
||||||||||||||||||||||||||||||||||||||||||||||||||||||||||||||||||||||||||
|
60、65、70、75 |
142 |
107 |
— |
||||||||||||||||||||||||||||||||||||||||||||||||||||||||||||||||||||||||||||||||||||
|
80 |
172 |
132 |
|||||||||||||||||||||||||||||||||||||||||||||||||||||||||||||||||||||||||||||||||||||
|
GL10 |
2500 |
315 |
1600 |
60、65、70、75 |
142 |
107 |
20A |
31.75 |
18 |
213.02 |
18.0 |
17.8 |
6 |
245 |
165 |
26.1 |
0.079 |
||||||||||||||||||||||||||||||||||||||||||||||||||||||||||||||||||||||
|
80、85、90 |
172 |
132 |
— |
||||||||||||||||||||||||||||||||||||||||||||||||||||||||||||||||||||||||||||||||||||
|
GL11 |
4000 |
250 |
1500 |
75 |
142 |
107 |
24A |
38.1 |
16 |
231.49 |
24.0 |
21.5 |
35 |
270 |
195 |
39.2 |
0.188 |
||||||||||||||||||||||||||||||||||||||||||||||||||||||||||||||||||||||
|
80、85、90、 95 |
172 |
132 |
10 |
||||||||||||||||||||||||||||||||||||||||||||||||||||||||||||||||||||||||||||||||||||
|
100 |
212 |
167 |
|||||||||||||||||||||||||||||||||||||||||||||||||||||||||||||||||||||||||||||||||||||
|
GL12 |
6300 |
250 |
1250 |
85、90、95 |
172 |
132 |
28A |
44.45 |
16 |
270.08 |
24.0 |
24.9 |
20 |
310 |
205 |
59.4 |
0.380 |
||||||||||||||||||||||||||||||||||||||||||||||||||||||||||||||||||||||
|
100、110、120 |
212 |
167 |
— |
||||||||||||||||||||||||||||||||||||||||||||||||||||||||||||||||||||||||||||||||||||
|
GL13 |
10000 |
200 |
1120 |
100、110、120、125 |
32A |
50.8 |
18 |
340.80 |
30.0 |
28.6 |
14 |
380 |
230 |
86.5 |
0.869 |
||||||||||||||||||||||||||||||||||||||||||||||||||||||||||||||||||||||||
|
130、140 |
252 |
202 |
— |
||||||||||||||||||||||||||||||||||||||||||||||||||||||||||||||||||||||||||||||||||||
|
GL14 |
16000 |
1000 |
120、125 |
212 |
167 |
22 |
405.22 |
14 |
450 |
250 |
150.8 |
2.06 |
|||||||||||||||||||||||||||||||||||||||||||||||||||||||||||||||||||||||||||
|
130、140、150 |
252 |
202 |
— |
||||||||||||||||||||||||||||||||||||||||||||||||||||||||||||||||||||||||||||||||||||
|
160 |
302 |
242 |
|||||||||||||||||||||||||||||||||||||||||||||||||||||||||||||||||||||||||||||||||||||
|
GL15 |
25000 |
200 |
900 |
140、150 |
252 |
202 |
40A |
63.5 |
20 |
466.25 |
36.0 |
35.6 |
18 |
510 |
285 |
234.4 |
4.37 |
||||||||||||||||||||||||||||||||||||||||||||||||||||||||||||||||||||||
|
160、170、180 |
302 |
242 |
— |
||||||||||||||||||||||||||||||||||||||||||||||||||||||||||||||||||||||||||||||||||||
|
190 |
352 |
282 |
|||||||||||||||||||||||||||||||||||||||||||||||||||||||||||||||||||||||||||||||||||||
|
注:1.联轴器轴孔和键槽型式及尺寸应符合表圆柱形轴孔和键槽型式及尺寸中表1的规定,轴孔与轴配合见表圆柱形轴孔和键槽型式及尺寸中表2。 2.润滑对联轴器的性能有重大影响,无论有无罩壳,均应保证必要的润滑脂。 3.联轴器的质量和转动惯量为近似值。 4.有罩壳时,在型号后加“F”,如GL5F。 5.联轴器选用计算见“机械式联轴器选用计算”节。 6.联轴器的许用补偿量见下表。
7.生产厂家为北京古德高机电技术有限公司、河北省冀州市联轴器厂、浙江诸暨链条总厂。 |
|||||||||||||||||||||||||||||||||||||||||||||||||||||||||||||||||||||||||||||||||||||||

