|
增压器 |
||
|
功 能 |
工作原理图 |
工作原理说明 |
|
工厂气路中的压力,通常不高于1.0MPa。因此在下列情况时,可利用增压阀提供少量、局部高压气体 (1)气路中个别或部分装置需用高压 (2)工厂主气路压力下降,不能保证气动装置的最低使用压力时,利用增压阀提供高压气体,以维持气动装置正常工作 (3)不能配置大口径气缸,但输出力又必须确保 (4)气控式远距离操作,必须增压以弥补压力损失 (5)需要提高联动缸的液压力 (6)希望缩短向气罐内充气至一定压力的时间 |
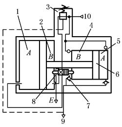
1—驱动室A;2—驱动室B;3—调压阀; 4—增压室B;5—增压室A;6—活塞; 7—单向阀;8—换向阀; 9—出口侧;10—入口侧 |
输入气压分两路,一路打开单向阀小气缸的增压室A和B,另一路经调压阀及换向阀向大气缸的驱动室B充气。驱动室A排气。这样,大活塞左移,带动小活塞也左移,使小气缸B室增压,打开单向阀从出口选出高压气体。小活塞移动到终端,使换向阀切换,则驱动室A进气,驱动室B排气,大活塞反向运动,增压室A增压,打开单向阀从出口送出高压气体。出口压力反馈到调压阀,可使出口压力自动保持在某一值。当需要改变出口压力时,可调节手轮,便得到在增压范围内的任意设定的出口压力。若出口反馈压力与调压阀的可调弹簧力相平衡,增压阀就停止工作,不再输出流量 |

