|
80MN水压机下料机械手液压系统设计 |
|
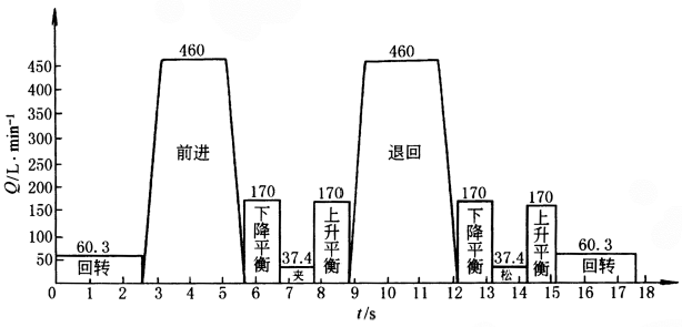
(1) 设计要求 ① 设备工况及要求如下 水压机下料机械手服务于80MN水压机,它的任务是将已压制成型的重型热工件取出,放到规定的工作线上。该设备为直角坐标式机械手,它位于水压机的一侧,环境较为恶劣,温度较高,灰尘较多 ② 设备工作程序如下 启动机械手(该设备像小车,以下简称小车),小车沿轨道前进到水压机侧的工作位置,液压定位缸定位锁紧。当工件成型后发出讯号,小车的一级和二级移动缸前进(即机械手伸进水压机内),此时手张开,到预定位置后,升降缸下降(手下降),到位后,夹紧缸工作,夹紧工件(手夹紧),然后升起(升降缸工作),到预定位置后,一二级移动缸返回(手退回)到预定位置,升降缸下降(手下降),到预定位置,夹紧缸松开,把工件放在小车的回转台上后再升起(手上升),而后回转缸工作,把工件送到预定的工作线上由吊车取走 ③ 控制与联锁要求 a.所有动作要求顺序控制,部分回路选用远程电控调速和调压 b.手放工件的位置控制精度±1 mm c.手的动作要与水压机配合,只有在水压机工作完成并升起后,机械手方可进入取料 ④ 执行元件工艺参数,见表执行元件工艺参数 ⑤ 工作循环时间顺序图如下图所示
(2) 执行机构的选择 机械手平移放料的位置控制精度取决于移动缸速度调节和定位方式及移动缸的加减速度,回转缸的加减速也需控制,故选用比例阀控制,而升降缸和平衡缸的压力需要互相匹配和远程调压,因而也选用比例控制,其他则选用普通液压控制 ① 移动缸选用四通比例方向阀控制的油缸,可供系统使用的压力为 p=ps-Δpv(MPa) 式中 ps——泵供油压力,MPa; Δpv——管道压力损失,MPa 经验表明若p作如下分配时,油缸的参数确定是合理的, 加减速时液压缸作用面积A按下式计算:
式中 FST——液压缸稳态负载,N; Ff——液压缸摩擦力,N; m——液压缸运动部分质量,kg; υ——液压缸速度,m/s; ts——希望的加速时间,s 本例中,预选供油压力ps=8 MPa,m=10000 kg,FST=10000 N,Δpv=1 MPa,υ=0.38 m/s,Ff忽略,ts=0.6s,则:
在匀速及稳态负载作用下缸作用面积A按下式计算
式中 Δp阀——比例阀的压降 取Δp=1MPa,则
由液压缸计算面积,结合设备状态查标准缸径,最后确定为f80/f45 ② 其他缸根据设备的状态进行选择:升降缸f100mm/f56mm,平衡缸f80mm/f56mm,回转缸f80mm/f45mm,定位缸f80mm/f45mm,夹紧缸f63mm/f35mm,脱模缸f110mm/f63mm (3) 计算各执行机构的压力和耗油量 (4) 绘制各执行机构流量-时间循环图
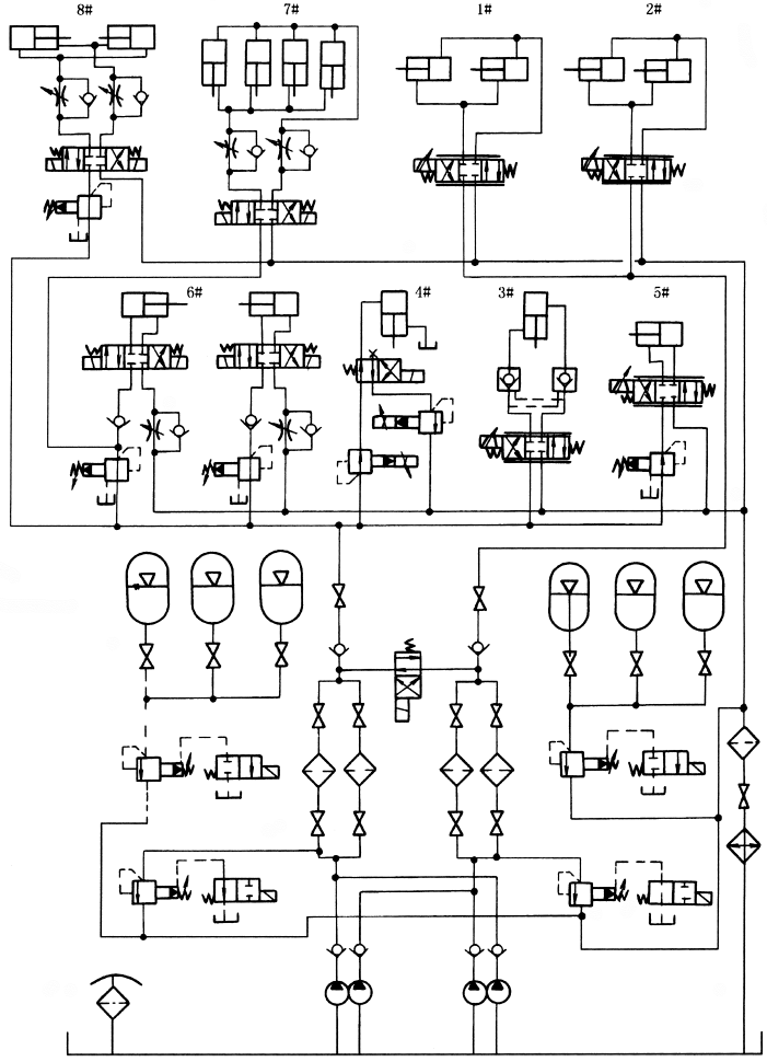
图1 (5) 草拟液压系统原理图
液压系统原理图 (6) 液压泵站的设计与计算 ① 工作压力的确定:根据执行机构的工作压力状况,液压泵站的压力宜分为二级压力 a.低压系统——用于移动缸:
式中 p1max——执行机构的最大工作压力,MPa; ∑Δp1——系统总压力损失,MPa。
取∑Δp1=0.4MPa,则p1=2+0.4=2.4 MPa,考虑储备量取 8 MPa b.高压系统——用于其他执行机构:
式中 ∑Δp2——系统总压力损失,MPa; p2max——升降缸压力, p2max——10.2 MPa,取取∑Δp2=1MPa,则p2=10.2+1=11.2 MPa,考虑储备量取16 MPa ② 流量的确定:按平均流量选择,参见图1 a.低压系统:因此系统仅为移动缸动作,所以平均流量 b.高压系统:因其他缸动作时夹紧缸不动作,故平均流量Q2=(170.4-37.4)/2=66.5 L/min,考虑系统的泄漏Q2=1.2×66.5=79.8 L/min 根据平均流量及工作状态,选用双级泵较合适。低压系统流量大,使用双泵供油则经济些。查样本选双级叶片泵:p1=8 MPa,QV1=168 L/min;p2=16 MPa,QV2=100 L/min。对低压系统QV=QV1+QV2=100+168>268 L/min>253 L/min,对高压系统QV=QV2=100L/min>79.8 L/min ③ 蓄能器参数的确定与验算 a.蓄能器压力的确定:对低压回路,选气囊式蓄能器,按绝热状态考虑,最低压力 p1=p+∑Δpmax=5MPa,最高压力 p2=(1.1-1.25)p1=1.25×5=6.25 MPa,充气压力 p0=(0.7~0.9)p1=0.8×5=4 MPa;对高压回路,最低压力 p1=13 MPa,最高压力 p2=1.1×13=14.3 MPa,充气压力 p0=0.8×13=10.4 MPa b.蓄能器容量的确定:对低压回路,从流量-时间循环图中可知,尖峰流量在移动缸工作期间。为满足移动缸要求,最大负载时泵工作时间t=3.5s;缸耗油量4×5.53=22.12 L;漏损系数1.2,蓄能器工作容积 Vβ1=22.12×1.2-3.5×(100+168/60)=10.91 L,蓄能器总容积 V01=Vβ1/{10.40.7143×[(1/13)0.7143-(1/14.3)0.7143]}=4.56/0.0561=81.3 L,选择标准皮蓄能器 3×40=120 L 对高压回路,从流量-时间循环图中可知,尖峰流量在脱模缸工作期间。为满足脱模缸要求,最大负载时泵工作时间 t=0s;缸耗油量2×1.9=3.8 L;漏损系数1.2 ④ 蓄能器补液验算 a.蓄能器工作制度:由压力继电器控制蓄能器的补液工作,即当蓄能器工作油液减少到一定程度时,压力则降到最低压力,压力继电器发出信号,启动泵,使之给蓄能器补液 b.选定的蓄能器工作容积:低压回路 Vβ1=V0p00.7143[(1/p1)0.7143-(1/p2)0.7143]=120×0.1256=15.07 L,高压回路 Vβ2=120×0.0561=6.332 L,蓄能器工作容积验算见表蓄能器工作容积验算 结论:在整个工作循环周期中,在尖峰流量工作时,蓄能器与泵同时供油,能满足执行机构的流量要求;同时在整个工作周期中,双泵均可给蓄能器补足液,因而上述设计是合理的 在整个工作循环中,高压小泵基本上都在工作,除供给执行机构油外,还能满足高压蓄能器补液要求;低压大泵则只需工作一段时间就可满足低压蓄能器补液要求。消耗合理,节省电能 ⑤ 驱动电动机的功率计算 在整个工作循环周期内,把泵最大耗能量作为电动机的选择功率 a.双泵在各自压力下工作时的功率:
b.双泵在低压下工作时的功率:
从上述计算中选择最大值,作为电动机的功率,选择电动机:P=55 kW,n=1000 r/min ⑥ 油箱容积的确定:根据经验确定:V=11Q=11×268=2948 L≈3m3 ⑦ 冷却器和加热器选择:根据现场状况,液压站在热车间工作,不需要加热器,但需考虑加冷却器,因而需计算系统热平衡 a.系统发热量计算如下 泵动力损失产生的热量为 H1=860P(1-η)=860×55×(1-0.8)=9460 kcal/h 执行元件发热忽略 溢流阀溢流产生的热量 H2=1.41PQ=14.1(8×168+13×100)=37280 kcal/h 其他阀产生的热量:H3=14.1 ΔpQ 各执行元件只有移动缸和升降缸压力损失大,其他阀压力损失都不及它们大,故只计算它们的发热量。 移动缸Δp=2MPa,Q=460×2=920L/min,则H3=14.1×920=12972 kcal/h;升降平衡缸有Δp=2 MPa,Q=(104+66.4)×2=340.8 L/min,则H3=14.1×340.8×2=4805 kcal/h 两者不同时工作,取大值,H3=12972 kcal/h 流经管道产生的热量为 H4=(0.03~0.05)P×860=0.04×55×860=1892 kcal/h 系统总发热量 H=H1+H2+H3+H4=9460+37280+12972+1892=61604 kcal/h b.系统的散热量计算如下 油箱的散热量 Hk1=K1A(t1-t2) 式中 A——油箱散热面积,m2; K1——散热系数,kcal/(m2·h·℃); t1、t2——油进出口温度,℃。
K1=13kcal/(m2·h·℃) t1-t2=55-35=20℃ 则 Hk1=13×13.5×20=3510 kcal/h 根据系统的热平衡H=Hk1+Hk2,则冷却器的散热量Hk2为 Hk2=H-Hk1=61604-3510=58094 kcal/h c.冷却器散热面积计算如下 Ak=Hk2/KΔtμ 式中 Ak——冷却器散热面积,m2; K——板式冷却器散热系数,K=450 kcal/(m2·h·℃); Δtμ=(t油1+t油2)/2-(t水1+t水2)/2 式中 t油1、t油2——油的进出口温度,t油1=55℃,t油2=48℃; t水1、t水2——水的进出口温度,t水1=25℃,t水2=30℃。 Δtμ=51.5-27.5=24℃,则Ak=58094/(24×450)=5.4m2,选板式冷却器6m2 ⑧ 过滤器选择:系统中选用比例元件,而且设备要求故障率低,所以选过滤精度为10μm的过滤器。压油过滤器,通流量250L/min;回油过滤器,通流量630 L/min ⑨ 液压控制阀的选择 a.普通液压阀的选择:根据流量与压力选择阀的规格。本系统最高压力为21 MPa,为便于维修更换,均选用此档压力。再根据执行机构的通流量查样本选择阀的通径。如脱模缸的换向阀,压力p=21 MPa,流量Q=114L/min,查样本选PG5V-7-2C-T-VMUH7-24的板式三位四通电液阀 b.比例方向阀的选择:选择移动缸的比例方向阀。系统最高压力p=21 MPa,通过比例阀的流量Qx=230L/min,通过该阀的压降Δp=1 MPa,根据公式:
式中 Qp——基准流量,L/min; Δpp——基准流量下的压降,MPa,查样本; Δpx——所需压降,MPa; Qx——通过该阀的流量,L/min
|






